ZHCSV58M July   1999  – March 2024 SN65LVDS1 , SN65LVDS2 , SN65LVDT2

PRODUCTION DATA  

  1.   1
  2. 特性
  3. 应用
  4. 说明
  5. 器件选项
  6. 引脚配置和功能
  7. 规格
    1. 6.1 绝对最大额定值
    2. 6.2 ESD 等级
    3. 6.3 建议运行条件
    4. 6.4 热性能信息
    5. 6.5 驱动器电气特性
    6. 6.6 接收器电气特性
    7. 6.7 驱动器开关特性
    8. 6.8 接收器开关特性
    9. 6.9 典型特性
  8. 参数测量信息
  9. 详细说明
    1. 8.1 概述
    2. 8.2 功能方框图
    3. 8.3 特性说明
      1. 8.3.1 SN65LVDS1 特性
        1. 8.3.1.1 驱动器输出电压和上电复位
        2. 8.3.1.2 驱动器失调电压
        3. 8.3.1.3 可耐受 5V 输入
        4. 8.3.1.4 NC 引脚
        5. 8.3.1.5 驱动器等效原理图
      2. 8.3.2 SN65LVDS2 和 SN65LVDT2 特性
        1. 8.3.2.1 接收器开路失效防护
        2. 8.3.2.2 接收器输出电压和上电复位
        3. 8.3.2.3 共模范围与电源电压
        4. 8.3.2.4 通用比较器
        5. 8.3.2.5 接收器等效原理图
        6. 8.3.2.6 NC 引脚
    4. 8.4 器件功能模式
      1. 8.4.1 在 VCC < 1.5V 条件下运行
      2. 8.4.2 在 1.5V ≤ VCC < 2.4V 条件下运行
      3. 8.4.3 在 2.4V ≤ VCC < 3.6V 条件下运行
      4. 8.4.4 SN65LVDS1 真值表
      5. 8.4.5 SN65LVDS2 和 SN65LVDT2 真值表
  10. 应用和实施
    1. 9.1 应用信息
    2. 9.2 典型应用
      1. 9.2.1 点对点通信
        1. 9.2.1.1 设计要求
        2. 9.2.1.2 详细设计过程
          1. 9.2.1.2.1  驱动器电源电压
          2. 9.2.1.2.2  驱动器旁路电容
          3. 9.2.1.2.3  驱动器输入电压
          4. 9.2.1.2.4  驱动器输出电压
          5. 9.2.1.2.5  介质互连
          6. 9.2.1.2.6  PCB 传输线路
          7. 9.2.1.2.7  端接电阻器
          8. 9.2.1.2.8  驱动器 NC 引脚
          9. 9.2.1.2.9  接收器电源电压
          10. 9.2.1.2.10 接收器旁路电容
          11. 9.2.1.2.11 接收器输入共模范围
          12. 9.2.1.2.12 接收器输入信号
          13. 9.2.1.2.13 接收器输出信号
          14. 9.2.1.2.14 接收器 NC 引脚
      2. 9.2.2 应用曲线
      3. 9.2.3 多点通信
        1. 9.2.3.1 设计要求
        2. 9.2.3.2 详细设计过程
          1. 9.2.3.2.1 介质互连
        3. 9.2.3.3 应用曲线
  11. 10电源相关建议
  12. 11布局
    1. 11.1 布局指南
      1. 11.1.1 微带与带状线拓扑
      2. 11.1.2 电介质类型和电路板结构
      3. 11.1.3 建议的堆叠布局
      4. 11.1.4 引线间距
      5. 11.1.5 串扰和接地反弹最小化
      6. 11.1.6 去耦
    2. 11.2 布局示例
  13. 12器件和文档支持
    1. 12.1 器件支持
      1. 12.1.1 其他 LVDS 产品
    2. 12.2 第三方产品免责声明
    3. 12.3 文档支持
      1. 12.3.1 相关信息
    4. 12.4 接收文档更新通知
    5. 12.5 支持资源
    6. 12.6 商标
    7. 12.7 静电放电警告
    8. 12.8 术语表
  14. 13修订历史记录
  15. 14机械、封装和可订购信息

封装选项

请参考 PDF 数据表获取器件具体的封装图。

机械数据 (封装 | 引脚)
  • D|8
  • DBV|5
散热焊盘机械数据 (封装 | 引脚)
订购信息

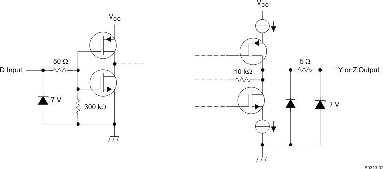
驱动器等效原理图

图 8-1 所示为 SN65LVDS1 等效输入和输出原理图。驱动器输入由带 7V 齐纳二极管的 CMOS 反相器级表示。输入级为高阻抗,并包括内部下拉至地。如果驱动器输入端保持开路,则驱动器输入端向驱动器电路的其余部分提供低电平信号,从而在驱动器输出引脚上产生低电平信号。齐纳二极管提供 ESD 保护。驱动器输出级为差分对,其中一半如图 8-1 所示。与输入级一样,驱动器输出包括用于提供 ESD 保护的齐纳二极管。该原理图显示了一个输出级,其中包括一组根据输入级信号连接到输出负载电路的电流源(标称值为 3.5mA)。对于一阶,SN65LVDS2 输出级充当恒流源。

SN65LVDS1 SN65LVDS2 SN65LVDT2 驱动器等效输入和输出原理图图 8-1 驱动器等效输入和输出原理图