ZHCSJA6B January 2019 – December 2021 MSP430FR5041 , MSP430FR5043 , MSP430FR50431 , MSP430FR6041 , MSP430FR6043 , MSP430FR60431
PRODUCTION DATA
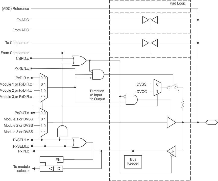
Figure 9-3 shows the port diagram. Table 9-25 summarizes the selection of the pin function.

| PIN NAME (P1.x) | PN 80 | PM RGC 64 | FUNCTION | CONTROL BITS AND SIGNALS(1) | ||
|---|---|---|---|---|---|---|
| P1DIR.x | P1SEL1.x | P1SEL0.x | ||||
| P1.0/UCA1CLK/TA1.0/A0/ C0/VREF-/VeREF- | 4 | 3 | P1.0 (I/O) | 0 = Input, 1 = Output | 0 | 0 |
| UCA1CLK | X(4) | 0 | 1 | |||
| TA1.CCI0A | 0 | 1 | 0 | |||
| TA1.0 | 1 | |||||
| A0, C0, VREF-, VeREF-(2)(3) | X | 1 | 1 | |||
| P1.1/UCA1STE/TA4.0/A1/ C1/VREF+/VeREF+ | 5 | 4 | P1.1 (I/O) | 0 = Input, 1 = Output | 0 | 0 |
| UCA1STE | X(4) | 0 | 1 | |||
| TA4.CCI0A | 0 | 1 | 0 | |||
| TA4.0 | 1 | |||||
| A1, C1, VREF+, VeREF+(2)(3) | X | 1 | 1 | |||