ZHCSJA6B January 2019 – December 2021 MSP430FR5041 , MSP430FR5043 , MSP430FR50431 , MSP430FR6041 , MSP430FR6043 , MSP430FR60431
PRODUCTION DATA
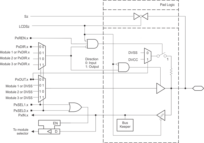
Figure 9-5 shows the port diagram. Table 9-27 summarizes the selection of the pin function.

| PIN NAME (P1.x) | PN 80 | PM RGC 64 | FUNCTION | CONTROL BITS OR SIGNALS (1) | |||
|---|---|---|---|---|---|---|---|
| P1DIR.x | P1SEL1.x | P1SEL0.x | LCDSz | ||||
| P1.6/UCA3STE/ UCB0SIMO/UCB0SDA/ LCDS17 | 29 | 23 | P1.6(I/O) | 0 = Input, 1 = Output | 0 | 0 | 0 |
| UCA3STE | X(3) | 0 | 1 | 0 | |||
| UCB0SIMO/UCB0SDA | X(2) | 1 | 0 | 0 | |||
| N/A | 0 | 1 | 1 | 0 | |||
| Internally tied to DVSS | 1 | ||||||
| Sz (4) | X | X | X | 1 | |||
| P1.7/USSTRG/ UCA3CLK/UCB0SOMI/ UCB0SCL/LCDS16 | 30 | 24 | P1.7(I/O) | 0 = Input, 1 = Output | 0 | 0 | 0 |
| USSTRG (independent function) | 0 | X | 1 | X | |||
| 1 | X | ||||||
| UCA3CLK | X(3) | 0 | 1 | 0 | |||
| UCB0SOMI/UCB0SCL | X(2) | 1 | 0 | 0 | |||
| N/A | 0 | 1 | 1 | 0 | |||
| Internally tied to DVSS | 1 | ||||||
| Sz (4) | X | X | X | 1 | |||