ZHCSJA6B January   2019  – December 2021 MSP430FR5041 , MSP430FR5043 , MSP430FR50431 , MSP430FR6041 , MSP430FR6043 , MSP430FR60431

PRODUCTION DATA  

  1. 特性
  2. 应用
  3. 说明
  4. 功能方框图
  5. Revision History
  6. Device Comparison
    1. 6.1 Related Products
  7. Terminal Configuration and Functions
    1. 7.1 Pin Diagrams
    2. 7.2 Pin Attributes
    3. 7.3 Signal Descriptions
    4. 7.4 Pin Multiplexing
    5. 7.5 Buffer Type
    6. 7.6 Connection of Unused Pins
  8. Specifications
    1. 8.1  Absolute Maximum Ratings
    2. 8.2  ESD Ratings
    3. 8.3  Recommended Operating Conditions
    4. 8.4  Active Mode Supply Current Into VCC Excluding External Current
    5. 8.5  Typical Characteristics, Active Mode Supply Currents
    6. 8.6  Low-Power Mode (LPM0, LPM1) Supply Currents Into VCC Excluding External Current
    7. 8.7  Low-Power Mode (LPM2, LPM3, LPM4) Supply Currents (Into VCC) Excluding External Current
    8. 8.8  Low-Power Mode With LCD Supply Currents (Into VCC) Excluding External Current
    9. 8.9  Low-Power Mode (LPMx.5) Supply Currents (Into VCC) Excluding External Current
    10. 8.10 Typical Characteristics, Low-Power Mode Supply Currents
    11. 8.11 Current Consumption per Module
    12. 8.12 Thermal Resistance Characteristics
    13. 8.13 Timing and Switching Characteristics
      1. 8.13.1  Power Supply Sequencing
        1. 8.13.1.1 Brownout and Device Reset Power Ramp Requirements
        2. 8.13.1.2 SVS
      2. 8.13.2  Reset Timing
        1. 8.13.2.1 Reset Input
      3. 8.13.3  Clock Specifications
        1. 8.13.3.1 Low-Frequency Crystal Oscillator, LFXT
        2. 8.13.3.2 High-Frequency Crystal Oscillator, HFXT
        3. 8.13.3.3 DCO
        4. 8.13.3.4 Internal Very-Low-Power Low-Frequency Oscillator (VLO)
        5. 8.13.3.5 Module Oscillator (MODOSC)
      4. 8.13.4  Wake-up Characteristics
        1. 8.13.4.1 Wake-up Times From Low-Power Modes and Reset
        2. 8.13.4.2 Typical Wake-up Charges
        3. 8.13.4.3 Typical Characteristics, Average LPM Currents vs Wake-up Frequency
      5. 8.13.5  Digital I/Os
        1. 8.13.5.1 Digital Inputs
        2. 8.13.5.2 Digital Outputs
        3. 8.13.5.3 Typical Characteristics, Digital Outputs
      6. 8.13.6  LEA
        1. 8.13.6.1 Low-Energy Accelerator (LEA) Performance
      7. 8.13.7  Timer_A and Timer_B
        1. 8.13.7.1 Timer_A
        2. 8.13.7.2 Timer_B
      8. 8.13.8  eUSCI
        1. 8.13.8.1 eUSCI (UART Mode) Clock Frequency
        2. 8.13.8.2 eUSCI (UART Mode) Switching Characteristics
        3. 8.13.8.3 eUSCI (SPI Master Mode) Clock Frequency
        4. 8.13.8.4 eUSCI (SPI Master Mode) Switching Characteristics
        5. 8.13.8.5 eUSCI (SPI Master Mode) Timing Diagrams
        6. 8.13.8.6 eUSCI (SPI Slave Mode) Switching Characteristics
        7. 8.13.8.7 eUSCI (SPI Slave Mode) Timing Diagrams
        8. 8.13.8.8 eUSCI (I2C Mode) Switching Characteristics
        9. 8.13.8.9 eUSCI (SPI Slave Mode) Timing Diagrams
      9. 8.13.9  Segment LCD Controller
        1. 8.13.9.1 LCD_C Recommended Operating Conditions
        2. 8.13.9.2 LCD_C Electrical Characteristics
      10. 8.13.10 ADC12_B
        1. 8.13.10.1 12-Bit ADC, Power Supply and Input Range Conditions
        2. 8.13.10.2 12-Bit ADC, Timing Parameters
        3. 8.13.10.3 12-Bit ADC, Linearity Parameters
        4. 8.13.10.4 12-Bit ADC, Dynamic Performance With External Reference
        5. 8.13.10.5 12-Bit ADC, Dynamic Performance With Internal Reference
        6. 8.13.10.6 12-Bit ADC, Temperature Sensor and Built-In V1/2
        7. 8.13.10.7 12-Bit ADC, External Reference
        8. 8.13.10.8 Temperature Sensor Typical Characteristics
      11. 8.13.11 Reference
        1. 8.13.11.1 REF, Built-In Reference
      12. 8.13.12 Comparator
        1. 8.13.12.1 Comparator_E
      13. 8.13.13 FRAM
        1. 8.13.13.1 FRAM Memory
      14. 8.13.14 USS
        1. 8.13.14.1 USS Recommended Operating Conditions
        2. 8.13.14.2 USS LDO
        3. 8.13.14.3 USSXTAL
        4. 8.13.14.4 USS HSPLL
        5. 8.13.14.5 USS SDHS
        6. 8.13.14.6 USS PHY Output Stage
        7. 8.13.14.7 USS PHY Input Stage, Multiplexer
        8. 8.13.14.8 USS_PGA
        9. 8.13.14.9 USS Bias Voltage Generator
      15. 8.13.15 Emulation and Debug
        1. 8.13.15.1 JTAG and Spy-Bi-Wire Interface
  9. Detailed Description
    1. 9.1  Overview
    2. 9.2  CPU
    3. 9.3  Ultrasonic Sensing Solution (USS_A)
    4. 9.4  Low-Energy Accelerator (LEA) for Signal Processing
    5. 9.5  Operating Modes
      1. 9.5.1 Peripherals in Low-Power Modes
      2. 9.5.2 Idle Currents of Peripherals in LPM3 and LPM4
    6. 9.6  Interrupt Vector Table and Signatures
    7. 9.7  Bootloader (BSL)
    8. 9.8  JTAG Operation
      1. 9.8.1 JTAG Standard Interface
      2. 9.8.2 Spy-Bi-Wire Interface
    9. 9.9  FRAM Controller A (FRCTL_A)
    10. 9.10 RAM
    11. 9.11 Tiny RAM
    12. 9.12 Memory Protection Unit (MPU) Including IP Encapsulation
    13. 9.13 Peripherals
      1. 9.13.1  Digital I/O
      2. 9.13.2  Oscillator and Clock System (CS)
      3. 9.13.3  Power-Management Module (PMM)
      4. 9.13.4  Hardware Multiplier (MPY)
      5. 9.13.5  Real-Time Clock (RTC_C)
      6. 9.13.6  Measurement Test Interface (MTIF)
      7. 9.13.7  Watchdog Timer (WDT_A)
      8. 9.13.8  System Module (SYS)
      9. 9.13.9  DMA Controller
      10. 9.13.10 Enhanced Universal Serial Communication Interface (eUSCI)
      11. 9.13.11 TA0, TA1, and TA4
      12. 9.13.12 TA2 and TA3
      13. 9.13.13 TB0
      14. 9.13.14 ADC12_B
      15. 9.13.15 USS_A
      16. 9.13.16 Comparator_E
      17. 9.13.17 CRC16
      18. 9.13.18 CRC32
      19. 9.13.19 AES256 Accelerator
      20. 9.13.20 True Random Seed
      21. 9.13.21 Shared Reference (REF)
      22. 9.13.22 LCD_C
      23. 9.13.23 Embedded Emulation
        1. 9.13.23.1 Embedded Emulation Module (EEM) (S Version)
        2. 9.13.23.2 EnergyTrace++ Technology
    14. 9.14 Input/Output Diagrams
      1. 9.14.1  Port Function Select Registers (PySEL1 , PySEL0)
      2. 9.14.2  Port P1 (P1.0 and P1.1) Input/Output With Schmitt Trigger
      3. 9.14.3  Port P1 (P1.2 to P1.5) Input/Output With Schmitt Trigger
      4. 9.14.4  Port P1 (P1.6 to P1.7) Input/Output With Schmitt Trigger
      5. 9.14.5  Port P2 (P2.0 to P2.1) Input/Output With Schmitt Trigger
      6. 9.14.6  Port P2 (P2.2 to P2.3) Input/Output With Schmitt Trigger
      7. 9.14.7  Port P2 (P2.4 to P2.5) Input/Output With Schmitt Trigger
      8. 9.14.8  Port P2 (P2.6 to P2.7) Input/Output With Schmitt Trigger
      9. 9.14.9  Port P3 (P3.0) Input/Output With Schmitt Trigger
      10. 9.14.10 Port P3 (P3.1) Input/Output With Schmitt Trigger
      11. 9.14.11 Port P3 (P3.2) Input/Output With Schmitt Trigger
      12. 9.14.12 Port P3 (P3.3) Input/Output With Schmitt Trigger
      13. 9.14.13 Port P3 (P3.4 to P3.5) Input/Output With Schmitt Trigger
      14. 9.14.14 Port P3 (P3.6 to P3.7) Input/Output With Schmitt Trigger
      15. 9.14.15 Port P4 (P4.0) Input/Output With Schmitt Trigger
      16. 9.14.16 Port P4 (P4.1 to P4.7) Input/Output With Schmitt Trigger
      17. 9.14.17 Port P5 (P5.0 to P5.7) Input/Output With Schmitt Trigger
      18. 9.14.18 Port P6 (P6.0) Input/Output With Schmitt Trigger
      19. 9.14.19 Port P6 (P6.1 to P6.2) Input/Output With Schmitt Trigger
      20. 9.14.20 Port P6 (P6.3) Input/Output With Schmitt Trigger
      21. 9.14.21 Port P6 (P6.4) Input/Output With Schmitt Trigger
      22. 9.14.22 Port P6 (P6.5 and P6.7) Input/Output With Schmitt Trigger
      23. 9.14.23 Port P7 (P7.0) Input/Output With Schmitt Trigger
      24. 9.14.24 Port PJ (PJ.0 to PJ.3) JTAG Pins TDO, TMS, TCK, TDI/TCLK, Input/Output With Schmitt Trigger
      25. 9.14.25 Port PJ (PJ.4 and PJ.5) Input/Output With Schmitt Trigger
      26. 9.14.26 Port PJ (PJ.6 and PJ.7) Input/Output With Schmitt Trigger
    15. 9.15 Device Descriptors (TLV)
    16. 9.16 Memory Map
      1. 9.16.1 Peripheral File Map
    17. 9.17 Identification
      1. 9.17.1 Revision Identification
      2. 9.17.2 Device Identification
      3. 9.17.3 JTAG Identification
  10. 10Applications, Implementation, and Layout
    1. 10.1 Device Connection and Layout Fundamentals
      1. 10.1.1  Power Supply and Bulk Capacitors
      2. 10.1.2  External Oscillator (HFXT and LFXT)
      3. 10.1.3  USS Oscillator (USSXT)
      4. 10.1.4  Transducer Connection to the USS Module
      5. 10.1.5  Charge Pump Control of Input Multiplexer
      6. 10.1.6  JTAG
      7. 10.1.7  Reset
      8. 10.1.8  Unused Pins
      9. 10.1.9  General Layout Recommendations
      10. 10.1.10 Do's and Don'ts
    2. 10.2 Peripheral- and Interface-Specific Design Information
      1. 10.2.1 ADC12_B Peripheral
        1. 10.2.1.1 Partial Schematic
        2. 10.2.1.2 Design Requirements
        3. 10.2.1.3 Detailed Design Procedure
        4. 10.2.1.4 Layout Guidelines
      2. 10.2.2 LCD_C Peripheral
        1. 10.2.2.1 Partial Schematic
        2. 10.2.2.2 Design Requirements
        3. 10.2.2.3 Detailed Design Procedure
        4. 10.2.2.4 Layout Guidelines
  11. 11Device and Documentation Support
    1. 11.1 Getting Started
    2. 11.2 Device Nomenclature
    3. 11.3 Tools and Software
    4. 11.4 Documentation Support
    5. 11.5 Support Resources
    6. 11.6 Trademarks
    7. 11.7 Electrostatic Discharge Caution
    8. 11.8 术语表
    9. 11.9 Export Control Notice
  12. 12Mechanical, Packaging, and Orderable Information

封装选项

机械数据 (封装 | 引脚)
散热焊盘机械数据 (封装 | 引脚)
订购信息

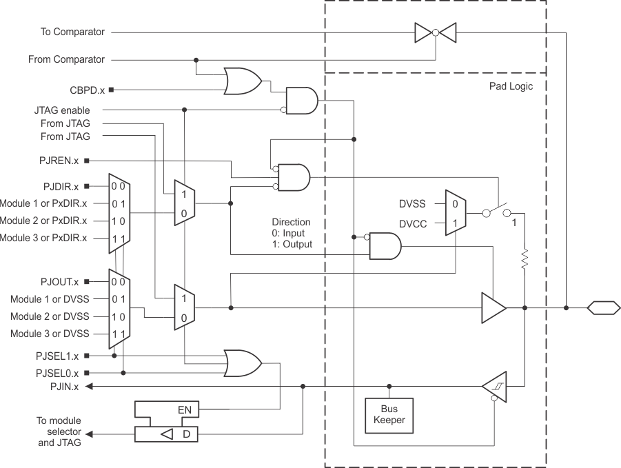
Port PJ (PJ.0 to PJ.3) JTAG Pins TDO, TMS, TCK, TDI/TCLK, Input/Output With Schmitt Trigger

Figure 9-25 shows the port diagram. Table 9-47 summarizes the selection of the pin function.

GUID-C95658C8-AFF2-4E3C-96E3-37587D25E71F-low.gif
Functional representation only.
Figure 9-25 Port PJ (PJ.0 to PJ.3) Diagram
Table 9-47 Port PJ (PJ.0 to PJ.3) Pin Functions
PIN NAME (PJ.x) PN 80 PM RGC 64 FUNCTION CONTROL BITS/ SIGNALS(1)
PJDIR.x PJSEL1.x PJSEL0.x CEPDx (Cx)
PJ.0/TDO/UCA2CLK/ SRSCG1/DMAE0/C10 17 13 PJ.0 (I/O)(2) 0 = Input, 1 = Output 0 0 0
TDO(3) X X X 0
UCA2CLK X(6) 0 1 0
N/A 0 1 0 0
CPU Status Register Bit SCG1 1
DMAE0 0 1 1 0
Internally tied to DVSS 1
C10(4) X X X 1
PJ.1/TDI/TCLK/ UCA2STE/SRSCG0/ TA4CLK/C11 18 14 PJ.1 (I/O)(2) 0 = Input, 1 = Output 0 0 0
TDI/TCLK(3) (5) X X X 0
UCA2STE X(6) 0 1 0
N/A 0 1 0 0
CPU Status Register Bit SCG0 1
TA4CLK 0 1 1 0
Internally tied to DVSS 1
C11(4) X X X 1
PJ.2/TMS/UCA2SIMO/ UCA2TXD/SROSCOFF/ TB0OUTH/C12 19 15 PJ.2 (I/O)(2) 0 = Input, 1 = Output 0 0 0
TMS(3) (5) X X X 0
UCA2SIMO/UCA2TXD X(6) 0 1 0
N/A 0 1 0 0
CPU Status Register Bit OSCOFF 1
TB0OUTH 0 1 1 0
Internally tied to DVSS 1
C12(4) X X X 1
PJ.3/TCK/UCA2SOMI/ UCA2RXD/SRCPUOFF/ TB0.6/C13 20 16 PJ.3 (I/O)(2) 0 = Input, 1 = Output 0 0 0
TCK(3) (5) X X X 0
UCA2SOMI/UCA2RXD X(6) 0 1 0
N/A 0 1 0 0
CPU Status Register Bit CPUOFF 1
TB0.CCI6A 0 1 1 0
TB0.6 1
C13(4) X X X 1
X = Don't care
Default condition
The pin direction is controlled by the JTAG module. JTAG mode selection is made through the SYS module or by the Spy-Bi-Wire four-wire entry sequence. Neither PJSEL1.x and PJSEL0.x nor CEPDx bits have an effect in these cases.
Setting the CEPDx bit of the comparator disables the output driver and the input Schmitt trigger to prevent parasitic cross currents when applying analog signals. Selecting the Cx input pin to the comparator multiplexer with the input select bits in the comparator module automatically disables The output driver and input buffer for that pin, regardless of the state of the associated CEPDx bit.
In JTAG mode, pullups are activated automatically on TMS, TCK, and TDI/TCLK. PJREN.x are don't care.
Direction is controlled by the eUSCI_A2 module.