ZHCSJA6B January 2019 – December 2021 MSP430FR5041 , MSP430FR5043 , MSP430FR50431 , MSP430FR6041 , MSP430FR6043 , MSP430FR60431
PRODUCTION DATA
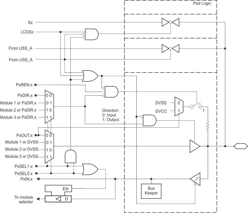
Figure 9-24 shows the port diagram. Table 9-46 summarizes the selection of the pin function.

| PIN NAME (P7.x) | PN 80 | PM RGC 64 | FUNCTION | CONTROL BITS OR SIGNALS (1) | |||
|---|---|---|---|---|---|---|---|
| P7DIR.x | P7SEL1.x | P7EL0.x | LCDSz | ||||
| P7.0/TA1.0./TA1.2/XPB0/ LCDS30 | 55 | 46 | P7.0 (I/O) | 0 = Input, 1 = Output | 0 | 0 | 0 |
| TA1.CCI0B | 0 | 0 | 1 | 0 | |||
| TA1.0 | 1 | ||||||
| N/A | 0 | 1 | 0 | 0 | |||
| TA1.2 | 1 | ||||||
| XPB0 | X(2) | X | X | X | |||
| Sz (3) | X | X | 0 | 1 | |||
| 0 | X | 1 | |||||