ZHCSI95H July   2000  – May 2018 MSP430F133 , MSP430F135 , MSP430F147 , MSP430F1471 , MSP430F148 , MSP430F1481 , MSP430F149 , MSP430F1491

PRODUCTION DATA.  

  1. 1器件概述
    1. 1.1 特性
    2. 1.2 应用
    3. 1.3 说明
    4. 1.4 功能框图
  2. 2修订历史记录
  3. 3Device Comparison
    1. 3.1 Related Products
  4. 4Terminal Configuration and Functions
    1. 4.1 Pin Diagrams
    2. 4.2 Signal Descriptions
      1. Table 4-1 Signal Descriptions for MSP430F13x and MSP430F14x
      2. Table 4-2 Signal Descriptions for MSP430F14x1
  5. 5Specifications
    1. 5.1  Absolute Maximum Ratings
    2. 5.2  ESD Ratings
    3. 5.3  Recommended Operating Conditions
    4. 5.4  Supply Current Into AVCC and DVCC Excluding External Current
    5. 5.5  Thermal Resistance Characteristics
    6. 5.6  Schmitt-Trigger Inputs – Ports P1, P2, P3, P4, P5, and P6
    7. 5.7  Standard Inputs – RST/NMI, JTAG (TCK, TMS, TDI/TCLK, TDO/TDI)
    8. 5.8  Inputs – Px.y, TAx, TBx
    9. 5.9  Leakage Current
    10. 5.10 Outputs – Ports P1, P2, P3, P4, P5, and P6
    11. 5.11 Output Frequency
    12. 5.12 Typical Characteristics – Ports P1, P2, P3, P4, P5, and P6 Outputs
    13. 5.13 Wake-up Time From LPM3
    14. 5.14 RAM
    15. 5.15 Comparator_A
    16. 5.16 Typical Characteristics – Comparator_A
    17. 5.17 PUC and POR
    18. 5.18 DCO Frequency
    19. 5.19 DCO When Using ROSC
    20. 5.20 Crystal Oscillator, LFXT1
    21. 5.21 Crystal Oscillator, XT2
    22. 5.22 USART0, USART1
    23. 5.23 12-Bit ADC, Power Supply and Input Range Conditions
    24. 5.24 12-Bit ADC, External Reference
    25. 5.25 12-Bit ADC, Built-In Reference
    26. 5.26 12-Bit ADC, Timing Parameters
    27. 5.27 12-Bit ADC, Linearity Parameters
    28. 5.28 12-Bit ADC, Temperature Sensor and Built-In VMID
    29. 5.29 Flash Memory
    30. 5.30 JTAG Interface
    31. 5.31 JTAG Fuse
  6. 6Detailed Description
    1. 6.1 CPU
    2. 6.2 Instruction set
    3. 6.3 Operating Modes
    4. 6.4 Interrupt Vector Addresses
    5. 6.5 Bootloader (BSL)
    6. 6.6 JTAG Fuse Check Mode
    7. 6.7 Memory
      1. 6.7.1 Flash Memory
      2. 6.7.2 Special Function Registers
        1. Table 6-6   Interrupt Enable 1 Register Field Descriptions
        2. Table 6-7   Interrupt Enable 2 Register Field Descriptions
        3. Table 6-8   Interrupt Flag 1 Register Field Descriptions
        4. Table 6-9   Interrupt Flag 2 Register Field Descriptions
        5. Table 6-10 Module Enable 1 Bit Register Field Descriptions
        6. Table 6-11 Module Enable 2 Bit Register Field Descriptions
    8. 6.8 Peripherals
      1. 6.8.1  Digital I/O
      2. 6.8.2  Oscillator and System Clock
      3. 6.8.3  Watchdog Timer (WDT)
      4. 6.8.4  Hardware Multiplier (MSP430F14x and MSP430F14x1 Only)
      5. 6.8.5  USART0
      6. 6.8.6  USART1 (MSP430F14x and MSP430F14x1 Only)
      7. 6.8.7  Comparator_A
      8. 6.8.8  ADC12 (MSP430F14x and MSP430F13x Only)
      9. 6.8.9  Timer_A3
      10. 6.8.10 Timer_B3 (MSP430F13x Only)
      11. 6.8.11 Timer_B7 (MSP430F14x and MSP430F14x1 Only)
      12. 6.8.12 Peripheral File Map
    9. 6.9 Input/Output Diagrams
      1. 6.9.1 Port P1, Input/Output With Schmitt Trigger
      2. 6.9.2 Port P2, Input/Output With Schmitt Trigger
      3. 6.9.3 Port P3, Input/Output With Schmitt Trigger
      4. 6.9.4 Port P4, Input/Output With Schmitt Trigger
      5. 6.9.5 Port P5, Input/Output With Schmitt Trigger
      6. 6.9.6 Port P6, Input/Output With Schmitt Trigger
      7. 6.9.7 Port JTAG (TMS, TCK, TDI/TCLK, TDO/TDI), Input/Output With Schmitt Trigger
  7. 7器件和文档支持
    1. 7.1  入门和后续步骤
    2. 7.2  器件命名规则
    3. 7.3  工具和软件
    4. 7.4  文档支持
    5. 7.5  相关链接
    6. 7.6  社区资源
    7. 7.7  商标
    8. 7.8  静电放电警告
    9. 7.9  出口管制提示
    10. 7.10 术语表
  8. 8机械、封装和可订购信息

封装选项

机械数据 (封装 | 引脚)
散热焊盘机械数据 (封装 | 引脚)
订购信息

Port P2, Input/Output With Schmitt Trigger

MSP430F149 MSP430F148 MSP430F147 MSP430F1491 MSP430F1481 MSP430F1471 MSP430F135 MSP430F133 port-p2-01267.gifFigure 6-11 Port P2 (P2.0 to P2.2, P2.6, and P2.7) Diagram

Table 6-17 Port P2 (P2.0 to P2.2, P2.6, and P2.7) Pin Functions

PnSel.x PnDIR.x DIRECTION CONTROL FROM MODULE PnOUT.x MODULE X OUT PnIN.x MODULE X IN PnIE.x PnIFG.x PnIES.x
P2Sel.0 P2DIR.0 P2DIR.0 P2OUT.0 ACLK P2IN.0 unused P2IE.0 P2IFG.0 P2IES.0
P2Sel.1 P2DIR.1 P2DIR.1 P2OUT.1 DVSS P2IN.1 INCLK(1) P2IE.1 P2IFG.1 P2IES.1
P2Sel.2 P2DIR.2 P2DIR.2 P2OUT.2 CAOUT(2) P2IN.2 CCI0B(1) P2IE.2 P2IFG.2 P2IES.2
P2Sel.6 P2DIR.6 P2DIR.6 P2OUT.6 ADC12CLK(3) P2IN.6 unused P2IE.6 P2IFG.6 P2IES.6
P2Sel.7 P2DIR.7 P2DIR.7 P2OUT.7 Out0 signal(4) P2IN.7 unused P2IE.7 P2IFG.7 P2IES.7
Signal to Timer_A
Signal from Comparator_A
ADC12CLK signal is output of the 12-bit ADC module
Signal from Timer_A
MSP430F149 MSP430F148 MSP430F147 MSP430F1491 MSP430F1481 MSP430F1471 MSP430F135 MSP430F133 port-p2-34.gifFigure 6-12 Port P2 (P2.3 and P2.4) Diagram

Table 6-18 Port P2 (P2.3 and P2.4) Pin Functions

PnSel.x PnDIR.x DIRECTION CONTROL FROM MODULE PnOUT.x MODULE X OUT PnIN.x MODULE X IN PnIE.x PnIFG.x PnIES.x
P2Sel.3 P2DIR.3 P2DIR.3 P2OUT.3 Out1 signal(1) P2IN.3 unused P2IE.3 P2IFG.3 P2IES.3
P2Sel.4 P2DIR.4 P2DIR.4 P2OUT.4 Out2 signal(1) P2IN.4 unused P2IE.4 P2IFG.4 P2IES.4
Signal from Timer_A
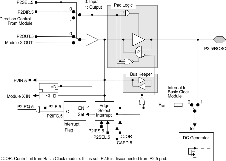
MSP430F149 MSP430F148 MSP430F147 MSP430F1491 MSP430F1481 MSP430F1471 MSP430F135 MSP430F133 port-p2-5.gifFigure 6-13 Port P2 (P2.5) Diagram

Table 6-19 Port P2 (P2.5) Pin Functions

PnSel.x PnDIR.x DIRECTION CONTROL FROM MODULE PnOUT.x MODULE X OUT PnIN.x MODULE X IN PnIE.x PnIFG.x PnIES.x
P2Sel.5 P2DIR.5 P2DIR.5 P2OUT.5 DVSS P2IN.5 unused P2IE.5 P2IFG.5 P2IES.5