ZHCSM98D August   2020  – December 2023 DP83TD510E

PRODUCTION DATA  

  1.   1
  2. 特性
  3. 应用
  4. 说明
  5. 引脚配置和功能
    1.     引脚功能
  6. 规格
    1. 5.1 绝对最大额定值
    2. 5.2 ESD 等级
    3. 5.3 建议运行条件
    4. 5.4 热性能信息
    5. 5.5 电气特性
    6. 5.6 时序要求
    7. 5.7 时序图
  7. 详细说明
    1. 6.1 概述
    2. 6.2 功能方框图
    3. 6.3 特性说明
      1. 6.3.1  自动协商(速度选择)
      2. 6.3.2  中继器模式
      3. 6.3.3  介质转换器
      4. 6.3.4  时钟输出
      5. 6.3.5  媒体独立接口 (MII)
      6. 6.3.6  简化媒体独立接口 (RMII)
      7. 6.3.7  RMII 低功耗 5MHz 模式
      8. 6.3.8  RGMII 接口
      9. 6.3.9  串行管理接口
      10. 6.3.10 扩展寄存器空间访问
        1. 6.3.10.1 读取(无后增量)操作
        2. 6.3.10.2 读取(有后增量)操作
        3. 6.3.10.3 写入(无后增量)操作
        4. 6.3.10.4 写入(有后增量)操作
      11. 6.3.11 环回模式
        1. 6.3.11.1 MII 环回
        2. 6.3.11.2 PCS 环回
        3. 6.3.11.3 数字环回
        4. 6.3.11.4 模拟环回
        5. 6.3.11.5 远端(反向)环回
      12. 6.3.12 BIST 配置
      13. 6.3.13 电缆诊断
        1. 6.3.13.1 TDR
        2. 6.3.13.2 快速链路断开功能
    4. 6.4 器件功能模式
      1. 6.4.1 Strap 配置
        1. 6.4.1.1 PHY 地址搭接
    5. 6.5 编程
    6. 6.6 MMD 寄存器地址映射
    7. 6.7 DP83TD510E 寄存器
  8. 应用和实施
    1. 7.1 应用信息
    2. 7.2 典型应用
      1. 7.2.1 终端电路
        1. 7.2.1.1 用于本质安全应用的终端电路
        2. 7.2.1.2 用于电源耦合/去耦的元件范围
        3. 7.2.1.3 用于非本质安全应用的终端电路
        4. 7.2.1.4 CMC 规格
      2. 7.2.2 设计要求
        1. 7.2.2.1 时钟要求
          1. 7.2.2.1.1 振荡器
          2. 7.2.2.1.2 晶体
    3. 7.3 电源相关建议
    4. 7.4 布局
      1. 7.4.1 布局指南
        1. 7.4.1.1 信号布线
        2. 7.4.1.2 返回路径
        3. 7.4.1.3 金属浇注
        4. 7.4.1.4 PCB 层堆叠
      2. 7.4.2 布局示例
  9. 器件和文档支持
    1. 8.1 器件支持
    2. 8.2 支持资源
    3. 8.3 商标
    4. 8.4 静电放电警告
    5. 8.5 术语表
  10. 修订历史记录
  11. 10机械、封装和可订购信息

封装选项

机械数据 (封装 | 引脚)
散热焊盘机械数据 (封装 | 引脚)
订购信息

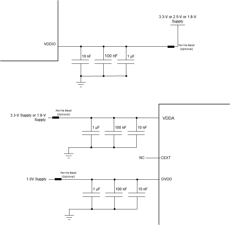
电源相关建议

DP83TD510E 能够采用单电源 3V3 运行。该器件支持在短距离 (1v p2p) 模式下由 1V8 的单电源供电运行。该器件还支持双电源供电以实现超低功耗。该器件还支持 VDDIO 在 3.3V、2.5V 或 1.8V 的电源电压下工作。PHY 能够自动检测 AVDD 和 VDDIO 的电源电平。

单电源运行:模拟电源应由 3.3V 或 1.8V 电压供电。3V3 的 AVDD 可以支持长距离 (2.4v p2p) 和短距离 (1v p2p) 模式。

请注意,对于 AVDD 1.8V,仅支持 1V p2p 的短电缆模式。

应配置适当的 strap,以确保“自动协商”发送 PHY 的正确功能。

建议电源去耦网络如下所示:

GUID-21900AE7-1F79-481F-A0C1-E0F543F8A100-low.gif图 7-5 DP83TD510E 单电源去耦建议

对于双电源运行,应单独提供外部 1.0V 数字电压轨。这有助于进一步降低 DP83TD510E 的功耗。请参阅下面的双电源连接。

GUID-6748D9F6-22CA-4099-AE8C-020545713094-low.gif图 7-6 DP83TD510E 双电源去耦建议