ZHCSU79C December   2023  – October 2025 AM62P , AM62P-Q1

PRODUCTION DATA  

  1.   1
  2. 特性
  3. 应用
  4. 说明
    1. 3.1 功能方框图
  5. 器件比较
    1. 4.1 相关产品
  6. 终端配置和功能
    1. 5.1 引脚图
    2. 5.2 引脚属性
      1.      11
      2.      12
    3. 5.3 信号说明
      1.      14
      2. 5.3.1  CPSW3G
        1. 5.3.1.1 MAIN 域
          1.        17
          2.        18
          3.        19
          4.        20
      3. 5.3.2  CPTS
        1. 5.3.2.1 MAIN 域
          1.        23
      4. 5.3.3  CSI-2
        1. 5.3.3.1 MAIN 域
          1.        26
      5. 5.3.4  DDRSS
        1. 5.3.4.1 MAIN 域
          1.        29
      6. 5.3.5  DSI
        1. 5.3.5.1 MAIN 域
          1.        32
      7. 5.3.6  DSS
        1. 5.3.6.1 MAIN 域
          1.        35
      8. 5.3.7  ECAP
        1. 5.3.7.1 MAIN 域
          1.        38
          2.        39
          3.        40
      9. 5.3.8  仿真和调试
        1. 5.3.8.1 MAIN 域
          1.        43
        2. 5.3.8.2 MCU 域
          1.        45
      10. 5.3.9  EPWM
        1. 5.3.9.1 MAIN 域
          1.        48
          2.        49
          3.        50
          4.        51
      11. 5.3.10 EQEP
        1. 5.3.10.1 MAIN 域
          1.        54
          2.        55
          3.        56
      12. 5.3.11 GPIO
        1. 5.3.11.1 MAIN 域
          1.        59
          2.        60
        2. 5.3.11.2 MCU 域
          1.        62
      13. 5.3.12 GPMC
        1. 5.3.12.1 MAIN 域
          1.        65
      14. 5.3.13 I2C
        1. 5.3.13.1 MAIN 域
          1.        68
          2.        69
          3.        70
          4.        71
        2. 5.3.13.2 MCU 域
          1.        73
        3. 5.3.13.3 WKUP 域
          1.        75
      15. 5.3.14 MCAN
        1. 5.3.14.1 MAIN 域
          1.        78
          2.        79
        2. 5.3.14.2 MCU 域
          1.        81
          2.        82
      16. 5.3.15 MCASP
        1. 5.3.15.1 MAIN 域
          1.        85
          2.        86
          3.        87
      17. 5.3.16 MCSPI
        1. 5.3.16.1 MAIN 域
          1.        90
          2.        91
          3.        92
        2. 5.3.16.2 MCU 域
          1.        94
          2.        95
      18. 5.3.17 MDIO
        1. 5.3.17.1 MAIN 域
          1.        98
      19. 5.3.18 MMC
        1. 5.3.18.1 MAIN 域
          1.        101
          2.        102
          3.        103
      20. 5.3.19 OLDI
        1. 5.3.19.1 MAIN 域
          1.        106
      21. 5.3.20 OSPI
        1. 5.3.20.1 MAIN 域
          1.        109
      22. 5.3.21 电源
        1.       111
      23. 5.3.22 保留
        1.       113
      24. 5.3.23 系统和其他
        1. 5.3.23.1 启动模式配置
          1. 5.3.23.1.1 MAIN 域
            1.         117
        2. 5.3.23.2 时钟
          1. 5.3.23.2.1 MCU 域
            1.         120
          2. 5.3.23.2.2 WKUP 域
            1.         122
        3. 5.3.23.3 系统
          1. 5.3.23.3.1 MAIN 域
            1.         125
          2. 5.3.23.3.2 MCU 域
            1.         127
          3. 5.3.23.3.3 WKUP 域
            1.         129
        4. 5.3.23.4 VMON
          1.        131
      25. 5.3.24 计时器
        1. 5.3.24.1 MAIN 域
          1.        134
        2. 5.3.24.2 MCU 域
          1.        136
        3. 5.3.24.3 WKUP 域
          1.        138
      26. 5.3.25 UART
        1. 5.3.25.1 MAIN 域
          1.        141
          2.        142
          3.        143
          4.        144
          5.        145
          6.        146
          7.        147
        2. 5.3.25.2 MCU 域
          1.        149
        3. 5.3.25.3 WKUP 域
          1.        151
      27. 5.3.26 USB
        1. 5.3.26.1 MAIN 域
          1.        154
          2.        155
    4. 5.4 引脚连接要求
  7. 规格
    1. 6.1  绝对最大额定值
    2. 6.2  未通过 AEC - Q100 认证的器件的 ESD 等级
    3. 6.3  符合 AEC - Q100 标准的器件的 ESD 等级
    4. 6.4  上电小时数 (POH)
    5. 6.5  建议运行条件
    6. 6.6  运行性能点
    7. 6.7  功耗摘要
    8. 6.8  电气特性
      1. 6.8.1  I2C 开漏和失效防护 (I2C OD FS) 电气特性
      2. 6.8.2  失效防护复位(FS 复位)电气特性
      3. 6.8.3  高频振荡器 (HFOSC) 电气特性
      4. 6.8.4  低频振荡器 (LFXOSC) 电气特性
      5. 6.8.5  eMMCPHY 电气特性
      6. 6.8.6  SDIO 电气特性
      7. 6.8.7  LVCMOS 电气特性
      8. 6.8.8  OLDI LVDS (OLDI) 电气特性
      9. 6.8.9  CSI-2 (D-PHY) 电气特性
      10. 6.8.10 DSI (D-PHY) 电气特性
      11. 6.8.11 USB2PHY 电气特性
      12. 6.8.12 DDR 电气特性
    9. 6.9  一次性可编程 (OTP) 电子保险丝的 VPP 规格
      1. 6.9.1 OTP 电子保险丝编程的建议运行条件
      2. 6.9.2 硬件要求
      3. 6.9.3 编程序列
      4. 6.9.4 对硬件保修的影响
    10. 6.10 热阻特性
      1. 6.10.1 AMH 封装的热阻特性
    11. 6.11 温度传感器特性
    12. 6.12 时序和开关特性
      1. 6.12.1 时序参数和信息
      2. 6.12.2 电源要求
        1. 6.12.2.1 电源压摆率要求
        2. 6.12.2.2 电源时序
          1. 6.12.2.2.1 上电时序
          2. 6.12.2.2.2 下电时序
          3. 6.12.2.2.3 部分 IO 电源时序
      3. 6.12.3 系统时序
        1. 6.12.3.1 复位时序
        2. 6.12.3.2 错误信号时序
        3. 6.12.3.3 时钟时序
      4. 6.12.4 时钟规范
        1. 6.12.4.1 输入时钟/振荡器
          1. 6.12.4.1.1 MCU_OSC0 内部振荡器时钟源
            1. 6.12.4.1.1.1 负载电容
            2. 6.12.4.1.1.2 并联电容
          2. 6.12.4.1.2 MCU_OSC0 LVCMOS 数字时钟源
          3. 6.12.4.1.3 WKUP_LFOSC0 内部振荡器时钟源
          4. 6.12.4.1.4 WKUP_LFOSC0 LVCMOS 数字时钟源
          5. 6.12.4.1.5 未使用 WKUP_LFOSC0
        2. 6.12.4.2 输出时钟
        3. 6.12.4.3 PLL
        4. 6.12.4.4 时钟和控制信号转换的建议系统预防措施
      5. 6.12.5 外设
        1. 6.12.5.1  CPSW3G
          1. 6.12.5.1.1 CPSW3G MDIO 时序
          2. 6.12.5.1.2 CPSW3G RMII 时序
          3. 6.12.5.1.3 CPSW3G RGMII 时序
        2. 6.12.5.2  CPTS
        3. 6.12.5.3  CSI-2
        4. 6.12.5.4  DDRSS
        5. 6.12.5.5  DSI
        6. 6.12.5.6  DSS
        7. 6.12.5.7  ECAP
        8. 6.12.5.8  仿真和调试
          1. 6.12.5.8.1 迹线
          2. 6.12.5.8.2 JTAG
        9. 6.12.5.9  EPWM
        10. 6.12.5.10 EQEP
        11. 6.12.5.11 GPIO
        12. 6.12.5.12 GPMC
          1. 6.12.5.12.1 GPMC 和 NOR 闪存 - 同步模式
          2. 6.12.5.12.2 GPMC 和 NOR 闪存 - 异步模式
          3. 6.12.5.12.3 GPMC 和 NAND 闪存 - 异步模式
        13. 6.12.5.13 I2C
        14. 6.12.5.14 MCAN
        15. 6.12.5.15 MCASP
        16. 6.12.5.16 MCSPI
          1. 6.12.5.16.1 MCSPI - 控制器模式
          2. 6.12.5.16.2 MCSPI - 外设模式
        17. 6.12.5.17 MMCSD
          1. 6.12.5.17.1 MMC0 - eMMC 接口
            1. 6.12.5.17.1.1 旧 SDR 模式
            2. 6.12.5.17.1.2 高速 SDR 模式
            3. 6.12.5.17.1.3 高速 DDR 模式
            4. 6.12.5.17.1.4 HS200 模式
            5. 6.12.5.17.1.5 HS400 模式
          2. 6.12.5.17.2 MMC1/MMC2 - SD/SDIO 接口
            1. 6.12.5.17.2.1 默认速度模式
            2. 6.12.5.17.2.2 高速模式
            3. 6.12.5.17.2.3 UHS–I SDR12 模式
            4. 6.12.5.17.2.4 UHS–I SDR25 模式
            5. 6.12.5.17.2.5 UHS–I SDR50 模式
            6. 6.12.5.17.2.6 UHS-I DDR50 模式
            7. 6.12.5.17.2.7 UHS–I SDR104 模式
        18. 6.12.5.18 OLDI
          1. 6.12.5.18.1 OLDI0 开关特性
        19. 6.12.5.19 OSPI
          1. 6.12.5.19.1 OSPI0 PHY 模式
            1. 6.12.5.19.1.1 具有 PHY 数据训练的 OSPI0
            2. 6.12.5.19.1.2 无数据训练的 OSPI0
              1. 6.12.5.19.1.2.1 OSPI0 PHY SDR 时序
              2. 6.12.5.19.1.2.2 OSPI0 PHY DDR 时序
          2. 6.12.5.19.2 OSPI0 Tap 模式
            1. 6.12.5.19.2.1 OSPI0 Tap SDR 时序
            2. 6.12.5.19.2.2 OSPI0 Tap DDR 时序
        20. 6.12.5.20 计时器
        21. 6.12.5.21 UART
        22. 6.12.5.22 USB
  8. 详细说明
    1. 7.1 概述
    2. 7.2 处理器子系统
      1. 7.2.1 Arm Cortex-A53 子系统 (A53SS)
      2. 7.2.2 器件/电源管理器
      3. 7.2.3 MCU Arm Cortex-R5F 子系统
    3. 7.3 加速器和协处理器
      1. 7.3.1 图形处理单元 (GPU)
      2. 7.3.2 视频加速器
    4. 7.4 其他子系统
      1. 7.4.1 双时钟比较器 (DCC)
      2. 7.4.2 数据移动子系统 (DMSS)
      3. 7.4.3 存储器循环冗余校验 (MCRC)
      4. 7.4.4 外设 DMA 控制器 (PDMA)
      5. 7.4.5 实时时钟 (RTC)
    5. 7.5 外设
      1. 7.5.1  千兆位以太网交换机 (CPSW3G)
      2. 7.5.2  摄像头串行接口接收器 (CSI_RX_IF)
      3. 7.5.3  显示子系统 (DSS)
      4. 7.5.4  增强型捕获 (ECAP)
      5. 7.5.5  错误定位器模块 (ELM)
      6. 7.5.6  增强型脉宽调制 (EPWM)
      7. 7.5.7  错误信令模块 (ESM)
      8. 7.5.8  增强型正交编码器脉冲 (EQEP)
      9. 7.5.9  通用接口 (GPIO)
      10. 7.5.10 通用存储器控制器 (GPMC)
      11. 7.5.11 全局时基计数器 (GTC)
      12. 7.5.12 内部集成电路 (I2C)
      13. 7.5.13 模块化控制器局域网 (MCAN)
      14. 7.5.14 多通道音频串行端口 (MCASP)
      15. 7.5.15 多通道串行外设接口 (MCSPI)
      16. 7.5.16 多媒体卡安全数字 (MMCSD)
      17. 7.5.17 八进制串行外设接口 (OSPI)
      18. 7.5.18 计时器
      19. 7.5.19 通用异步收发器 (UART)
      20. 7.5.20 通用串行总线子系统 (USBSS)
  9. 应用、实现和布局
    1. 8.1 器件连接和布局基本准则
      1. 8.1.1 电源
        1. 8.1.1.1 电源设计
        2. 8.1.1.2 配电网络实施指南
      2. 8.1.2 外部振荡器
      3. 8.1.3 JTAG、仿真和跟踪
      4. 8.1.4 未使用的引脚
    2. 8.2 外设和接口的相关设计信息
      1. 8.2.1 DDR 电路板设计和布局布线指南
      2. 8.2.2 eMMC HS400 电路板设计和仿真指南
      3. 8.2.3 OSPI/QSPI/SPI 电路板设计和布局指南
        1. 8.2.3.1 无环回、内部 PHY 环回和内部焊盘环回
        2. 8.2.3.2 外部电路板环回
        3. 8.2.3.3 DQS(仅适用于八路 SPI 器件)
      4. 8.2.4 USB VBUS 设计指南
      5. 8.2.5 系统电源监测设计指南
      6. 8.2.6 高速差分信号布线指南
      7. 8.2.7 散热解决方案指导
    3. 8.3 时钟布线指南
      1. 8.3.1 振荡器路由
  10. 器件和文档支持
    1. 9.1 器件命名规则
      1. 9.1.1 标准封装编号法
      2. 9.1.2 器件命名约定
    2. 9.2 工具与软件
    3. 9.3 文档支持
    4. 9.4 支持资源
    5. 9.5 商标
    6. 9.6 静电放电警告
    7. 9.7 术语表
  11. 10修订历史记录
  12. 11机械、封装和可订购信息
    1. 11.1 封装信息

封装选项

请参考 PDF 数据表获取器件具体的封装图。

机械数据 (封装 | 引脚)
  • AMH|466
散热焊盘机械数据 (封装 | 引脚)
订购信息

GPMC 和 NOR 闪存 - 异步模式

表 6-67表 6-68 展示了 GPMC 和 NOR 闪存的时序要求和开关特性 - 异步模式。

表 6-67 GPMC 和 NOR 闪存时序要求 – 异步模式 请参阅图 6-51图 6-52图 6-53图 6-55
编号 参数 说明 最小值 最大值 单位
FA5(1) tacc(d) 数据访问时间 H(5) ns
FA20(2) tacc1-pgmode(d) 页面模式连续数据访问时间 P(4) ns
FA21(3) tacc2-pgmode(d) 页面模式首个数据访问时间 H(5) ns
FA5 参数说明了在内部对输入数据进行采样所需的时间。该参数以 GPMC 功能时钟周期数表示。从读取周期开始到 FA5 功能时钟周期结束后,输入数据通过有效功能时钟边沿在内部采样。FA5 值必须存储在 AccessTime 寄存器位字段内。
FA20 参数说明了在内部对连续输入页面数据进行采样所需的时间。该参数以 GPMC 功能时钟周期数表示。每次访问输入页面数据后,下一个输入页面数据将在 FA20 功能时钟周期后通过有效功能时钟边沿进行内部采样。FA20 值必须存储在 PageBurstAccessTime 寄存器位字段中。
FA21 参数说明了在内部对首个输入页面数据进行采样所需的时间。该参数以 GPMC 功能时钟周期数表示。从读取周期开始到 FA21 功能时钟周期结束后,首个输入页面数据通过有效功能时钟边沿在内部采样。FA21 值必须存储在 AccessTime 寄存器位字段内。
P = PageBurstAccessTime × (TimeParaGranularity + 1) × GPMC_FCLK(6)
H = AccessTime × (TimeParaGranularity + 1) × GPMC_FCLK(6)
GPMC_FCLK 是通用存储器控制器内部功能时钟周期(以 ns 为单位)。
表 6-68 GPMC 和 NOR 闪存开关特性 – 异步模式 请参阅图 6-51图 6-52图 6-53图 6-54图 6-55图 6-56
编号 参数 说明 最小值 最大值 单位
FA0 tw(be[x]nV) 脉冲持续时间,输出低字节使能和命令锁存使能 GPMC_BE0n_CLE、输出高字节使能 GPMC_BE1n 有效时间 N(12) ns
FA1 tw(csnV) 脉冲持续时间,输出片选 GPMC_CSn[i](13) 低电平 A(1) ns
FA3 td(csnV-advnIV) 延迟时间,输出片选 GPMC_CSn[i](13) 有效到输出地址有效和地址锁存使能 GPMC_ADVn_ALE 无效 B(2) - 2 B(2) + 2 ns
FA4 td(csnV-oenIV) 延迟时间,输出片选 GPMC_CSn[i](13) 有效到输出使能 GPMC_OEn_REn 无效(单次读取) C(3) - 2 C(3) + 2 ns
FA9 td(aV-csnV) 延迟时间,输出地址 GPMC_A[27:1] 有效到输出片选 GPMC_CSn[i](13) 有效 J(9) - 2 J(9) + 2 ns
FA10 td(be[x]nV-csnV) 延迟时间,输出低字节使能和命令锁存使能 GPMC_BE0n_CLE、输出高字节使能 GPMC_BE1n 有效到输出片选 GPMC_CSn[i](13) 有效 J(9) - 2 J(9) + 2 ns
FA12 td(csnV-advnV) 延迟时间,输出片选 GPMC_CSn[i](13) 有效到输出地址有效和地址锁存使能 GPMC_ADVn_ALE 有效 K(10) - 2 K(10) + 2 ns
FA13 td(csnV-oenV) 延迟时间,输出片选 GPMC_CSn[i](13) 有效到输出使能 GPMC_OEn_REn 有效 L(11) - 2 L(11) + 2 ns
FA16 tw(aIV) 脉冲持续时间,输出地址 GPMC_A[26:1] 在 2 次连续读取和写入访问之间无效 G(7) ns
FA18 td(csnV-oenIV) 延迟时间,输出片选 GPMC_CSn[i](13) 有效到输出使能 GPMC_OEn_REn 无效(突发读取) I(8) - 2 I(8) + 2 ns
FA20 tw(aV) 脉冲持续时间,输出地址 GPMC_A[27:1] 有效 - 第 2、3、4 次访问 D(4) ns
FA25 td(csnV-wenV) 延迟时间,输出片选 GPMC_CSn[i](13) 有效到输出写入使能 GPMC_WEn 有效 E(5) - 2 E(5) + 2 ns
FA27 td(csnV-wenIV) 延迟时间,输出片选 GPMC_CSn[i](13) 有效到输出写入使能 GPMC_WEn 无效 F(6) - 2 F(6) + 2 ns
FA28 td(wenV-dV) 延迟时间,输出写入使能 GPMC_WEn 有效到输出数据 GPMC_AD[15:0] 有效 2 ns
FA29 td(dV-csnV) 延迟时间,输出数据 GPMC_AD[15:0] 有效到输出片选 GPMC_CSn[i](13) 有效 J(9) - 2 J(9) + 2 ns
FA37 td(oenV-aIV) 延迟时间,输出使能 GPMC_OEn_REn 有效到输出地址 GPMC_AD[15:0] 阶段结束 2 ns
对于单次读取:A = (CSRdOffTime - CSOnTime) × (TimeParaGranularity + 1) × GPMC_FCLK(14)
对于单次写入:A = (CSWrOffTime - CSOnTime) × (TimeParaGranularity + 1) × GPMC_FCLK(14)
对于突发读取:A = (CSRdOffTime - CSOnTime + (n - 1) × PageBurstAccessTime) × (TimeParaGranularity + 1) × GPMC_FCLK(14)
对于突发写入:A = (CSWrOffTime - CSOnTime + (n - 1) × PageBurstAccessTime) × (TimeParaGranularity + 1) × GPMC_FCLK(14)
n 是页面突发访问编号
对于读取:B = ((ADVRdOffTime - CSOnTime) × (TimeParaGranularity + 1) + 0.5 × (ADVExtraDelay - CSExtraDelay)) × GPMC_FCLK(14)
对于写入:B = ((ADVWrOffTime - CSOnTime) × (TimeParaGranularity + 1) + 0.5 × (ADVExtraDelay - CSExtraDelay)) × GPMC_FCLK(14)
C = ((OEOffTime - CSOnTime) × (TimeParaGranularity + 1) + 0.5 × (OEExtraDelay - CSExtraDelay)) × GPMC_FCLK(14)
D = PageBurstAccessTime × (TimeParaGranularity + 1) × GPMC_FCLK(14)
E = ((WEOnTime - CSOnTime) × (TimeParaGranularity + 1) + 0.5 × (WEExtraDelay - CSExtraDelay)) × GPMC_FCLK(14)
F = ((WEOffTime - CSOnTime) × (TimeParaGranularity + 1) + 0.5 × (WEExtraDelay - CSExtraDelay)) × GPMC_FCLK(14)
G = Cycle2CycleDelay × GPMC_FCLK(14)
I = ((OEOffTime + (n - 1) × PageBurstAccessTime - CSOnTime) × (TimeParaGranularity + 1) + 0.5 × (OEExtraDelay - CSExtraDelay)) × GPMC_FCLK(14)
J = (CSOnTime × (TimeParaGranularity + 1) + 0.5 × CSExtraDelay) × GPMC_FCLK(14)
K = ((ADVOnTime - CSOnTime) × (TimeParaGranularity + 1) + 0.5 × (ADVExtraDelay - CSExtraDelay)) × GPMC_FCLK(14)
L = ((OEOnTime - CSOnTime) × (TimeParaGranularity + 1) + 0.5 × (OEExtraDelay - CSExtraDelay)) × GPMC_FCLK(14)
对于单次读取:N = RdCycleTime × (TimeParaGranularity + 1) × GPMC_FCLK(14)
对于单次写入:N = WrCycleTime × (TimeParaGranularity + 1) × GPMC_FCLK(14)
对于突发读取:N = (RdCycleTime + (n - 1) × PageBurstAccessTime) × (TimeParaGranularity + 1) × GPMC_FCLK(14)
对于突发写入:N = (WrCycleTime + (n - 1) × PageBurstAccessTime) × (TimeParaGranularity + 1) × GPMC_FCLK(14)
在 GPMC_CSn[i] 中,i 等于 0、1、2 或 3。
GPMC_FCLK 是通用存储器控制器内部功能时钟周期(以 ns 为单位)。
AM62P AM62P-Q1 GPMC 和 NOR 闪存 - 异步读取 - 单字
在 GPMC_CSn[i] 中,i 等于 0、1、2 或 3。在 GPMC_WAIT[j] 中,j 等于 0 或 1。
FA5 参数说明了在内部对输入数据进行采样所需的时间。该参数以 GPMC 功能时钟周期数表示。从读取周期开始到 FA5 功能时钟周期结束后,输入数据将通过有效功能时钟边沿在内部采样。FA5 值必须存储在 AccessTime 寄存器位字段内。
GPMC_FCLK 是内部时钟(GPMC 功能时钟),不从外部提供。
图 6-51 GPMC 和 NOR 闪存 - 异步读取 - 单字
AM62P AM62P-Q1 GPMC 和 NOR 闪存 - 异步读取 - 32 位
在 GPMC_CSn[i] 中,i 等于 0、1、2 或 3。在 GPMC_WAIT[j] 中,j 等于 0 或 1。
FA5 参数说明了在内部对输入数据进行采样所需的时间。该参数以 GPMC 功能时钟周期数表示。从读取周期开始到 FA5 功能时钟周期结束后,输入数据将通过有效功能时钟边沿在内部采样。FA5 值必须存储在 AccessTime 寄存器位字段内。
GPMC_FCLK 是内部时钟(GPMC 功能时钟),不从外部提供。
图 6-52 GPMC 和 NOR 闪存 - 异步读取 - 32 位
AM62P AM62P-Q1 GPMC 和 NOR 闪存 - 异步读取 - 页面模式 4x16 位
在 GPMC_CSn[i] 中,i 等于 0、1、2 或 3。在 GPMC_WAIT[j] 中,j 等于 0 或 1。
FA21 参数说明了在内部对首个输入页面数据进行采样所需的时间。该参数以 GPMC 功能时钟周期数表示。从读取周期开始到 FA21 功能时钟周期结束后,首个输入页面数据将通过有效功能时钟边沿在内部采样。FA21 计算结果必须存储在 AccessTime 寄存器位字段内。
FA20 参数说明了在内部对连续输入页面数据进行采样所需的时间。该参数以 GPMC 功能时钟周期数表示。每次访问输入页面数据后,下一个输入页面数据将在 FA20 功能时钟周期后通过有效功能时钟边沿进行内部采样。FA20 也是连续输入页面数据(不包括第一个输入页面数据)的寻址阶段的持续时间。FA20 值必须存储在 PageBurstAccessTime 寄存器位字段中。
GPMC_FCLK 是内部时钟(GPMC 功能时钟),不从外部提供。
图 6-53 GPMC 和 NOR 闪存 - 异步读取 - 页面模式 4x16 位
AM62P AM62P-Q1 GPMC 和 NOR 闪存 - 异步写入 - 单字
在 GPMC_CSn[i] 中,i 等于 0、1、2 或 3。在 GPMC_WAIT[j] 中,j 等于 0 或 1。
图 6-54 GPMC 和 NOR 闪存 - 异步写入 - 单字
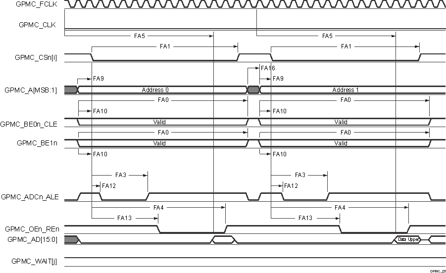
AM62P AM62P-Q1 GPMC 和多路复用 NOR 闪存 - 异步读取 - 单字
在 GPMC_CSn[i] 中,i 等于 0、1、2 或 3。在 GPMC_WAIT[j] 中,j 等于 0 或 1。
FA5 参数说明了在内部对输入数据进行采样所需的时间。该参数以 GPMC 功能时钟周期数表示。从读取周期开始到 FA5 功能时钟周期结束后,输入数据将通过有效功能时钟边沿在内部采样。FA5 值必须存储在 AccessTime 寄存器位字段内。
GPMC_FCLK 是内部时钟(GPMC 功能时钟),不从外部提供。
图 6-55 GPMC 和多路复用 NOR 闪存 - 异步读取 - 单字
AM62P AM62P-Q1 GPMC 和多路复用 NOR 闪存 - 异步写入 - 单字
在 GPMC_CSn[i] 中,i 等于 0、1、2 或 3。在 GPMC_WAIT[j] 中,j 等于 0 或 1。
图 6-56 GPMC 和多路复用 NOR 闪存 - 异步写入 - 单字