ZHCSNU9G April   2021  – May 2024 AM2431 , AM2432 , AM2434

PRODUCTION DATA  

  1.   1
  2. 特性
  3. 应用
  4. 说明
    1. 3.1 功能方框图
  5. 器件比较
    1. 4.1 相关产品
  6. 终端配置和功能
    1. 5.1 引脚图
      1. 5.1.1 AM243x ALV 引脚图
      2. 5.1.2 AM243x ALX 引脚图
    2. 5.2 引脚属性
      1.      13
      2.      14
      3. 5.2.1 AM243x 封装比较表(ALV 与 ALX)
    3. 5.3 信号说明
      1.      17
      2. 5.3.1  AM243x_ALX 封装 - 不支持的接口和信号
      3. 5.3.2  ADC
        1.       主域实例
          1.        21
      4. 5.3.3  CPSW
        1.       主域实例
          1.        24
          2.        25
          3.        26
          4.        27
          5. 5.3.3.1.1 CPSW3G IOSET
      5. 5.3.4  CPTS
        1.       主域实例
          1.        31
          2.        32
      6. 5.3.5  DDRSS
        1.       主域实例
          1.        35
      7. 5.3.6  ECAP
        1.       主域实例
          1.        38
          2.        39
          3.        40
      8. 5.3.7  仿真和调试
        1.       主域实例
          1.        43
        2.       MCU 域实例
          1.        45
      9. 5.3.8  EPWM
        1.       主域实例
          1.        48
          2.        49
          3.        50
          4.        51
          5.        52
          6.        53
          7.        54
          8.        55
          9.        56
          10.        57
      10. 5.3.9  EQEP
        1.       主域实例
          1.        60
          2.        61
          3.        62
      11. 5.3.10 FSI
        1.       主域实例
          1.        65
          2.        66
          3.        67
          4.        68
          5.        69
          6.        70
          7.        71
          8.        72
      12. 5.3.11 GPIO
        1.       主域实例
          1.        75
          2.        76
        2.       MCU 域实例
          1.        78
      13. 5.3.12 GPMC
        1.       主域实例
          1.        81
          2. 5.3.12.1.1 GPMC0 IOSET (ALV)
      14. 5.3.13 I2C
        1.       主域实例
          1.        85
          2.        86
          3.        87
          4.        88
        2.       MCU 域实例
          1.        90
          2.        91
      15. 5.3.14 MCAN
        1.       主域实例
          1.        94
          2.        95
      16. 5.3.15 SPI (MCSPI)
        1.       主域实例
          1.        98
          2.        99
          3.        100
          4.        101
          5.        102
        2.       MCU 域实例
          1.        104
          2.        105
      17. 5.3.16 MMC
        1.       主域实例
          1.        108
          2.        109
      18. 5.3.17 OSPI
        1.       主域实例
          1.        112
      19. 5.3.18 电源
        1.       114
      20. 5.3.19 PRU_ICSSG
        1.       主域实例
          1.        117
          2.        118
      21. 5.3.20 保留
        1.       120
      22. 5.3.21 SERDES
        1.       主域实例
          1.        123
      23. 5.3.22 系统和其他
        1. 5.3.22.1 启动模式配置
          1.        主域实例
            1.         127
        2. 5.3.22.2 计时
          1.        MCU 域实例
            1.         130
        3. 5.3.22.3 系统
          1.        主域实例
            1.         133
          2.        MCU 域实例
            1.         135
        4. 5.3.22.4 VMON
          1.        137
      24. 5.3.23 计时器
        1.       主域实例
          1.        140
        2.       MCU 域实例
          1.        142
      25. 5.3.24 UART
        1.       主域实例
          1.        145
          2.        146
          3.        147
          4.        148
          5.        149
          6.        150
          7.        151
        2.       MCU 域实例
          1.        153
          2.        154
      26. 5.3.25 USB
        1.       主域实例
          1.        157
    4. 5.4 引脚连接要求
  7. 规格
    1. 6.1  绝对最大额定值
    2. 6.2  ESD 等级
    3. 6.3  上电小时数 (POH)
    4. 6.4  建议运行条件
    5. 6.5  运行性能点
    6. 6.6  功耗摘要
    7. 6.7  电气特性
      1. 6.7.1  I2C 开漏和失效防护 (I2C OD FS) 电气特性
      2. 6.7.2  失效防护复位(FS 复位)电气特性
      3. 6.7.3  高频振荡器 (HFOSC) 电气特性
      4. 6.7.4  eMMCPHY 电气特性
      5. 6.7.5  SDIO 电气特性
      6. 6.7.6  LVCMOS 电气特性
      7. 6.7.7  ADC12B 电气特性(ALV 封装)
      8. 6.7.8  ADC10B 电气特性(ALX 封装)
      9. 6.7.9  USB2PHY 电气特性
      10. 6.7.10 串行器/解串器 PHY 电气特性
      11. 6.7.11 DDR 电气特性
    8. 6.8  一次性可编程 (OTP) 电子保险丝的 VPP 规格
      1. 6.8.1 建议的 OTP 电子保险丝编程操作条件
      2. 6.8.2 硬件要求
      3. 6.8.3 编程序列
      4. 6.8.4 对硬件保修的影响
    9. 6.9  热阻特性
      1. 6.9.1 热阻特性
    10. 6.10 时序和开关特性
      1. 6.10.1 时序参数和信息
      2. 6.10.2 电源要求
        1. 6.10.2.1 电源压摆率要求
        2. 6.10.2.2 电源时序
          1. 6.10.2.2.1 上电时序
          2. 6.10.2.2.2 下电时序
      3. 6.10.3 系统时序
        1. 6.10.3.1 复位时序
        2. 6.10.3.2 安全信号时序
        3. 6.10.3.3 时钟时序
      4. 6.10.4 时钟规格
        1. 6.10.4.1 输入时钟/振荡器
          1. 6.10.4.1.1 MCU_OSC0 内部振荡器时钟源
            1. 6.10.4.1.1.1 负载电容
            2. 6.10.4.1.1.2 并联电容
          2. 6.10.4.1.2 MCU_OSC0 LVCMOS 数字时钟源
        2. 6.10.4.2 输出时钟
        3. 6.10.4.3 PLL
        4. 6.10.4.4 时钟和控制信号转换的建议系统预防措施
      5. 6.10.5 外设
        1. 6.10.5.1  CPSW3G
          1. 6.10.5.1.1 CPSW3G MDIO 时序
          2. 6.10.5.1.2 CPSW3G RMII 时序
          3. 6.10.5.1.3 CPSW3G RGMII 时序
          4. 6.10.5.1.4 CPSW3G IOSET
        2. 6.10.5.2  DDRSS
        3. 6.10.5.3  ECAP
        4. 6.10.5.4  EPWM
        5. 6.10.5.5  EQEP
        6. 6.10.5.6  FSI
        7. 6.10.5.7  GPIO
        8. 6.10.5.8  GPMC
          1. 6.10.5.8.1 GPMC 和 NOR 闪存 - 同步模式
          2. 6.10.5.8.2 GPMC 和 NOR 闪存 - 异步模式
          3. 6.10.5.8.3 GPMC 和 NAND 闪存 - 异步模式
          4. 6.10.5.8.4 GPMC0 IOSET (ALV)
        9. 6.10.5.9  I2C
        10. 6.10.5.10 MCAN
        11. 6.10.5.11 MCSPI
          1. 6.10.5.11.1 MCSPI - 控制器模式
          2. 6.10.5.11.2 MCSPI - 外设模式
        12. 6.10.5.12 MMCSD
          1. 6.10.5.12.1 MMC0 - eMMC 接口
            1. 6.10.5.12.1.1 旧 SDR 模式
            2. 6.10.5.12.1.2 高速 SDR 模式
            3. 6.10.5.12.1.3 高速 DDR 模式
            4. 6.10.5.12.1.4 HS200 模式
          2. 6.10.5.12.2 MMC1 - SD/SDIO 接口
            1. 6.10.5.12.2.1 默认速度模式
            2. 6.10.5.12.2.2 高速模式
            3. 6.10.5.12.2.3 UHS–I SDR12 模式
            4. 6.10.5.12.2.4 UHS–I SDR25 模式
            5. 6.10.5.12.2.5 UHS–I SDR50 模式
            6. 6.10.5.12.2.6 UHS–I DDR50 模式
            7. 6.10.5.12.2.7 UHS–I SDR104 模式
        13. 6.10.5.13 CPTS
        14. 6.10.5.14 OSPI
          1. 6.10.5.14.1 OSPI0 PHY 模式
            1. 6.10.5.14.1.1 具有 PHY 数据训练的 OSPI0
            2. 6.10.5.14.1.2 无数据训练的 OSPI0
              1. 6.10.5.14.1.2.1 OSPI0 PHY SDR 时序
              2. 6.10.5.14.1.2.2 OSPI0 PHY DDR 时序
          2. 6.10.5.14.2 OSPI0 Tap 模式
            1. 6.10.5.14.2.1 OSPI0 Tap SDR 时序
            2. 6.10.5.14.2.2 OSPI0 Tap DDR 时序
        15. 6.10.5.15 PCIe
        16. 6.10.5.16 PRU_ICSSG
          1. 6.10.5.16.1 PRU_ICSSG 可编程实时单元 (PRU)
            1. 6.10.5.16.1.1 PRU_ICSSG PRU 直接 输出模式时序
            2. 6.10.5.16.1.2 PRU_ICSSG PRU 并行捕获模式时序
            3. 6.10.5.16.1.3 PRU_ICSSG PRU 移位模式时序
            4. 6.10.5.16.1.4 PRU_ICSSG PRU Σ-Δ 和外设接口
              1. 6.10.5.16.1.4.1 PRU_ICSSG PRU Σ-Δ 和外设接口时序
          2. 6.10.5.16.2 PRU_ICSSG 脉宽调制 (PWM)
            1. 6.10.5.16.2.1 PRU_ICSSG PWM 时序
          3. 6.10.5.16.3 PRU_ICSSG 工业以太网外设 (IEP)
            1. 6.10.5.16.3.1 PRU_ICSSG IEP 时序
          4. 6.10.5.16.4 PRU_ICSSG 通用异步接收器/发送器 (UART)
            1. 6.10.5.16.4.1 PRU_ICSSG UART 时序
          5. 6.10.5.16.5 PRU_ICSSG 增强型捕获外设 (ECAP)
            1. 6.10.5.16.5.1 PRU_ICSSG ECAP 时序
          6. 6.10.5.16.6 PRU_ICSSG RGMII、MII_RT 和开关
            1. 6.10.5.16.6.1 PRU_ICSSG MDIO 时序
            2. 6.10.5.16.6.2 PRU_ICSSG MII 时序
            3. 6.10.5.16.6.3 PRU_ICSSG RGMII 时序
        17. 6.10.5.17 计时器
        18. 6.10.5.18 UART
        19. 6.10.5.19 USB
      6. 6.10.6 仿真和调试
        1. 6.10.6.1 布线
        2. 6.10.6.2 JTAG
  8. 详细说明
    1. 7.1 概述
    2. 7.2 处理器子系统
      1. 7.2.1 Arm Cortex-R5F 子系统 (R5FSS)
      2. 7.2.2 Arm Cortex-M4F (M4FSS)
    3. 7.3 加速器和协处理器
      1. 7.3.1 可编程实时单元子系统和工业通信子系统 (PRU_ICSSG)
    4. 7.4 其他子系统
      1. 7.4.1 PDMA 控制器
      2. 7.4.2 外设
        1. 7.4.2.1  ADC
        2. 7.4.2.2  DCC
        3. 7.4.2.3  双倍数据速率 (DDR) 外部存储器接口 (DDRSS)
        4. 7.4.2.4  ECAP
        5. 7.4.2.5  EPWM
        6. 7.4.2.6  ELM
        7. 7.4.2.7  ESM
        8. 7.4.2.8  GPIO
        9. 7.4.2.9  EQEP
        10. 7.4.2.10 通用存储器控制器 (GPMC)
        11. 7.4.2.11 I2C
        12. 7.4.2.12 MCAN
        13. 7.4.2.13 MCRC 控制器
        14. 7.4.2.14 MCSPI
        15. 7.4.2.15 MMCSD
        16. 7.4.2.16 OSPI
        17. 7.4.2.17 外设组件快速互连 (PCIe)
        18. 7.4.2.18 串行器/解串器 (SerDes) PHY
        19. 7.4.2.19 实时中断 (RTI/WWDT)
        20. 7.4.2.20 双模计时器 (DMTIMER)
        21. 7.4.2.21 UART
        22. 7.4.2.22 通用串行总线子系统 (USBSS)
  9. 应用、实施和布局
    1. 8.1 器件连接和布局基本准则
      1. 8.1.1 电源
        1. 8.1.1.1 电源设计
        2. 8.1.1.2 配电网络实施指南
      2. 8.1.2 外部振荡器
      3. 8.1.3 JTAG、仿真和跟踪
      4. 8.1.4 未使用的引脚
    2. 8.2 外设和接口的相关设计信息
      1. 8.2.1 通用布线指南
      2. 8.2.2 DDR 电路板设计和布局布线指南
      3. 8.2.3 OSPI/QSPI/SPI 电路板设计和布局指南
        1. 8.2.3.1 无环回、内部 PHY 环回和内部焊盘环回
        2. 8.2.3.2 外部电路板环回
        3. 8.2.3.3 DQS(仅适用于八路 SPI 器件)
      4. 8.2.4 USB VBUS 设计指南
      5. 8.2.5 系统电源监测设计指南
      6. 8.2.6 高速差分信号布线指南
      7. 8.2.7 散热解决方案指导
    3. 8.3 时钟布线指南
      1. 8.3.1 振荡器路由
      2. 8.3.2 振荡器接地连接
  10. 器件和文档支持
    1. 9.1 器件命名规则
      1. 9.1.1 标准封装编号法
      2. 9.1.2 器件命名约定
    2. 9.2 工具与软件
    3. 9.3 文档支持
      1. 9.3.1 注意事项和警告信息
    4. 9.4 支持资源
    5. 9.5 商标
    6. 9.6 静电放电警告
    7. 9.7 术语表
  11. 10修订历史记录
  12. 11机械、封装和可订购信息
    1. 11.1 封装信息

封装选项

请参考 PDF 数据表获取器件具体的封装图。

机械数据 (封装 | 引脚)
  • ALV|441
  • ALX|293
散热焊盘机械数据 (封装 | 引脚)
订购信息
OSPI0 Tap SDR 时序

表 6-103图 6-83表 6-104图 6-84 展示了 OSPI0 的时序要求和开关特性 – Tap SDR 模式。

表 6-103 OSPI0 时序要求 – Tap SDR 模式 请参阅图 6-83
编号 模式 最小值 最大值 单位
O19 tsu(D-CLK) 建立时间,在有效 OSPI0_CLK 边沿之前 OSPI0_D[7:0] 有效 无环回 (15.4 - (0.975T(1)R(2))) ns
O20 th(CLK-D) 保持时间,在有效 OSPI0_CLK 边沿之后 OSPI0_D[7:0] 有效 无环回 (- 4.3 + (0.975T(1)R(2))) ns
T = OSPI_RD_DATA_CAPTURE_REG[DELAY_FLD]
R = 基准时钟周期时间(以 ns 为单位)
AM2434 AM2432 AM2431 OSPI0 时序要求 – Tap SDR,无环回图 6-83 OSPI0 时序要求 – Tap SDR,无环回
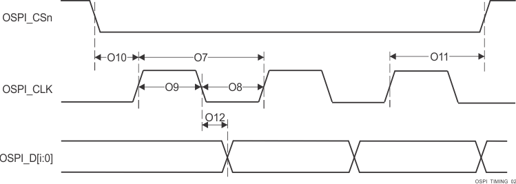
表 6-104 OSPI0 开关特性 – Tap SDR 模式 请参阅图 6-84
编号 参数 模式 最小值 最大值 单位
O7 tc(CLK) 周期时间,OSPI0_CLK 20 ns
O8 tw(CLKL) 脉冲持续时间,OSPI0_CLK 低电平 ((0.475P(1)) - 0.3) ns
O9 tw(CLKH) 脉冲持续时间,OSPI0_CLK 高电平 ((0.475P(1)) - 0.3) ns
O10 td(CSn-CLK) 延迟时间,OSPI0_CSn[3:0] 有效边沿到 OSPI0_CLK 上升沿 ((0.475P(1)) + (0.975M(2)R(4)) - 1) ((0.525P(1)) + (1.025M(2)R(4)) + 1) ns
O11 td(CLK-CSn) 延迟时间,OSPI0_CLK 上升沿到 OSPI0_CSn[3:0] 无效边沿 ((0.475P(1)) + (0.975N(3)R(4)) - 1) ((0.525P(1)) + (1.025N(3)R(4)) + 1) ns
O12 td(CLK-D) 延迟时间,OSPI0_CLK 有效边沿到 OSPI0_D[7:0] 转换 - 4.25 7.25 ns
P = SCLK 周期时间(以 ns 为单位)= OSPI0_CLK 周期时间(以 ns 为单位)
M = OSPI_DEV_DELAY_REG[D_INIT_FLD]
N = OSPI_DEV_DELAY_REG[D_AFTER_FLD]
R = 基准时钟周期时间(以 ns 为单位)
AM2434 AM2432 AM2431 OSPI0 开关特性 – Tap SDR,无环回图 6-84 OSPI0 开关特性 – Tap SDR,无环回