ZHCSQZ8B May   2022  – November 2025 ADS1285

PRODUCTION DATA  

  1.   1
  2. 特性
  3. 应用
  4. 说明
  5. 引脚配置和功能
  6. 规格
    1. 5.1 绝对最大额定值
    2. 5.2 ESD 等级
    3. 5.3 建议运行条件
    4. 5.4 热性能信息
    5. 5.5 电气特性
    6. 5.6 时序要求:1.65V ≤ IOVDD ≤ 1.95V 和 2.7V ≤ IOVDD ≤ 3.6V
    7. 5.7 开关特性:1.65V ≤ IOVDD ≤ 1.95V 和 2.7V ≤ IOVDD ≤ 3.6V
    8. 5.8 时序图
    9. 5.9 典型特性
  7. 参数测量信息
    1. 6.1 噪声性能
  8. 详细说明
    1. 7.1 概述
    2. 7.2 功能方框图
    3. 7.3 特性说明
      1. 7.3.1 模拟输入
      2. 7.3.2 PGA 和缓冲器
        1. 7.3.2.1 可编程增益放大器 (PGA)
        2. 7.3.2.2 缓冲器运行(PGA 旁路)
      3. 7.3.3 电压基准输入
      4. 7.3.4 IOVDD 电源
      5. 7.3.5 调制器
        1. 7.3.5.1 调制器过驱动
      6. 7.3.6 数字滤波器
        1. 7.3.6.1 Sinc 滤波器部分
        2. 7.3.6.2 FIR 滤波器选择
        3. 7.3.6.3 群延迟和阶跃响应
          1. 7.3.6.3.1 线性相位响应
          2. 7.3.6.3.2 最小相位响应
        4. 7.3.6.4 HPF 级
      7. 7.3.7 时钟输入
      8. 7.3.8 GPIO
    4. 7.4 器件功能模式
      1. 7.4.1 电源模式
      2. 7.4.2 断电模式
      3. 7.4.3 复位
      4. 7.4.4 同步
        1. 7.4.4.1 脉冲同步模式
        2. 7.4.4.2 连续同步模式
      5. 7.4.5 采样率转换器
      6. 7.4.6 偏移和增益校准
        1. 7.4.6.1 OFFSET 寄存器
        2. 7.4.6.2 GAIN 寄存器
        3. 7.4.6.3 校准过程
    5. 7.5 编程
      1. 7.5.1 串行接口
        1. 7.5.1.1 片选 (CS)
        2. 7.5.1.2 串行时钟 (SCLK)
        3. 7.5.1.3 数据输入 (DIN)
        4. 7.5.1.4 数据输出 (DOUT)
        5. 7.5.1.5 数据就绪 (DRDY)
      2. 7.5.2 转换数据格式
      3. 7.5.3 命令
        1. 7.5.3.1  单字节命令
        2. 7.5.3.2  WAKEUP:唤醒命令
        3. 7.5.3.3  STANDBY:软件断电命令
        4. 7.5.3.4  SYNC:同步命令
        5. 7.5.3.5  复位:复位命令
        6. 7.5.3.6  直接读取数据
        7. 7.5.3.7  RDATA:读取转换数据命令
        8. 7.5.3.8  RREG:读取寄存器命令
        9. 7.5.3.9  WREG:写入寄存器命令
        10. 7.5.3.10 OFSCAL:偏移校准命令
        11. 7.5.3.11 GANCAL:增益校准命令
    6. 7.6 寄存器映射
      1. 7.6.1 寄存器说明
        1. 7.6.1.1 ID/SYNC:器件 ID、SYNC 寄存器(地址 = 00h)[复位 = xxxx0000b]
        2. 7.6.1.2 CONFIG0:配置寄存器 0(地址 = 01h)[复位 = 12h]
        3. 7.6.1.3 CONFIG1:配置寄存器 1(地址 = 02h)[复位 = 00h]
        4. 7.6.1.4 HPF0、HPF1:高通滤波器寄存器(地址 = 03h、04h)[复位 = 32h、03h]
        5. 7.6.1.5 OFFSET0、OFFSET1、OFFSET2:偏移校准寄存器(地址 = 05h、06h、07h)[复位 = 00h、00h、00h]
        6. 7.6.1.6 GAIN0、GAIN1、GAIN2:增益校准寄存器(地址 = 08h、09h、0Ah)[复位 = 00h、00h、40h]
        7. 7.6.1.7 GPIO:数字输入/输出寄存器(地址 = 0Bh)[复位 = 000xx000b]
        8. 7.6.1.8 SRC0、SRC1:采样率转换器寄存器(地址 = 0Ch、0Dh)[复位 = 00h、80h]
  9. 应用和实施
    1. 8.1 应用信息
    2. 8.2 典型应用
      1. 8.2.1 设计要求
      2. 8.2.2 详细设计过程
      3. 8.2.3 应用曲线
    3. 8.3 电源相关建议
      1. 8.3.1 模拟电源
      2. 8.3.2 数字电源
      3. 8.3.3 接地
      4. 8.3.4 散热焊盘
    4. 8.4 布局
      1. 8.4.1 布局指南
      2. 8.4.2 布局示例
  10. 器件和文档支持
    1. 9.1 接收文档更新通知
    2. 9.2 支持资源
    3. 9.3 商标
    4. 9.4 静电放电警告
    5. 9.5 术语表
  11. 10修订历史记录
  12. 11机械、封装和可订购信息

封装选项

机械数据 (封装 | 引脚)
散热焊盘机械数据 (封装 | 引脚)
订购信息

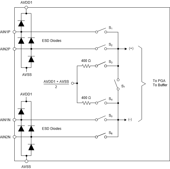
模拟输入

图 7-1 展示了模拟输入电路和输入多路复用器。

ADS1285 模拟输入和多路复用器图 7-1 模拟输入和多路复用器

该 ADC 内置静电放电 (ESD) 二极管,在受控 ESD 环境中组装时可保护输入端免受器件制造和印刷电路板 (PCB) 装配过程中的 ESD 事件影响。要实现系统级保护,可考虑使用外部 ESD 保护器件来保护暴露在 ESD 环境中的输入端。

如果输入被驱动至 AVSS – 0.3V 以下或 AVDD1 + 0.3V 以上,保护二极管可以导通。在这些条件下,请使用外部钳位二极管和/或串联电阻器将输入电流限制为指定的最大值。过驱动未使用的输入通道会影响有效输入通道的转换结果。可使用肖特基二极管钳制过驱动电压,防止通道间串扰。

ADC 包含两个差动输入通道,多路复用器在测量时会在两个差动输入之间进行选择。多路复用器还提供了一种测量噪声和偏移电压的测试模式。短接输入测试配置可选择使用或不使用 400Ω 电阻,以模拟 800Ω 地震检波器产生的热噪声。表 7-1 总结了多路复用器的配置。

表 7-1 输入多路复用器模式
MUX[2:0] 位 开关 说明
000 S1、S5 输入 AIN1P、AIN1N 连接
001 S2、S6 输入 AIN2P、AIN2N 连接
010 S3、S4 用于偏移和噪声测试的 400Ω 输入短接测试模式。
011 S1、S5、S2、S6 交叉连接测试模式。输入 AIN1P、AIN2P AIN2P、AIN2N 已连接
100 保留
101 S3、S4、S7 用于偏移和噪声测试的 0Ω 输入短接测试模式。

要测试地震检波器的 THD 性能,请通过串联电阻器向测试通道施加测试信号。串联电阻通常为地震检波器阻抗值的一半。为交叉连接测试模式 (MUX[2:0] = 011b) 选择多路复用器。在交叉连接模式下,测试信号交叉馈送到地震检波器输入端。

地震检波器 THD 测试性能可能会受到多路复用器的非线性导通电阻 (RSW) 的影响。图 7-2 展示了用于地震检波器 THD 测试的输入多路复用器电阻模型。图 7-3 展示了 THD 性能与用于模拟地震检波器电阻的测试电阻 (RLOAD) 的关系。小振幅测试信号(例如,VIN = 0.221V)显示当地震检波器电阻小于 500Ω 时 THD 性能降幅更小。

ADS1285 THD 与 RLOAD 测试电路间的关系图 7-2 THD 与 RLOAD 测试电路间的关系
ADS1285 THD 性能与 RLOAD 间的关系图 7-3 THD 性能与 RLOAD 间的关系