SBAU171D May   2010  – January 2016 ADS1198 , ADS1298

 

  1.   ADS1298ECG-FE/ADS1198ECG-FE
    1.     Trademarks
    2. 1 ADS1298ECG-FE/ADS1198ECG-FE Overview
      1. 1.1 Important Disclaimer Information
      2. 1.2 Introduction
      3. 1.3 Supported Features
      4. 1.4 Features Not Supported in Current Version
      5. 1.5 ADS1x98ECG-FE Hardware
      6. 1.6 Minimum System Requirements for ADS1x98ECG-FE Evaluation Software
    3. 2 Quick Start
      1. 2.1 Default Jumper/Switch Configuration
      2. 2.2 ADS1x98ECG-FE Operation
    4. 3 Using the ADS1298ECG-FE Software
      1. 3.1 Application User Menu
      2. 3.2 Top-Level Application Controls
      3. 3.3 About Tab
      4. 3.4 ADC Register Tab
        1. 3.4.1 Standby and Reset Controls
        2. 3.4.2 Channel Registers Tab (ADC Register)
          1. 3.4.2.1 Global Channel Registers
          2. 3.4.2.2 Channel Control Registers
        3. 3.4.3 LOFF and RLD Tab (ADC Register)
          1. 3.4.3.1 Lead-Off Detection and Current Direction Control Registers
          2. 3.4.3.2 Right Leg Drive Derivation Control Registers
        4. 3.4.4 GPIO and OTHER Registers Tab (ADC Register)
          1. 3.4.4.1 Wilson Central and Augmented Lead Registers
        5. 3.4.5 Register Map (ADC Register)
      5. 3.5 Analysis Tab
        1. 3.5.1 Scope Tab (Anaysis)
          1. 3.5.1.1 Zoom Tool
        2. 3.5.2 Histogram Tab (Analysis)
        3. 3.5.3 FFT Tab
        4. 3.5.4 ECG Tab (Analysis)
      6. 3.6 Save Tab
    5. 4 ADS1x98ECG-FE Input Signals
      1. 4.1 Input Short Testing
      2. 4.2 Internal Test Signals Input
      3. 4.3 Temperature Sensor
      4. 4.4 Normal Electrode Input
        1. 4.4.1 Capturing 12-Lead ECG Signals
      5. 4.5 MVDD Input, RLD Measurement, RLD Positive Electrode Driver, and RLD Negative Electrode Driver
      6. 4.6 Lead Derivation
      7. 4.7 Wilson Center Terminal (WCT)
      8. 4.8 Right Leg Drive
        1. 4.8.1 RLD Common Mode Voltage
        2. 4.8.2 Driving the RLD Cable Shield
      9. 4.9 PACE Detection
    6. 5 ADS1298ECG-FE/ADS1198ECG-FE Hardware Details
      1. 5.1 Jumper Description
      2. 5.2 Power Supply
      3. 5.3 Clock
      4. 5.4 Reference
      5. 5.5 Analog Output Signals
      6. 5.6 Digital Signals
      7. 5.7 Analog Input Signals
        1. 5.7.1 Patient Simulator Input
        2. 5.7.2 Arbitrary Input Signals
  2. ASchematics, BOM, Layout, and ECG Cable Details
    1. A.1 Overview
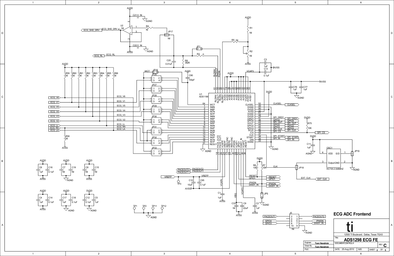
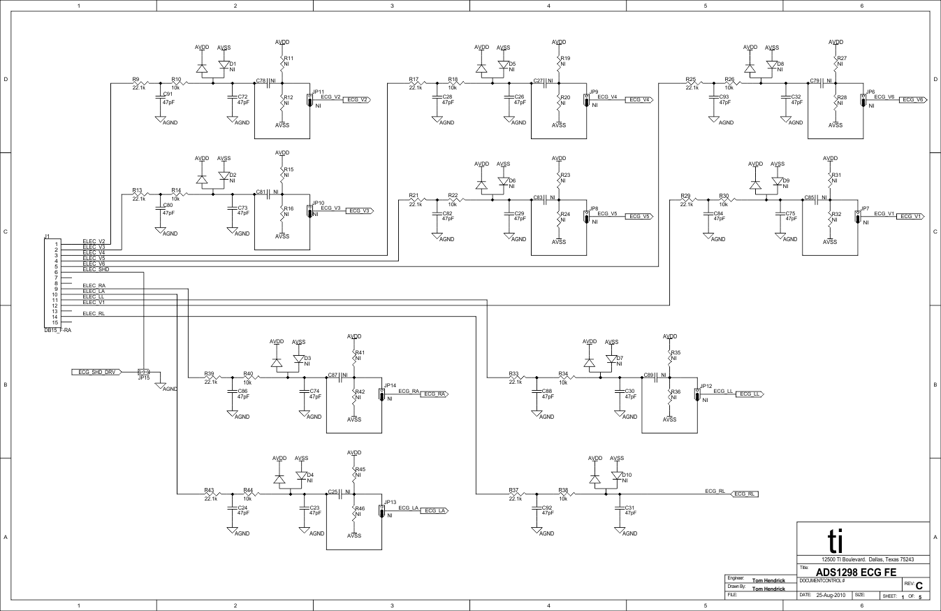
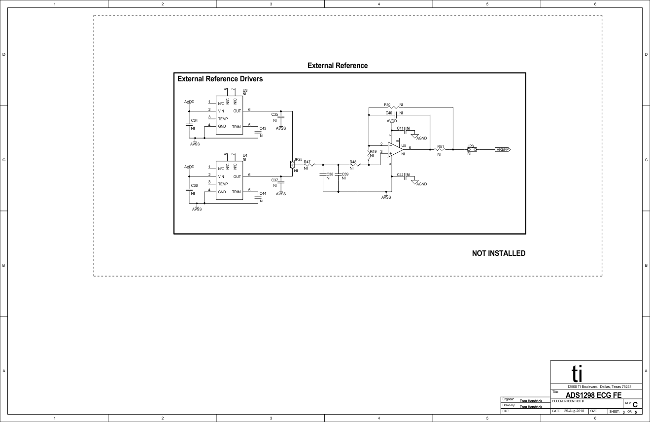
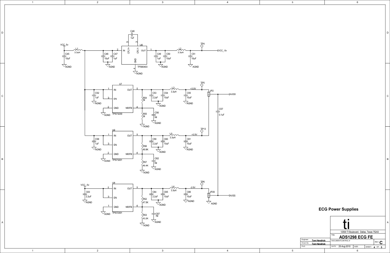
    2. A.2 ADS1x98ECG-FE Front-End Board Schematics
    3. A.3 Bill of Materials
      1. Table 13. Bill of Materials: ADS1x98ECG-FE
    4. A.4 Printed Circuit Board Layout
    5. A.5 ECG Cable Details
  3. BExternal Optional Hardware
    1. B.1 Optional External Hardware (Not Included)
    2. B.2 ADS1x98ECG-FE Power-Supply Recommendations
  4. CSoftware Installation
    1. C.1 Minimum Requirements
    2. C.2 Installing the Software

Installing the Software

CAUTION

Do not connect the ADS1x98ECG-FE before installing the software on a suitable PC. Failure to observe this caution may cause Microsoft Windows to not recognize the ADS1x98ECG-FE.

The latest software is available from the ADS1x98ECGFE-PDK product folder on the TI web site. Check the TI web site regularly for updated versions.

To install the ADS1298 software:

  • Download the software from the ADS1298ECG-FE product page
  • Click on the executable file ads129xecg-fe-y.y.y.exe, where y.y.y represents the version number of the software installer.

To install the ADS1198 software:

  • Download the software from the ADS1198ECG-FE product page
  • Click on the executable file ads1198ecg-fe-y.y.y.exe, where y.y.y represents the version number of the software installer.

Then follow the prompts illustrated in Figure 50 through Figure 53.

You must accept the license agreement (shown in Figure 51) before proceeding with the installation.

sw_setup01_welcome_bau171.gifFigure 50. Initialization of ADS1x98ECG-FE
sw_setup03_install_bau171.gifFigure 52. Installation Process
sw_setup02_eula_bau171.gifFigure 51. License Agreement
sw_setup04_ok_bau171.gifFigure 53. Completion of ADS1x98ECG-FE Software Installation
ADS1298ECG-FE_schematic1.gif
ADS1298ECG-FE_schematic2.gif
ADS1298ECG-FE_schematic3.gif
ADS1298ECG-FE_schematic4.gif
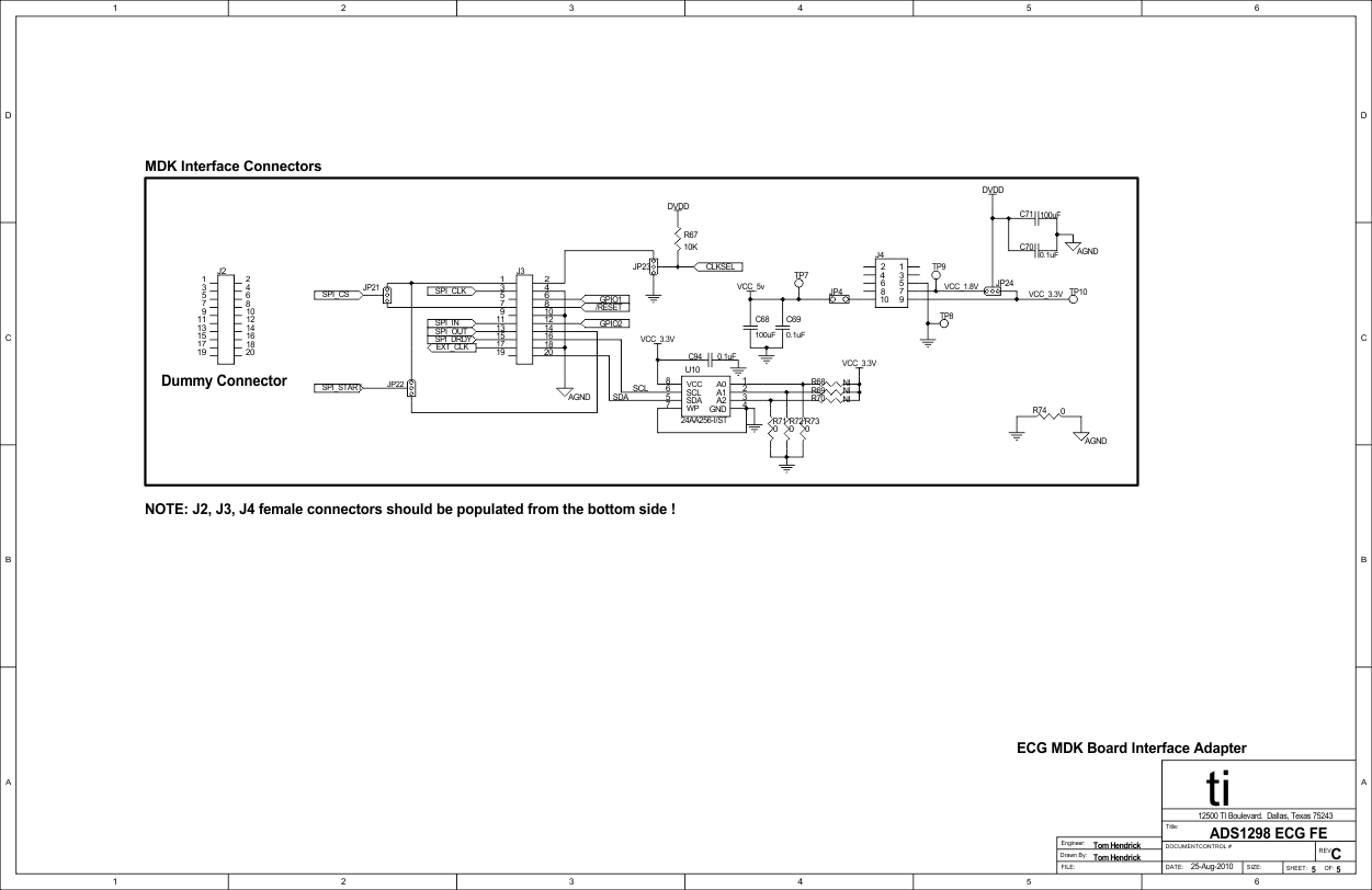
ADS1298ECG-FE_schematic5.gif