GERU008B July   2018  – March 2025

 

  1.   1
  2.   ADS9224REVM-PDK
  3.   Marken
  4. 1Übersicht
    1. 1.1 Merkmale des ADS9224REVM-PDK
    2. 1.2 Merkmale des ADS9224REVM
  5. 2Analoge Schnittstelle
    1. 2.1 Anschlüsse für Signalquelle
    2. 2.2 ADC-Differenzeingangs-Signaltreiber
      1. 2.2.1 Eingangssignalweg
    3. 2.3 ADS9224R Interne Referenz
  6. 3Digitale Schnittstelle
    1. 3.1 multiSPI für ADC-Digital-E/A
  7. 4Stromversorgungen
  8. 5Einrichtung
    1. 5.1 Standard-Jumper-Einstellungen
    2. 5.2 Softwareinstallation für die grafische Benutzerschnittstelle (GUI) des EVM
  9. 6Betrieb
    1. 6.1 Globale EVM-GUI-Einstellungen für ADC-Steuerung
    2. 6.2 Registerübersichts-Konfigurationstool
    3. 6.3 Zeitdomänen-Anzeigetool
    4. 6.4 Spektralanalysetool
    5. 6.5 Histogramm-Tool
  10. 7ADS9224REVM Materialliste, Leiterplattenlayout und Schaltpläne
    1. 7.1 Materialliste
    2. 7.2 Leiterplattenlayout
    3. 7.3 Schaltpläne
  11. 8Revisionsverlauf

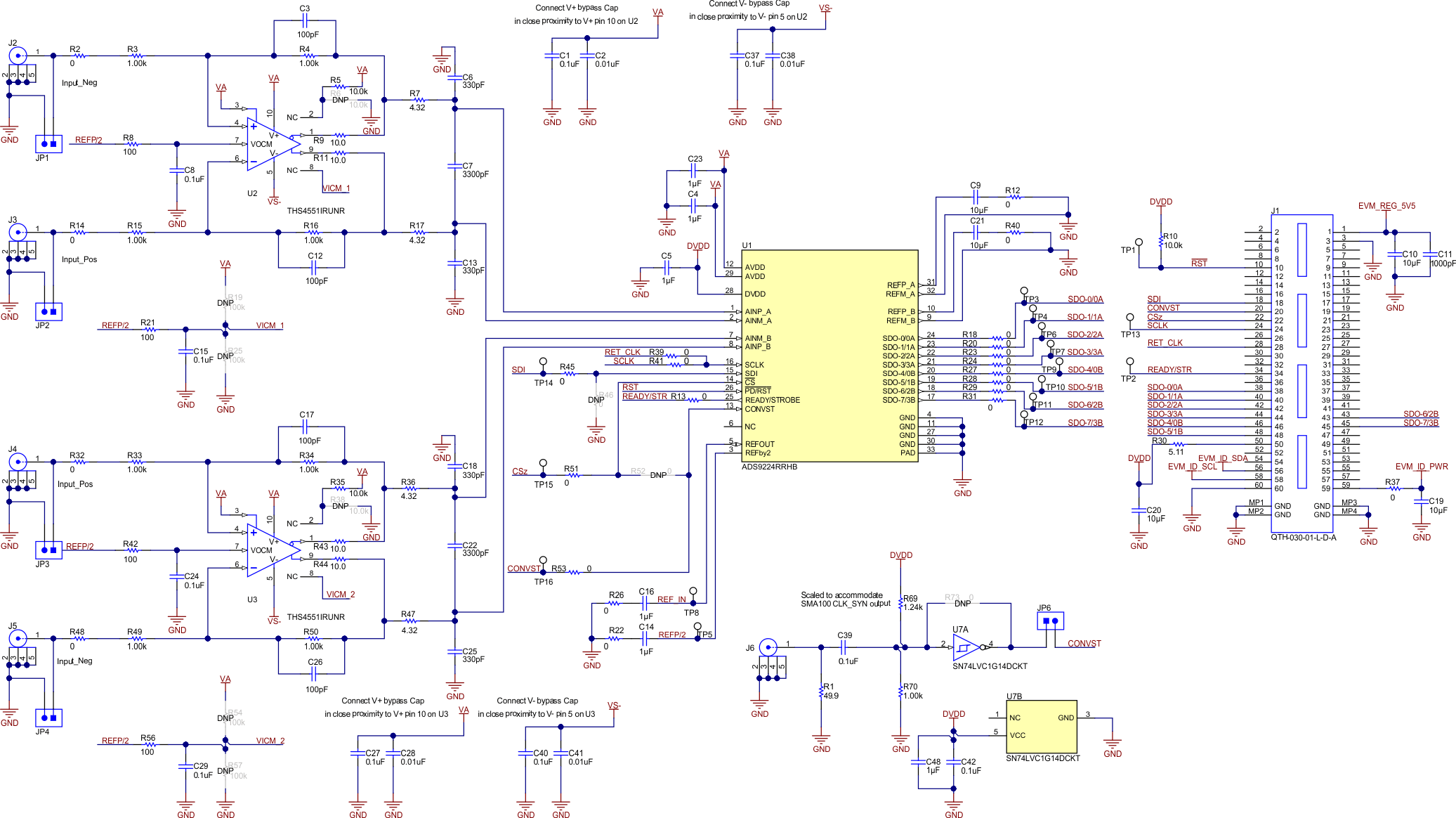
Schaltpläne

Abbildung 7-6 und Abbildung 7-7 veranschaulichen die EVM-Schaltpläne.

 ADS9224REVM Schaltplan 1Abbildung 7-6 ADS9224REVM Schaltplan 1
 ADS9224REVM Schaltplan 2Abbildung 7-7 ADS9224REVM Schaltplan 2