ZHCSLD2E may   2020  – july 2023 UCC28782

PRODUCTION DATA  

  1.   1
  2. 特性
  3. 应用
  4. 描述
  5. Revision History
  6. Device Comparison Table
  7. Pin Configuration and Functions
    1.     Pin Functions
  8. Specifications
    1. 7.1 Absolute Maximum Ratings
    2. 7.2 ESD Ratings
    3. 7.3 Recommended Operating Conditions
    4. 7.4 Thermal Information
    5. 7.5 Electrical Characteristics
    6. 7.6 Typical Characteristics
  9. Detailed Description
    1. 8.1 Overview
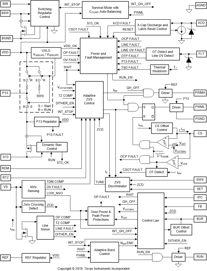
    2. 8.2 Functional Block Diagram
    3. 8.3 Detailed Pin Description
      1. 8.3.1  BUR Pin (Programmable Burst Mode)
      2. 8.3.2  FB Pin (Feedback Pin)
      3. 8.3.3  REF Pin (Internal 5-V Bias)
      4. 8.3.4  VDD Pin (Device Bias Supply)
      5. 8.3.5  P13 and SWS Pins
      6. 8.3.6  S13 Pin
      7. 8.3.7  IPC Pin (Intelligent Power Control Pin)
      8. 8.3.8  RUN Pin (Driver and Bias Source for Isolator)
      9. 8.3.9  PWMH and AGND Pins
      10. 8.3.10 PWML and PGND Pins
      11. 8.3.11 SET Pin
      12. 8.3.12 RTZ Pin (Sets Delay for Transition Time to Zero)
      13. 8.3.13 RDM Pin (Sets Synthesized Demagnetization Time for ZVS Tuning)
      14. 8.3.14 BIN, BSW, and BGND Pins
      15. 8.3.15 XCD Pin
      16. 8.3.16 CS, VS, and FLT Pins
    4. 8.4 Device Functional Modes
      1. 8.4.1  Adaptive ZVS Control with Auto-Tuning
      2. 8.4.2  Dead-Time Optimization
      3. 8.4.3  EMI Dither and Dither Fading Function
      4. 8.4.4  Control Law across Entire Load Range
      5. 8.4.5  Adaptive Amplitude Modulation (AAM)
      6. 8.4.6  Adaptive Burst Mode (ABM)
      7. 8.4.7  Low Power Mode (LPM)
      8. 8.4.8  First Standby Power Mode (SBP1)
      9. 8.4.9  Second Standby Power Mode (SBP2)
      10. 8.4.10 Startup Sequence
      11. 8.4.11 Survival Mode of VDD (INT_STOP)
      12. 8.4.12 Capacitor Voltage Balancing Function
      13. 8.4.13 Device Functional Modes for Bias Regulator Control
        1. 8.4.13.1 Mitigation of Switching Interaction with ACF Converter
        2. 8.4.13.2 Protection Functions for the Bias Regulator
        3. 8.4.13.3 BIN-Pin Related Protections
        4. 8.4.13.4 BSW-Pin Related Protections
      14. 8.4.14 System Fault Protections
        1. 8.4.14.1  Brown-In and Brown-Out
        2. 8.4.14.2  Output Over-Voltage Protection (OVP)
        3. 8.4.14.3  Input Over Voltage Protection (IOVP)
        4. 8.4.14.4  Over-Temperature Protection (OTP) on FLT Pin
        5. 8.4.14.5  Over-Temperature Protection (OTP) on CS Pin
        6. 8.4.14.6  Programmable Over-Power Protection (OPP)
        7. 8.4.14.7  Peak Power Limit (PPL)
        8. 8.4.14.8  Output Short-Circuit Protection (SCP)
        9. 8.4.14.9  Over-Current Protection (OCP)
        10. 8.4.14.10 External Shutdown
        11. 8.4.14.11 Internal Thermal Shutdown
      15. 8.4.15 Pin Open/Short Protections
        1. 8.4.15.1 Protections on CS pin Fault
        2. 8.4.15.2 Protections on P13 pin Fault
        3. 8.4.15.3 Protections on RDM and RTZ pin Faults
  10. Application and Implementation
    1. 9.1 Application Information
    2. 9.2 Typical Application Circuit
      1. 9.2.1 Design Requirements for a 65-W USB-PD Adapter Application
      2. 9.2.2 Detailed Design Procedure
        1. 9.2.2.1 Input Bulk Capacitance and Minimum Bulk Voltage
        2. 9.2.2.2 Transformer Calculations
          1. 9.2.2.2.1 Primary-to-Secondary Turns Ratio (NPS)
          2. 9.2.2.2.2 Primary Magnetizing Inductance (LM)
          3. 9.2.2.2.3 Primary Winding Turns (NP)
          4. 9.2.2.2.4 Secondary Winding Turns (NS)
          5. 9.2.2.2.5 Auxiliary Winding Turns (NA)
          6. 9.2.2.2.6 Winding and Magnetic Core Materials
        3. 9.2.2.3 Clamp Capacitor Calculation
          1. 9.2.2.3.1 Primary-Resonance ACF
          2. 9.2.2.3.2 Secondary-Resonance ACF
        4. 9.2.2.4 Bleed-Resistor Calculation
        5. 9.2.2.5 Output Filter Calculation
        6. 9.2.2.6 Calculation of ZVS Sensing Network
        7. 9.2.2.7 Calculation of BUR Pin Resistances
        8. 9.2.2.8 Calculation of Compensation Network
      3. 9.2.3 Application Curves
  11. 10Power Supply Recommendations
  12. 11Layout
    1. 11.1 Layout Guidelines
      1. 11.1.1  General Considerations
      2. 11.1.2  RDM and RTZ Pins
      3. 11.1.3  SWS Pin
      4. 11.1.4  VS Pin
      5. 11.1.5  BUR Pin
      6. 11.1.6  FB Pin
      7. 11.1.7  CS Pin
      8. 11.1.8  BIN Pin
      9. 11.1.9  BSW Pin
      10. 11.1.10 AGND Pin
      11. 11.1.11 BGND Pin
      12. 11.1.12 PGND Pin
      13. 11.1.13 EP Thermal Pad
    2. 11.2 Layout Example
  13. 12Device and Documentation Support
    1. 12.1 Documentation Support
      1. 12.1.1 Related Documentation
    2. 12.2 Receiving Notification of Documentation Updates
    3. 12.3 支持资源
    4. 12.4 Trademarks
    5. 12.5 静电放电警告
    6. 12.6 术语表
  14. 13Mechanical, Packaging, and Orderable Information

封装选项

机械数据 (封装 | 引脚)
散热焊盘机械数据 (封装 | 引脚)
订购信息

Functional Block Diagram

GUID-62A6F457-4BC9-4D46-A7A7-75EAD45073F7-low.gif