ZHCSJC6F March   2016  – June 2018 TDA2E

PRODUCTION DATA.  

  1. 器件概述
    1. 1.1 特性
    2. 1.2 应用
    3. 1.3 说明
    4. 1.4 功能方框图
  2. 修订历史记录
  3. Device Comparison
    1. 3.1 Device Comparison Table
  4. Terminal Configuration and Functions
    1. 4.1 Terminal Assignment
      1. 4.1.1 Unused Balls Connection Requirements
    2. 4.2 Ball Characteristics
    3. 4.3 Multiplexing Characteristics
    4. 4.4 Signal Descriptions
      1. 4.4.1  Video Input Ports (VIP)
      2. 4.4.2  Display Subsystem – Video Output Ports
      3. 4.4.3  Display Subsystem – High-Definition Multimedia Interface (HDMI)
      4. 4.4.4  Camera Serial Interface 2 CAL bridge (CSI2)
      5. 4.4.5  External Memory Interface (EMIF SDRAM)
      6. 4.4.6  General-Purpose Memory Controller (GPMC)
      7. 4.4.7  Timers
      8. 4.4.8  Inter-Integrated Circuit Interface (I2C)
      9. 4.4.9  Universal Asynchronous Receiver Transmitter (UART)
      10. 4.4.10 Multichannel Serial Peripheral Interface (McSPI)
      11. 4.4.11 Quad Serial Peripheral Interface (QSPI)
      12. 4.4.12 Multichannel Audio Serial Port (McASP)
      13. 4.4.13 Universal Serial Bus (USB)
      14. 4.4.14 SATA
      15. 4.4.15 Peripheral Component Interconnect Express (PCIe)
      16. 4.4.16 Controller Area Network Interface (DCAN)
      17. 4.4.17 Ethernet Interface (GMAC_SW)
      18. 4.4.18 eMMC/SD/SDIO
      19. 4.4.19 General-Purpose Interface (GPIO)
      20. 4.4.20 Pulse Width Modulation (PWM) Interface
      21. 4.4.21 Test Interfaces
      22. 4.4.22 System and Miscellaneous
        1. 4.4.22.1 Sysboot
        2. 4.4.22.2 Power, Reset, and Clock Management (PRCM)
        3. 4.4.22.3 Real-Time Clock (RTC) Interface
        4. 4.4.22.4 System Direct Memory Access (SDMA)
        5. 4.4.22.5 Interrupt Controllers (INTC)
        6. 4.4.22.6 Observability
      23. 4.4.23 Power Supplies
  5. Specifications
    1. 5.1 Absolute Maximum Ratings
    2. 5.2 ESD Ratings
    3. 5.3 Power on Hour (POH) Limits
    4. 5.4 Recommended Operating Conditions
    5. 5.5 Operating Performance Points
      1. 5.5.1 AVS and ABB Requirements
      2. 5.5.2 Voltage And Core Clock Specifications
      3. 5.5.3 Maximum Supported Frequency
    6. 5.6 Power Consumption Summary
    7. 5.7 Electrical Characteristics
      1. 5.7.1  LVCMOS DDR DC Electrical Characteristics
      2. 5.7.2  HDMIPHY DC Electrical Characteristics
      3. 5.7.3  Dual Voltage LVCMOS I2C DC Electrical Characteristics
      4. 5.7.4  IQ1833 Buffers DC Electrical Characteristics
      5. 5.7.5  IHHV1833 Buffers DC Electrical Characteristics
      6. 5.7.6  LVCMOS CSI2 DC Electrical Characteristics
      7. 5.7.7  BC1833IHHV Buffers DC Electrical Characteristics
      8. 5.7.8  USBPHY DC Electrical Characteristics
      9. 5.7.9  Dual Voltage SDIO1833 DC Electrical Characteristics
      10. 5.7.10 Dual Voltage LVCMOS DC Electrical Characteristics
      11. 5.7.11 SATAPHY DC Electrical Characteristics
      12. 5.7.12 PCIEPHY DC Electrical Characteristics
    8. 5.8 Thermal Characteristics
      1. 5.8.1 Package Thermal Characteristics
    9. 5.9 Power Supply Sequences
  6. Clock Specifications
    1. 6.1 Input Clock Specifications
      1. 6.1.1 Input Clock Requirements
      2. 6.1.2 System Oscillator OSC0 Input Clock
        1. 6.1.2.1 OSC0 External Crystal
        2. 6.1.2.2 OSC0 Input Clock
      3. 6.1.3 Auxiliary Oscillator OSC1 Input Clock
        1. 6.1.3.1 OSC1 External Crystal
        2. 6.1.3.2 OSC1 Input Clock
      4. 6.1.4 RTC Oscillator Input Clock
        1. 6.1.4.1 RTC Oscillator External Crystal
        2. 6.1.4.2 RTC Oscillator Input Clock
        3. 6.1.4.3 RC On-die Oscillator Clock
    2. 6.2 DPLLs, DLLs Specifications
      1. 6.2.1 DPLL Characteristics
      2. 6.2.2 DLL Characteristics
      3. 6.2.3 DPLL and DLL Noise Isolation
  7. Timing Requirements and Switching Characteristics
    1. 7.1  Timing Test Conditions
    2. 7.2  Interface Clock Specifications
      1. 7.2.1 Interface Clock Terminology
      2. 7.2.2 Interface Clock Frequency
    3. 7.3  Timing Parameters and Information
      1. 7.3.1 Parameter Information
        1. 7.3.1.1 1.8V and 3.3V Signal Transition Levels
        2. 7.3.1.2 1.8V and 3.3V Signal Transition Rates
        3. 7.3.1.3 Timing Parameters and Board Routing Analysis
    4. 7.4  Recommended Clock and Control Signal Transition Behavior
    5. 7.5  Virtual and Manual I/O Timing Modes
    6. 7.6  Video Input Ports (VIP)
    7. 7.7  Display Subsystem - Video Output Ports
    8. 7.8  Display Subsystem - High-Definition Multimedia Interface (HDMI)
    9. 7.9  Camera Serial Interface 2 CAL bridge (CSI2)
      1. 7.9.1 CSI-2 MIPI D-PHY
    10. 7.10 External Memory Interface (EMIF)
    11. 7.11 General-Purpose Memory Controller (GPMC)
      1. 7.11.1 GPMC/NOR Flash Interface Synchronous Timing
      2. 7.11.2 GPMC/NOR Flash Interface Asynchronous Timing
      3. 7.11.3 GPMC/NAND Flash Interface Asynchronous Timing
    12. 7.12 Timers
    13. 7.13 Inter-Integrated Circuit Interface (I2C)
      1. Table 7-33 Timing Requirements for I2C Input Timings
      2. Table 7-34 Timing Requirements for I2C HS-Mode (I2C3/4/5/6 Only)
      3. Table 7-35 Switching Characteristics Over Recommended Operating Conditions for I2C Output Timings
    14. 7.14 Universal Asynchronous Receiver Transmitter (UART)
      1. Table 7-36 Timing Requirements for UART
      2. Table 7-37 Switching Characteristics Over Recommended Operating Conditions for UART
    15. 7.15 Multichannel Serial Peripheral Interface (McSPI)
    16. 7.16 Quad Serial Peripheral Interface (QSPI)
    17. 7.17 Multichannel Audio Serial Port (McASP)
      1. Table 7-44 Timing Requirements for McASP1
      2. Table 7-45 Timing Requirements for McASP2
      3. Table 7-46 Timing Requirements for McASP3/4/5/6/7/8
    18. 7.18 Universal Serial Bus (USB)
      1. 7.18.1 USB1 DRD PHY
      2. 7.18.2 USB2 PHY
      3. 7.18.3 USB3 DRD ULPI-SDR-Slave Mode-12-pin Mode
    19. 7.19 Serial Advanced Technology Attachment (SATA)
    20. 7.20 Peripheral Component Interconnect Express (PCIe)
    21. 7.21 Controller Area Network Interface (DCAN)
      1. Table 7-64 Timing Requirements for DCANx Receive
      2. Table 7-65 Switching Characteristics Over Recommended Operating Conditions for DCANx Transmit
    22. 7.22 Ethernet Interface (GMAC_SW)
      1. 7.22.1 GMAC MII Timings
        1. Table 7-66 Timing Requirements for miin_rxclk - MII Operation
        2. Table 7-67 Timing Requirements for miin_txclk - MII Operation
        3. Table 7-68 Timing Requirements for GMAC MIIn Receive 10/100 Mbit/s
        4. Table 7-69 Switching Characteristics Over Recommended Operating Conditions for GMAC MIIn Transmit 10/100 Mbits/s
      2. 7.22.2 GMAC MDIO Interface Timings
      3. 7.22.3 GMAC RMII Timings
        1. Table 7-74 Timing Requirements for GMAC REF_CLK - RMII Operation
        2. Table 7-75 Timing Requirements for GMAC RMIIn Receive
        3. Table 7-76 Switching Characteristics Over Recommended Operating Conditions for GMAC REF_CLK - RMII Operation
        4. Table 7-77 Switching Characteristics Over Recommended Operating Conditions for GMAC RMIIn Transmit 10/100 Mbits/s
      4. 7.22.4 GMAC RGMII Timings
        1. Table 7-81 Timing Requirements for rgmiin_rxc - RGMIIn Operation
        2. Table 7-82 Timing Requirements for GMAC RGMIIn Input Receive for 10/100/1000 Mbps
        3. Table 7-83 Switching Characteristics Over Recommended Operating Conditions for rgmiin_txctl - RGMIIn Operation for 10/100/1000 Mbit/s
        4. Table 7-84 Switching Characteristics for GMAC RGMIIn Output Transmit for 10/100/1000 Mbps
    23. 7.23 eMMC/SD/SDIO
      1. 7.23.1 MMC1-SD Card Interface
        1. 7.23.1.1 Default speed, 4-bit data, SDR, half-cycle
        2. 7.23.1.2 High speed, 4-bit data, SDR, half-cycle
        3. 7.23.1.3 SDR12, 4-bit data, half-cycle
        4. 7.23.1.4 SDR25, 4-bit data, half-cycle
        5. 7.23.1.5 UHS-I SDR50, 4-bit data, half-cycle
        6. 7.23.1.6 UHS-I SDR104, 4-bit data, half-cycle
        7. 7.23.1.7 UHS-I DDR50, 4-bit data
      2. 7.23.2 MMC2 - eMMC
        1. 7.23.2.1 Standard JC64 SDR, 8-bit data, half cycle
        2. 7.23.2.2 High-speed JC64 SDR, 8-bit data, half cycle
        3. 7.23.2.3 High-speed HS200 JEDS84, 8-bit data, half cycle
        4. 7.23.2.4 High-speed JC64 DDR, 8-bit data
          1. Table 7-109 Switching Characteristics for MMC2 - JC64 High Speed DDR Mode
      3. 7.23.3 MMC3 and MMC4-SDIO/SD
        1. 7.23.3.1 MMC3 and MMC4, SD Default Speed
        2. 7.23.3.2 MMC3 and MMC4, SD High Speed
        3. 7.23.3.3 MMC3 and MMC4, SD and SDIO SDR12 Mode
        4. 7.23.3.4 MMC3 and MMC4, SD SDR25 Mode
        5. 7.23.3.5 MMC3 SDIO High-Speed UHS-I SDR50 Mode, Half Cycle
    24. 7.24 General-Purpose Interface (GPIO)
    25. 7.25 System and Miscellaneous interfaces
    26. 7.26 Test Interfaces
      1. 7.26.1 IEEE 1149.1 Standard-Test-Access Port (JTAG)
        1. 7.26.1.1 JTAG Electrical Data/Timing
          1. Table 7-131 Timing Requirements for IEEE 1149.1 JTAG
          2. Table 7-132 Switching Characteristics Over Recommended Operating Conditions for IEEE 1149.1 JTAG
          3. Table 7-133 Timing Requirements for IEEE 1149.1 JTAG With RTCK
          4. Table 7-134 Switching Characteristics Over Recommended Operating Conditions for IEEE 1149.1 JTAG With RTCK
      2. 7.26.2 Trace Port Interface Unit (TPIU)
        1. 7.26.2.1 TPIU PLL DDR Mode
  8. Applications, Implementation, and Layout
    1. 8.1 Introduction
      1. 8.1.1 Initial Requirements and Guidelines
    2. 8.2 Power Optimizations
      1. 8.2.1 Step 1: PCB Stack-up
      2. 8.2.2 Step 2: Physical Placement
      3. 8.2.3 Step 3: Static Analysis
        1. 8.2.3.1 PDN Resistance and IR Drop
      4. 8.2.4 Step 4: Frequency Analysis
      5. 8.2.5 System ESD Generic Guidelines
        1. 8.2.5.1 System ESD Generic PCB Guideline
        2. 8.2.5.2 Miscellaneous EMC Guidelines to Mitigate ESD Immunity
        3. 8.2.5.3 ESD Protection System Design Consideration
      6. 8.2.6 EMI / EMC Issues Prevention
        1. 8.2.6.1 Signal Bandwidth
        2. 8.2.6.2 Signal Routing
          1. 8.2.6.2.1 Signal Routing—Sensitive Signals and Shielding
          2. 8.2.6.2.2 Signal Routing—Outer Layer Routing
        3. 8.2.6.3 Ground Guidelines
          1. 8.2.6.3.1 PCB Outer Layers
          2. 8.2.6.3.2 Metallic Frames
          3. 8.2.6.3.3 Connectors
          4. 8.2.6.3.4 Guard Ring on PCB Edges
          5. 8.2.6.3.5 Analog and Digital Ground
    3. 8.3 Core Power Domains
      1. 8.3.1 General Constraints and Theory
      2. 8.3.2 Voltage Decoupling
      3. 8.3.3 Static PDN Analysis
      4. 8.3.4 Dynamic PDN Analysis
      5. 8.3.5 Power Supply Mapping
      6. 8.3.6 DPLL Voltage Requirement
      7. 8.3.7 Example PCB Design
        1. 8.3.7.1 Example Stack-up
        2. 8.3.7.2 vdd Example Analysis
    4. 8.4 Single-Ended Interfaces
      1. 8.4.1 General Routing Guidelines
      2. 8.4.2 QSPI Board Design and Layout Guidelines
    5. 8.5 Differential Interfaces
      1. 8.5.1 General Routing Guidelines
      2. 8.5.2 USB 2.0 Board Design and Layout Guidelines
        1. 8.5.2.1 Background
        2. 8.5.2.2 USB PHY Layout Guide
          1. 8.5.2.2.1 General Routing and Placement
          2. 8.5.2.2.2 Specific Guidelines for USB PHY Layout
            1. 8.5.2.2.2.1  Analog, PLL, and Digital Power Supply Filtering
            2. 8.5.2.2.2.2  Analog, Digital, and PLL Partitioning
            3. 8.5.2.2.2.3  Board Stackup
            4. 8.5.2.2.2.4  Cable Connector Socket
            5. 8.5.2.2.2.5  Clock Routings
            6. 8.5.2.2.2.6  Crystals/Oscillator
            7. 8.5.2.2.2.7  DP/DM Trace
            8. 8.5.2.2.2.8  DP/DM Vias
            9. 8.5.2.2.2.9  Image Planes
            10. 8.5.2.2.2.10 Power Regulators
        3. 8.5.2.3 References
      3. 8.5.3 USB 3.0 Board Design and Layout Guidelines
        1. 8.5.3.1 USB 3.0 interface introduction
        2. 8.5.3.2 USB 3.0 General routing rules
      4. 8.5.4 HDMI Board Design and Layout Guidelines
        1. 8.5.4.1 HDMI Interface Schematic
        2. 8.5.4.2 TMDS General Routing Guidelines
        3. 8.5.4.3 TPD5S115
        4. 8.5.4.4 HDMI ESD Protection Device (Required)
        5. 8.5.4.5 PCB Stackup Specifications
        6. 8.5.4.6 Grounding
      5. 8.5.5 PCIe Board Design and Layout Guidelines
        1. 8.5.5.1 PCIe Connections and Interface Compliance
          1. 8.5.5.1.1 Coupling Capacitors
          2. 8.5.5.1.2 Polarity Inversion
        2. 8.5.5.2 Non-standard PCIe connections
          1. 8.5.5.2.1 PCB Stackup Specifications
          2. 8.5.5.2.2 Routing Specifications
            1. 8.5.5.2.2.1 Impedance
            2. 8.5.5.2.2.2 Differential Coupling
            3. 8.5.5.2.2.3 Pair Length Matching
        3. 8.5.5.3 LJCB_REFN/P Connections
      6. 8.5.6 CSI2 Board Design and Routing Guidelines
        1. 8.5.6.1 CSI2_0 and CSI2_1 MIPI CSI-2 (1.5 Gbps)
          1. 8.5.6.1.1 General Guidelines
          2. 8.5.6.1.2 Length Mismatch Guidelines
            1. 8.5.6.1.2.1 CSI2_0 and CSI2_1 MIPI CSI-2 (1.5 Gbps)
          3. 8.5.6.1.3 Frequency-domain Specification Guidelines
    6. 8.6 DDR3 Board Design and Layout Guidelines
      1. 8.6.1 DDR3 General Board Layout Guidelines
      2. 8.6.2 DDR3 Board Design and Layout Guidelines
        1. 8.6.2.1  Board Designs
        2. 8.6.2.2  DDR3 EMIF
        3. 8.6.2.3  DDR3 Device Combinations
        4. 8.6.2.4  DDR3 Interface Schematic
          1. 8.6.2.4.1 32-Bit DDR3 Interface
          2. 8.6.2.4.2 16-Bit DDR3 Interface
        5. 8.6.2.5  Compatible JEDEC DDR3 Devices
        6. 8.6.2.6  PCB Stackup
        7. 8.6.2.7  Placement
        8. 8.6.2.8  DDR3 Keepout Region
        9. 8.6.2.9  Bulk Bypass Capacitors
        10. 8.6.2.10 High-Speed Bypass Capacitors
          1. 8.6.2.10.1 Return Current Bypass Capacitors
        11. 8.6.2.11 Net Classes
        12. 8.6.2.12 DDR3 Signal Termination
        13. 8.6.2.13 VREF_DDR Routing
        14. 8.6.2.14 VTT
        15. 8.6.2.15 CK and ADDR_CTRL Topologies and Routing Definition
          1. 8.6.2.15.1 Four DDR3 Devices
            1. 8.6.2.15.1.1 CK and ADDR_CTRL Topologies, Four DDR3 Devices
            2. 8.6.2.15.1.2 CK and ADDR_CTRL Routing, Four DDR3 Devices
          2. 8.6.2.15.2 Two DDR3 Devices
            1. 8.6.2.15.2.1 CK and ADDR_CTRL Topologies, Two DDR3 Devices
            2. 8.6.2.15.2.2 CK and ADDR_CTRL Routing, Two DDR3 Devices
          3. 8.6.2.15.3 One DDR3 Device
            1. 8.6.2.15.3.1 CK and ADDR_CTRL Topologies, One DDR3 Device
            2. 8.6.2.15.3.2 CK and ADDR/CTRL Routing, One DDR3 Device
        16. 8.6.2.16 Data Topologies and Routing Definition
          1. 8.6.2.16.1 DQS and DQ/DM Topologies, Any Number of Allowed DDR3 Devices
          2. 8.6.2.16.2 DQS and DQ/DM Routing, Any Number of Allowed DDR3 Devices
        17. 8.6.2.17 Routing Specification
          1. 8.6.2.17.1 CK and ADDR_CTRL Routing Specification
          2. 8.6.2.17.2 DQS and DQ Routing Specification
  9. Device and Documentation Support
    1. 9.1 Device Nomenclature and Orderable Information
      1. 9.1.1 Standard Package Symbolization
      2. 9.1.2 Device Naming Convention
    2. 9.2 Tools and Software
    3. 9.3 Documentation Support
    4. 9.4 Receiving Notification of Documentation Updates
    5. 9.5 Community Resources
    6. 9.6 商标
    7. 9.7 静电放电警告
    8. 9.8 出口管制提示
    9. 9.9 术语表
  10. 10Mechanical Packaging Information
    1. 10.1 Mechanical Data

封装选项

机械数据 (封装 | 引脚)
散热焊盘机械数据 (封装 | 引脚)
订购信息

GPMC/NOR Flash Interface Asynchronous Timing

CAUTION

The I/O Timings provided in this section are valid only for some GPMC usage modes when the corresponding Virtual I/O Timings or Manual I/O Timings are configured as described in the tables found in this section.

Table 7-28 and Table 7-29 assume testing over the recommended operating conditions and electrical characteristic conditions below (see Figure 7-13, Figure 7-14, Figure 7-15, Figure 7-16, Figure 7-17 and Figure 7-18).

Table 7-28 GPMC/NOR Flash Interface Timing Requirements - Asynchronous Mode

NO. PARAMETER DESCRIPTION MIN MAX UNIT
FA5 tacc(DAT) Data Maximum Access Time (GPMC_FCLK cycles) H (1) cycles
FA20 tacc1-pgmode(DAT) Page Mode Successive Data Maximum Access Time (GPMC_FCLK cycles) P (2) cycles
FA21 tacc2-pgmode(DAT) Page Mode First Data Maximum Access Time (GPMC_FCLK cycles) H (1) cycles
- tsu(DV-OEH) Setup time, read gpmc_ad[15:0] valid before gpmc_oen_ren high 1.9 ns
- th(OEH-DV) Hold time, read gpmc_ad[15:0] valid after gpmc_oen_ren high 1 ns
  1. H = Access Time * (TimeParaGranularity + 1)
  2. P = PageBurstAccessTime * (TimeParaGranularity + 1)

Table 7-29 GPMC/NOR Flash Interface Switching Characteristics - Asynchronous Mode

NO. PARAMETER DESCRIPTION MIN MAX UNIT
- tr(DO) Rising time, gpmc_ad[15:0] output data 0.447 4.067 ns
- tf(DO) Fallling time, gpmc_ad[15:0] output data 0.43 4.463 ns
FA0 tw(nBEV) Pulse duration, gpmc_ben[1:0] valid time N (1) ns
FA1 tw(nCSV) Pulse duration, gpmc_cs[7:0] low A (2) ns
FA3 td(nCSV-nADVIV) Delay time, gpmc_cs[7:0] valid to gpmc_advn_ale invalid B - 2 (3) B + 4 (3) ns
FA4 td(nCSV-nOEIV) Delay time, gpmc_cs[7:0] valid to gpmc_oen_ren invalid (Single read) C - 2 (4) C + 4 (4) ns
FA9 td(AV-nCSV) Delay time, address bus valid to gpmc_cs[7:0] valid J - 2 (5) J + 4 (5) ns
FA10 td(nBEV-nCSV) Delay time, gpmc_ben[1:0] valid to gpmc_cs[7:0] valid J - 2 (5) J + 4 (5) ns
FA12 td(nCSV-nADVV) Delay time, gpmc_cs[7:0] valid to gpmc_advn_ale valid K - 2 (6) K + 4 (6) ns
FA13 td(nCSV-nOEV) Delay time, gpmc_cs[7:0] valid to gpmc_oen_ren valid L - 2 (7) L + 4 (7) ns
FA16 tw(AIV) Pulse duration, address invalid between 2 successive R/W accesses G (8) ns
FA18 td(nCSV-nOEIV) Delay time, gpmc_cs[7:0] valid to gpmc_oen_ren invalid (Burst read) I - 2 (9) I + 4 (9) ns
FA20 tw(AV) Pulse duration, address valid : 2nd, 3rd and 4th accesses D (10) ns
FA25 td(nCSV-nWEV) Delay time, gpmc_cs[7:0] valid to gpmc_wen valid E - 2 (11) E + 4 (11) ns
FA27 td(nCSV-nWEIV) Delay time, gpmc_cs[7:0] valid to gpmc_wen invalid F - 2 (12) F + 4 (12) ns
FA28 td(nWEV-DV) Delay time, gpmc_ wen valid to data bus valid 2 ns
FA29 td(DV-nCSV) Delay time, data bus valid to gpmc_cs[7:0] valid J - 2 (5) J + 4 (5) ns
FA37 td(nOEV-AIV) Delay time, gpmc_oen_ren valid to gpmc_ad[15:0] multiplexed address bus phase end 2 ns
  1. For single read: N = RdCycleTime * (TimeParaGranularity + 1) * GPMC_FCLK
    For single write: N = WrCycleTime * (TimeParaGranularity + 1) * GPMC_FCLK
    For burst read: N = (RdCycleTime + (n - 1) * PageBurstAccessTime) * (TimeParaGranularity + 1) * GPMC_FCLK
    For burst write: N = (WrCycleTime + (n - 1) * PageBurstAccessTime) * (TimeParaGranularity + 1) * GPMC_FCLK
  2. For single read: A = (CSRdOffTime - CSOnTime) * (TimeParaGranularity + 1) * GPMC_FCLK
    For single write: A = (CSWrOffTime - CSOnTime) * (TimeParaGranularity + 1) * GPMC_FCLK
    For burst read: A = (CSRdOffTime - CSOnTime + (n - 1) * PageBurstAccessTime) * (TimeParaGranularity + 1) * GPMC_FCLK
    For burst write: A = (CSWrOffTime - CSOnTime + (n - 1) * PageBurstAccessTime) * (TimeParaGranularity + 1) * GPMC_FCLK
  3. For reading: B = ((ADVRdOffTime - CSOnTime) * (TimeParaGranularity + 1) + 0.5 * (ADVExtraDelay - CSExtraDelay)) * GPMC_FCLK
    For writing: B = ((ADVWrOffTime - CSOnTime) * (TimeParaGranularity + 1) + 0.5 * (ADVExtraDelay - CSExtraDelay)) * GPMC_FCLK
  4. C = ((OEOffTime - CSOnTime) * (TimeParaGranularity + 1) + 0.5 * (OEExtraDelay - CSExtraDelay)) * GPMC_FCLK
  5. J = (CSOnTime * (TimeParaGranularity + 1) + 0.5 * CSExtraDelay) * GPMC_FCLK
  6. K = ((ADVOnTime - CSOnTime) * (TimeParaGranularity + 1) + 0.5 * (ADVExtraDelay - CSExtraDelay)) * GPMC_FCLK
  7. L = ((OEOnTime - CSOnTime) * (TimeParaGranularity + 1) + 0.5 * (OEExtraDelay - CSExtraDelay)) * GPMC_FCLK
  8. G = Cycle2CycleDelay * GPMC_FCLK * (TimeParaGranularity +1)
  9. I = ((OEOffTime + (n - 1) * PageBurstAccessTime - CSOnTime) * (TimeParaGranularity + 1) + 0.5 * (OEExtraDelay - CSExtraDelay)) * GPMC_FCLK
  10. D = PageBurstAccessTime * (TimeParaGranularity + 1) * GPMC_FCLK
  11. E = ((WEOnTime - CSOnTime) * (TimeParaGranularity + 1) + 0.5 * (WEExtraDelay - CSExtraDelay)) * GPMC_FCLK
  12. F = ((WEOffTime - CSOnTime) * (TimeParaGranularity + 1) + 0.5 * (WEExtraDelay - CSExtraDelay)) * GPMC_FCLK
TDA2E SPRS906_TIMING_GPMC_07.gifFigure 7-13 GPMC / NOR Flash - Asynchronous Read - Single Word Timing(1)(2)(3)
  1. In gpmc_csi, i = 0 to 7. In gpmc_waitj, j = 0 to 1.
  2. FA5 parameter illustrates amount of time required to internally sample input data. It is expressed in number of GPMC functional clock cycles. From start of read cycle and after FA5 functional clock cycles, input Data will be internally sampled by active functional clock edge. FA5 value must be stored inside AccessTime register bits field.
  3. GPMC_FCLK is an internal clock (GPMC functional clock) not provided externally.
  4. The "DIR" (direction control) output signal is NOT pinned out on any of the device pads. It is an internal signal only representing a signal direction on the GPMC data bus.
TDA2E SPRS906_TIMING_GPMC_08.gifFigure 7-14 GPMC / NOR Flash - Asynchronous Read - 32-bit Timing(1)(2)(3)
  1. In “gpmc_csi”, i = 0 to 7. In “gpmc_waitj”, j = 0 to 1.
  2. FA5 parameter illustrates amount of time required to internally sample input Data. It is expressed in number of GPMC functional clock cycles. From start of read cycle and after FA5 functional clock cycles, input Data will be internally sampled by active functional clock edge. FA5 value should be stored inside AccessTime register bits field
  3. GPMC_FCLK is an internal clock (GPMC functional clock) not provided externally
  4. The "DIR" (direction control) output signal is NOT pinned out on any of the device pads. It is an internal signal only representing a signal direction on the GPMC data bus.
TDA2E SPRS906_TIMING_GPMC_09.gifFigure 7-15 GPMC / NOR Flash - Asynchronous Read - Page Mode 4x16-bit Timing(1)(2)(3)(4)
  1. In “gpmc_csi”, i = 0 to 7. In “gpmc_waitj”, j = 0 to 1
  2. FA21 parameter illustrates amount of time required to internally sample first input Page Data. It is expressed in number of GPMC functional clock cycles. From start of read cycle and after FA21 functional clock cycles, First input Page Data will be internally sampled by active functional clock edge. FA21 calculation is detailled in a separated application note and should be stored inside AccessTime register bits field.
  3. FA20 parameter illustrates amount of time required to internally sample successive input Page Data. It is expressed in number of GPMC functional clock cycles. After each access to input Page Data, next input Page Data will be internally sampled by active functional clock edge after FA20 functional clock cycles. FA20 is also the duration of address phases for successive input Page Data (excluding first input Page Data). FA20 value should be stored in PageBurstAccessTime register bits field.
  4. GPMC_FCLK is an internal clock (GPMC functional clock) not provided externally
  5. The "DIR" (direction control) output signal is NOT pinned out on any of the device pads. It is an internal signal only representing a signal direction on the GPMC data bus.
TDA2E SPRS906_TIMING_GPMC_10.gifFigure 7-16 GPMC / NOR Flash - Asynchronous Write - Single Word Timing(1)
  1. In “gpmc_csi”, i = 0 to 7. In “gpmc_waitj”, j = 0 to 1.
  2. The "DIR" (direction control) output signal is NOT pinned out on any of the device pads. It is an internal signal only representing a signal direction on the GPMC data bus.
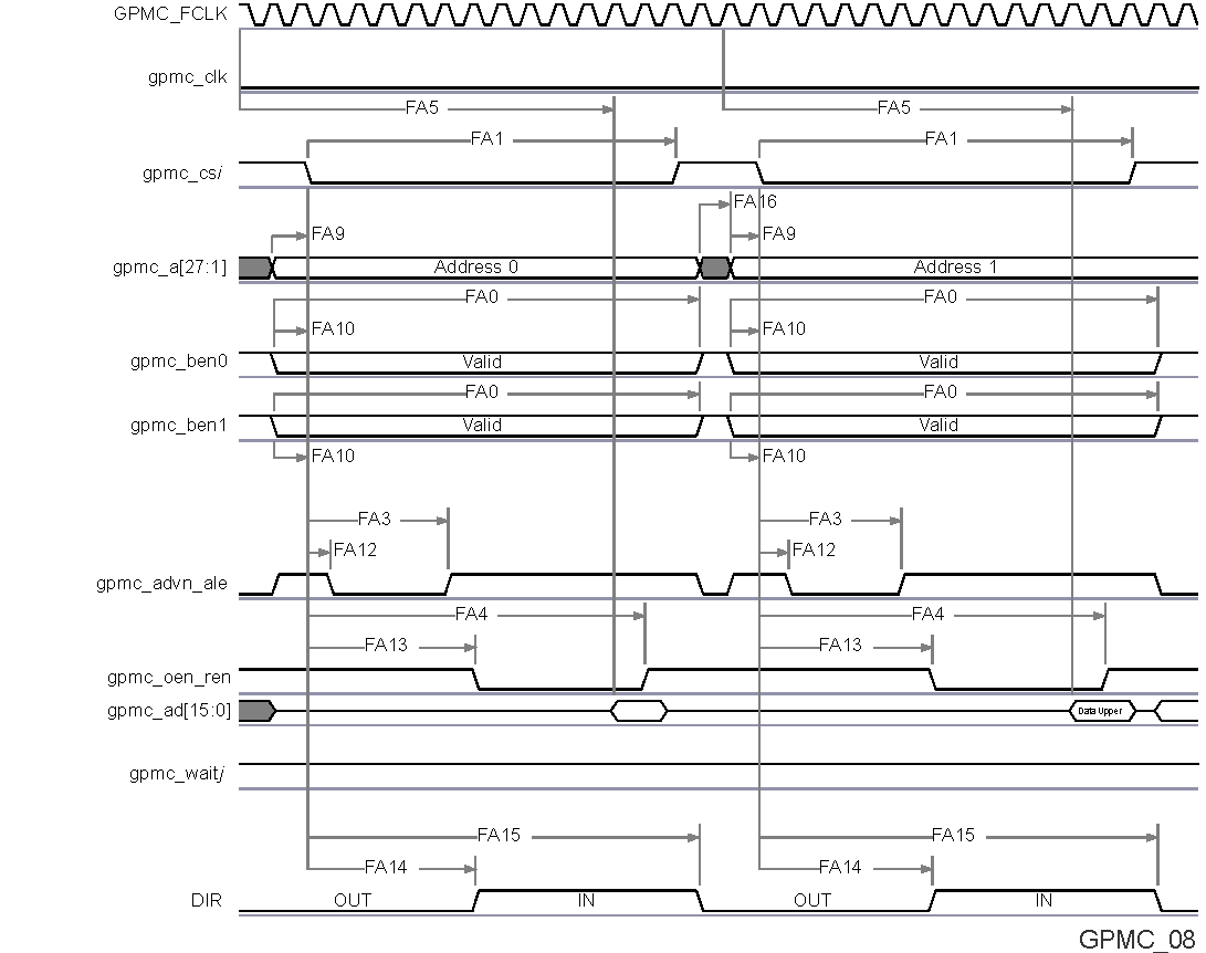
TDA2E SPRS906_TIMING_GPMC_11.gifFigure 7-17 GPMC / Multiplexed NOR Flash - Asynchronous Read - Single Word Timing(1)(2)(3)
  1. In “gpmc_csi”, i = 0 to 7. In “gpmc_waitj”, j = 0 to 1
  2. FA5 parameter illustrates amount of time required to internally sample input Data. It is expressed in number of GPMC functional clock cycles. From start of read cycle and after FA5 functional clock cycles, input Data will be internally sampled by active functional clock edge. FA5 value should be stored inside AccessTime register bits field.
  3. GPMC_FCLK is an internal clock (GPMC functional clock) not provided externally
  4. The "DIR" (direction control) output signal is NOT pinned out on any of the device pads. It is an internal signal only representing a signal direction on the GPMC data bus.
TDA2E SPRS906_TIMING_GPMC_12.gifFigure 7-18 GPMC / Multiplexed NOR Flash - Asynchronous Write - Single Word Timing(1)
  1. In “gpmc_csi”, i = 0 to 7. In “gpmc_waitj”, j = 0 to 1.
  2. The "DIR" (direction control) output signal is NOT pinned out on any of the device pads. It is an internal signal only representing a signal direction on the GPMC data bus.