ZHCSXC5E August   2004  – December 2024 OPA2830

PRODUCTION DATA  

  1.   1
  2. 特性
  3. 应用
  4. 说明
  5. 器件比较表
  6. 引脚配置和功能
  7. 规格
    1. 6.1  绝对最大额定值
    2. 6.2  ESD 等级
    3. 6.3  建议运行条件
    4. 6.4  热性能信息
    5. 6.5  电气特性 VS = ±5V
    6. 6.6  电气特性 VS = 5V
    7. 6.7  电气特性 VS = 3V
    8. 6.8  典型特性:VS = ±5V
    9. 6.9  典型特性:VS = ±5V,差分配置
    10. 6.10 典型特性:VS = 5V
    11. 6.11 典型特性:VS = 5V,差分配置
    12. 6.12 典型特性:VS = 3V
    13. 6.13 典型特性:VS = 3V,差分配置
  8. 参数测量信息
  9. 应用和实施
    1. 8.1 应用信息
      1. 8.1.1  宽带电压反馈运算
      2. 8.1.2  单电源 ADC 接口
      3. 8.1.3  直流电平转换
      4. 8.1.4  交流耦合输出视频线路驱动器
      5. 8.1.5  具有较小峰值的同相放大器
      6. 8.1.6  单电源有源滤波器
      7. 8.1.7  差分低通有源滤波器
      8. 8.1.8  高通滤波器
      9. 8.1.9  高性能 DAC 跨阻放大器
      10. 8.1.10 优化电阻器阻值的操作建议
      11. 8.1.11 带宽与增益:同相运行
      12. 8.1.12 反相放大器运行
      13. 8.1.13 输出电流和电压
      14. 8.1.14 驱动容性负载
      15. 8.1.15 失真性能
      16. 8.1.16 噪声性能
      17. 8.1.17 直流精度和偏移控制
    2. 8.2 电源相关建议
      1. 8.2.1 热分析
    3. 8.3 布局
      1. 8.3.1 电路板布局布线准则
        1. 8.3.1.1 输入和 ESD 保护
  10. 器件和文档支持
    1. 9.1 器件支持
      1. 9.1.1 设计工具
        1. 9.1.1.1 演示装置
        2. 9.1.1.2 宏模型和应用支持
    2. 9.2 接收文档更新通知
    3. 9.3 支持资源
    4. 9.4 商标
    5. 9.5 静电放电警告
    6. 9.6 术语表
  11. 10修订历史记录
  12. 11机械、封装和可订购信息

封装选项

请参考 PDF 数据表获取器件具体的封装图。

机械数据 (封装 | 引脚)
  • D|8
  • DGK|8
散热焊盘机械数据 (封装 | 引脚)
订购信息

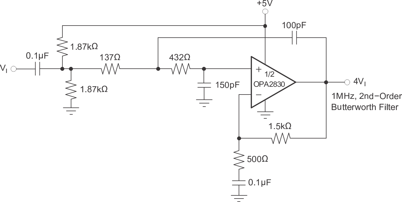
单电源有源滤波器

OPA2830 由单个 3V 或 5V 电源供电,非常适合高频有源滤波器设计。关键附加要求是在最高动态范围的电源中点附近建立信号的直流工作点。图 8-9 显示了采用 Sallen-Key 拓扑的 1MHz 低通巴特沃斯滤波器的设计示例。

输入信号和增益设置电阻器均使用 0.1μF 阻断电容器进行交流耦合(实际提供带通响应,对于所示的元件值,低频极点设置为 32kHz)。该配置允许由两个 1.87kΩ 电阻器形成的中点偏置出现在输入和输出引脚上。在这种情况下,中频信号增益被设置为 +4 (12dB)。同相输入端的接地电容器容值特意设计得较大,以主导输入寄生项。当增益为 +4 时,采用单电源的 OPA2830 显示了 30MHz 小信号和大信号带宽。滤波器电阻器阻值经过细微调整,以解决放大器级中的该有限带宽问题。对该电路的测试表明,该电路具有精确的 1MHz、–3dB 点和最大平坦通带(高于 32kHz 交流耦合角),并且在放大器 –3dB 带宽为 30MHz 时具有 36dB 的最大阻带衰减。

OPA2830 单电源高频有源滤波器图 8-9 单电源高频有源滤波器