ZHCSOA7D June   2021  – July 2025 BUF802

PRODUCTION DATA  

  1.   1
  2. 特性
  3. 应用
  4. 说明
  5. 引脚配置和功能
  6. 规格
    1. 5.1 绝对最大额定值
    2. 5.2 ESD 等级
    3. 5.3 建议运行条件
    4. 5.4 热性能信息
    5. 5.5 电气特性 - 宽带宽模式
    6. 5.6 电气特性 - 低静态电流模式
    7. 5.7 典型特性
  7. 参数测量信息
  8. 详细说明
    1. 7.1 概述
    2. 7.2 功能方框图
    3. 7.3 特性说明
      1. 7.3.1 输入和输出过压钳位
      2. 7.3.2 可调节静态电流
      3. 7.3.3 ESD 结构
    4. 7.4 器件功能模式
      1. 7.4.1 缓冲器模式(BF 模式)
      2. 7.4.2 复合环路模式(CL 模式)
  9. 应用和实施
    1. 8.1 应用信息
    2. 8.2 典型应用
      1. 8.2.1 示波器前端放大器设计
        1. 8.2.1.1 设计要求
        2. 8.2.1.2 详细设计过程
        3. 8.2.1.3 应用曲线
      2. 8.2.2 将宽带宽 50Ω 输入信号链转为高输入阻抗
        1. 8.2.2.1 详细设计过程
        2. 8.2.2.2 应用曲线
    3. 8.3 电源相关建议
    4. 8.4 布局
      1. 8.4.1 布局指南
      2. 8.4.2 布局示例
  10. 器件和文档支持
    1. 9.1 文档支持
      1. 9.1.1 相关文档
    2. 9.2 接收文档更新通知
    3. 9.3 支持资源
    4. 9.4 商标
    5. 9.5 静电放电警告
    6. 9.6 术语表
  11. 10修订历史记录
  12. 11机械、封装和可订购信息

封装选项

机械数据 (封装 | 引脚)
散热焊盘机械数据 (封装 | 引脚)
订购信息

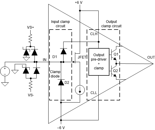
输入和输出过压钳位

BUF802 内部输入和输出过压钳位图 7-1 内部输入和输出过压钳位

BUF802 器件集成了一个输入和输出钳位电路。输入钳位可保护 BUF802 免受大输入瞬态的影响,而输出钳位可保护后续级免于过驱。

  • 输入钳位电路
    • 图 7-1 展示了通过两个内部钳位二极管 D1 和 D2 连接到引脚 CLH 和 VS-BUF802 的输入。这些二极管额定连续电流为 100mA,但可以承受更高的瞬态电流。如果 JFET 输入电压超过 CLH 或 VS– 处的电压,二极管会被正向偏置,将 JFET 钳位到 CLH 和 VS-。与齐纳二极管并联的 1μF 电容器有助于吸收通过 D1 二极管传导的瞬态电流。
    • 图 7-2 显示了在 D1和 D2 的 100mA 额定电流不足的情况下,如何使用外部钳位二极管。使用外部钳位时,通过将 CLH 和 CLL 连接到 VS+和 VS– 来禁用 BUF802 的内部保护。
BUF802 外部输入钳位电路图 7-2 外部输入钳位电路
  • 输出钳位电路
    • 输出保护电路可防止 BUF802 后面的级被过驱。此电路还有助于 BUF802 从由输入过驱或输出过驱条件导致的饱和状态中快速恢复。在典型数据采集系统中,BUF802 后接一个可变增益放大器 (VGA)。高速 VGA 通常采用 5V 工艺设计,因此该器件很容易受到 12V BUF802 造成的潜在损坏。向 CLH 和 CLL 引脚施加的电压决定了 BUF802 的最大输出摆幅。
    • 图 7-2 展示了通过将 CLH 和 CLL 分别连接到 VS+ 和 VS– 来禁用内部钳位。钳位被禁用时,最大输出摆幅受 节 5.5 中所述输出摆幅规格的限制。节 5.7 显示了输出钳位的响应时间和精度。
    • 当 VCLH 和 VCLL 设置为接近预期的 VOUT 峰值时,BUF802 的输出 THD 会降低。为了防止信号降低,请确保预期峰值输出电压与施加在 CLH 和 CLL 引脚上的钳位电压之间至少保持 1.5V 的差值。图 7-3 显示了 1VPP 输出下绝对钳位电压值与 THD 之间的关系。
BUF802 VOUT = 1VPP 时,THD 与 VCLH/VCLL 间的关系图 7-3 VOUT = 1VPP 时,THD 与 VCLH/VCLL 间的关系
BUF802 瞬态钳位响应图 7-4 瞬态钳位响应