ZHCUAG6C May   2020  – October 2022 LMG2610 , UCC28782

 

  1. 使用 UCC28782EVM-030 65W USB-C PD 高密度有源钳位反激式转换器
    1.     商标
  2. 通用德州仪器 (TI) 高压评估模块 (TI HV EVM) 用户安全指南
  3. 说明
  4. 电气性能规格
  5. 原理图
  6. 说明
    1. 6.1 典型应用
    2. 6.2 在具有 USB-C PD 通信功能的负载上使用该 EVM
    3. 6.3 在不具有 USB-C PD 通信功能的负载上使用该 EVM
  7. 测试设置
    1. 7.1 测试设置要求
    2. 7.2 测试设置图
    3. 7.3 测试点
  8. 性能数据和典型特性曲线
    1. 8.1  20Vout 时的 4 点平均效率结果
    2. 8.2  15Vout 时的 4 点平均效率结果
    3. 8.3  9Vout 时的 4 点平均效率结果
    4. 8.4  5Vout 时的 4 点平均效率结果
    5. 8.5  效率典型结果
    6. 8.6  输出特性
    7. 8.7  开关频率
    8. 8.8  主要开关波形和工作模式负载电流
    9. 8.9  启动
    10. 8.10 通过 USB-C PD 调节输出电压
    11. 8.11 线路瞬态响应
    12. 8.12 输出纹波电压
    13. 8.13 VDD 偏置的升压功能
    14.     29
    15. 8.14 X 电容器放电
    16. 8.15 USB-C PD 过流限制
    17. 8.16 负载瞬态响应
    18. 8.17 EN55022 B 类传导 EMI 测试结果
    19. 8.18 满负载条件下的热图像(20V 和 3.25A)
  9. 变压器详细信息
  10. 10EVM 装配图和布局
  11. 11物料清单
  12. 12修订历史记录

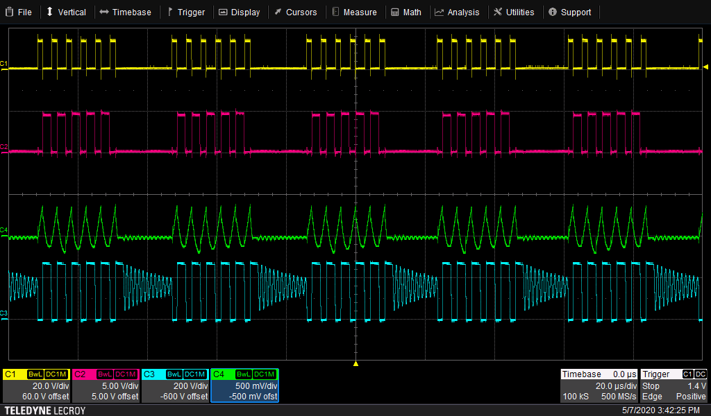
主要开关波形和工作模式负载电流

本节在表 8-1 中显示了典型工作模式,以及本设计中的典型负载电流,以 Vin = 115Vac 和 Vo = 20V 为例。

  • AAM:自适应幅度调制
  • ABM:自适应突发模式
  • LPM:低功率模式
  • SBP1:第一待机功耗模式
  • SBP2:第二待机功耗模式

表 8-1 20V 输出和 115Vac 输入下的工作模式和负载电流
模式AAMABMLPMSBP1SBP2生存
突发频率,fBUR不适用> 25kHz(2 至 9 个脉冲)约 25kHz(2 个脉冲)8.5kHz 至 25kHz(2 个脉冲)< 8.5kHz(2 个脉冲)约 8 个脉冲
典型负载电流1.8A 至 3.25A0.5A 至 1.8A0.2A 至 0.5A0.1A 至 0.2A< 0.1A不适用
GUID-86999A54-B47A-40C0-B993-17C3A39AB7B9-low.png图 8-9 AAM 工作模式下的典型波形,黄色 = PWML,红色 = PWMH,绿色 = 变压器初级绕组电流 (0.2V/A),蓝色 = 开关节点电压
GUID-8EAC6AC4-5CC4-4A4A-B416-B0E6313C7B09-low.png图 8-11 ABM 工作模式下的典型波形,黄色 = PWML,红色 = SR MOSFET 的 Vgs,绿色 = 变压器初级绕组电流 (0.2V/A),蓝色 = 开关节点电压
GUID-70CCB00F-E1B7-4A1B-81C0-094E464CE01C-low.png图 8-10 ABM 工作模式下的典型波形,黄色 = PWML,红色 = PWMH,绿色 = 变压器初级绕组电流 (0.2V/A),蓝色 = 开关节点电压
GUID-BAC5DA20-141E-41DF-BA93-B2E142CFC4A5-low.png图 8-12 LPM 工作模式下的典型波形,黄色 = PWML,红色 = PWMH,绿色 = 变压器初级绕组电流 (0.2V/A),蓝色 = 开关节点电压
GUID-540CA9E1-EE76-4065-96B6-5F62910E8502-low.png图 8-13 SBP1 工作模式下的典型波形,黄色 = PWML,红色 = PWMH,绿色 = 变压器初级绕组电流 (0.2V/A),蓝色 = 开关节点电压
GUID-FB3BCE70-0E91-48C6-A5F0-F13279B4A497-low.png图 8-14 SBP2 工作模式下的典型波形,黄色 = PWML,红色 = PWMH,绿色 = 变压器初级绕组电流 (0.2V/A),蓝色 = 开关节点电压