ZHCU884E June   2020  – July 2022 BQ25792 , BQ25798

 

  1.   BQ25792EVM、BQ25798BKUPEVM 和 BQ25798EVM (BMS034) 评估模块
  2. 1引言
    1. 1.1 EVM 特性
    2. 1.2 I/O 说明
    3. 1.3 建议运行条件
  3. 2测试设置和结果
    1. 2.1 设备
    2. 2.2 设备设置
    3. 2.3 软件设置
      1. 2.3.1 使用 EV2400 的 BQSTUDIO
      2. 2.3.2 适用于 USB2ANY 的 TI Charger GUI
    4. 2.4 测试步骤
      1. 2.4.1 初始设置
      2. 2.4.2 通信验证
      3. 2.4.3 充电模式验证
      4. 2.4.4 OTG 模式验证
  4. 3PCB 布局指南
  5. 4电路板布局、原理图和物料清单
    1. 4.1 BMS034 电路板布局
    2. 4.2 BQ2579XEVM (BMS034) 原理图
    3. 4.3 物料清单
  6. 5修订历史记录

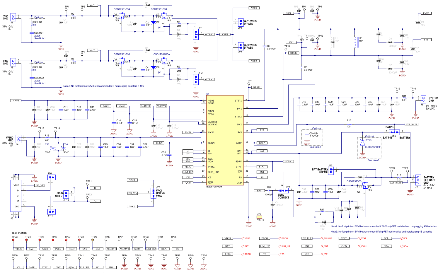
BQ2579XEVM (BMS034) 原理图

图 4-5图 4-6图 4-7 展示了 BQ2579XEVM 的原理图。

GUID-20220620-SS0I-4CLP-WMN6-QC7BLGPN7BSV-low.gif图 4-5 BQ25792EVM (BMS034A/B-001) 和 BQ25798EVM (BMS034A/B-003) 原理图第 1 页
GUID-B03F0AC2-734C-45AA-8291-DBD88860747F-low.gif图 4-6 BQ25792EVM (BMS034A/B-001)、BQ25798BKUPEVM (BMS034A/B-005) 和 BQ25798EVM (BMS034A/B-003) 原理图第 2 页
GUID-20220620-SS0I-983D-TLQK-ST0GWVGJP38T-low.gif图 4-7 BQ25798BKUPEVM (BMS034A/B-002) 原理图第 1 页