ZHCU814C August   2014  – March 2021 ADS8688

 

  1. 商标
  2. ADS8688EVM-PDK 概述
  3. EVM 模拟接口
    1. 3.1 ADC 模拟输入连接和滤波器
    2. 3.2 电压参考、辅助输入和电源去耦
  4. 数字接口
    1. 4.1 串行接口 (SPI)
    2. 4.2 板载 EEPROM 的 I2C 总线
  5. 电源
  6. ADS8688 初始设置
    1. 6.1 应安装的软件
  7. EVM 操作
    1. 7.1 连接硬件
    2. 7.2 修改硬件并使用软件来评估系列中的其他器件
    3. 7.3 用于 ADC 控制的 EVM GUI 全局设置
    4. 7.4 时域显示
    5. 7.5 频域显示
    6. 7.6 直方图显示
  8. 物料清单、原理图和布局
    1. 8.1 物料清单
    2. 8.2 电路板布局
    3. 8.3 原理图
  9. 10修订历史记录

原理图

图 8-2 所示为输入滤波器、端子块和 SMA 连接。

GUID-2104D744-A5FA-4F2C-A9F2-90979E6D4943-low.gif图 8-2 输入滤波器

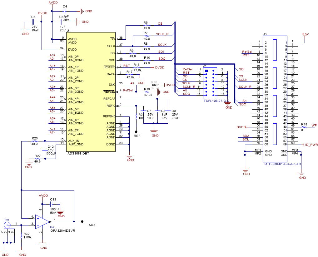
图 8-3 所示为输入滤波器、端子块和 SMA 连接。

GUID-20210312-CA0I-RD3T-LHS6-XWZDPWR3H9P1-low.gif图 8-3 ADC 和数字接口

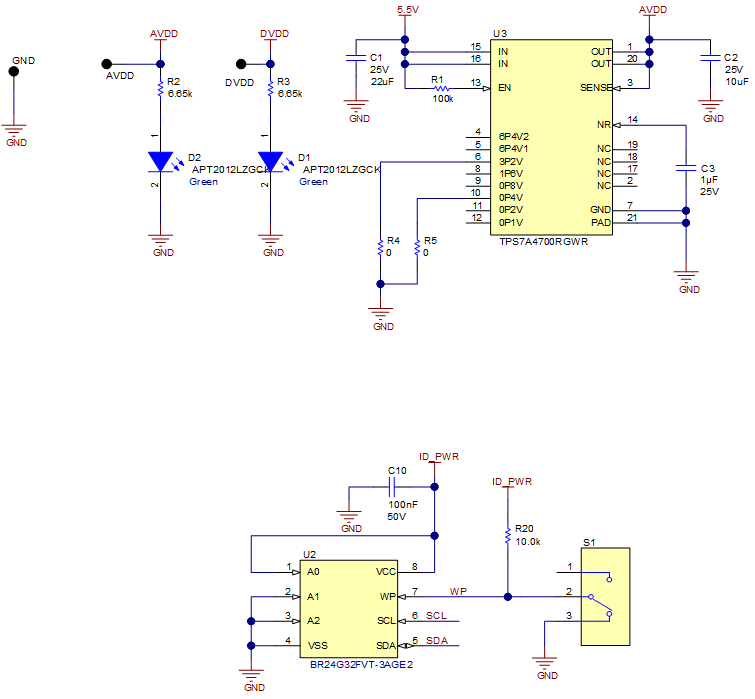
图 8-4 所示为电源和 EEPROM 连接

GUID-2328F9F1-8911-45E2-926E-18E492BE776C-low.gif图 8-4 电源和 EEPROM