ZHCSHN9B February 2018 – February 2025 LMK05028
PRODUCTION DATA
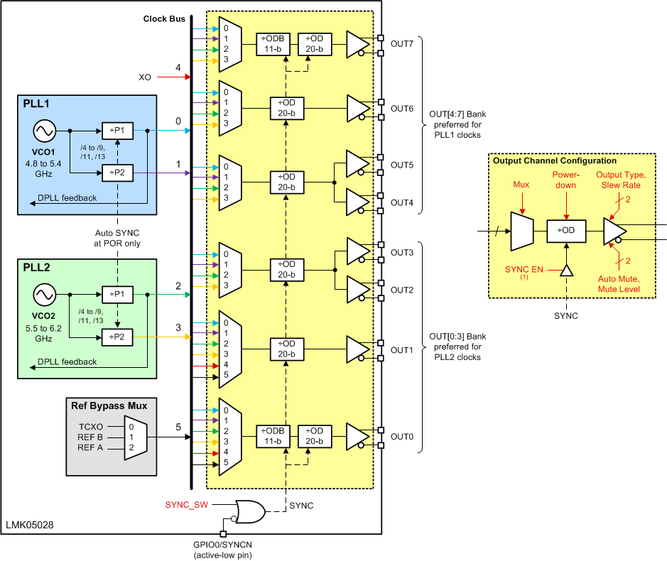
The output clock distribution blocks shown in Figure 7-27 includes six output muxes, a TCXO/Ref Bypass mux, six output dividers, and eight programmable output drivers. The output dividers support output synchronization (SYNC) to allow phase synchronization between two or more output channels. Also, each output bank (OUT[0:3] and OUT[4:7]) has separate a zero-delay feedback path to support the zero-delay mode option available on each DPLL channel.
