ZHCSGZ6A October   2017  – February 2025 TPS6508700

PRODUCTION DATA  

  1.   1
  2. 特性
  3. 应用
  4. 说明
  5. Pin Configuration and Functions
  6. Specifications
    1. 5.1  Absolute Maximum Ratings
    2. 5.2  ESD Ratings
    3. 5.3  Recommended Operating Conditions
    4. 5.4  Thermal Information
    5. 5.5  Electrical Characteristics: Total Current Consumption
    6. 5.6  Electrical Characteristics: Reference and Monitoring System
    7. 5.7  Electrical Characteristics: Buck Controllers
    8. 5.8  Electrical Characteristics: Synchronous Buck Converters
    9. 5.9  Electrical Characteristics: LDOs
    10. 5.10 Electrical Characteristics: Load Switches
    11. 5.11 Digital Signals: I2C Interface
    12. 5.12 Digital Input Signals (CTLx)
    13. 5.13 Digital Output Signals (IRQB, GPOx)
    14. 5.14 Timing Requirements
    15. 5.15 Switching Characteristics
    16. 5.16 Typical Characteristics
  7. Detailed Description
    1. 6.1 Overview
    2. 6.2 Functional Block Diagram
    3. 6.3 SMPS Voltage Regulators
      1. 6.3.1 Controller Overview
      2. 6.3.2 Converter Overview
      3. 6.3.3 Dynamic Voltage Scaling
      4. 6.3.4 Current Limit
    4. 6.4 LDO Regulators and Load Switches
      1. 6.4.1 VTT LDO
      2. 6.4.2 LDOA1–LDOA3
      3. 6.4.3 Load Switches
    5. 6.5 Power Good Information (PGOOD or PG) and GPO Pins
    6. 6.6 Power Sequencing and Voltage-Rail Control
      1. 6.6.1 Power-Up and Power-Down Sequencing
      2. 6.6.2 Emergency Shutdown
    7. 6.7 Device Functional Modes
      1. 6.7.1 Off Mode
      2. 6.7.2 Standby Mode
      3. 6.7.3 Active Mode
    8. 6.8 I2C Interface
      1. 6.8.1 F/S-Mode Protocol
    9. 6.9 Register Maps
      1. 6.9.1  Register Map Summary
      2. 6.9.2  DEVICEID: PMIC Device and Revision ID Register (offset = 1h) [reset = 10h]
      3. 6.9.3  IRQ: PMIC Interrupt Register (offset = 2h) [reset = 0h]
      4. 6.9.4  IRQ_MASK: PMIC Interrupt Mask Register (offset = 3h) [reset = FFh]
      5. 6.9.5  PMICSTAT: PMIC Status Register (offset = 4h) [reset = 0h]
      6. 6.9.6  SHUTDNSRC: PMIC Shut-Down Event Register (offset = 5h) [reset = 0h]
      7. 6.9.7  BUCK2CTRL: BUCK2 Control Register (offset = 21h) [reset = 50h]
      8. 6.9.8  BUCK3DECAY: BUCK3 Decay Control Register (offset = 22h) [reset = 70h]
      9. 6.9.9  BUCK3VID: BUCK3 VID Register (offset = 23h) [reset = 70h]
      10. 6.9.10 BUCK3SLPCTRL: BUCK3 Sleep Control VID Register (offset = 24h) [reset = 70h]
      11. 6.9.11 BUCK4CTRL: BUCK4 Control Register (offset = 25h) [reset = Dh]
      12. 6.9.12 BUCK5CTRL: BUCK5 Control Register (offset = 26h) [reset = Dh]
      13. 6.9.13 BUCK6CTRL: BUCK6 Control Register (offset = 27h) [reset = Dh]
      14. 6.9.14 LDOA2CTRL: LDOA2 Control Register (offset = 28h) [reset = Ch]
      15. 6.9.15 LDOA3CTRL: LDOA3 Control Register (offset = 29h) [reset = 3Ch]
      16. 6.9.16 DISCHCTRL1: Discharge Control1 Register (offset = 40h) [reset = 55h]
      17. 6.9.17 DISCHCTRL2: Discharge Control2 Register (offset = 41h) [reset = 55h]
      18. 6.9.18 DISCHCTRL3: Discharge Control3 Register (offset = 42h) [reset = 15h]
      19. 6.9.19 PG_DELAY1: Power Good Delay1 Register (offset = 43h) [reset = 0h]
      20. 6.9.20 FORCESHUTDN: Force Emergency Shutdown Control Register (offset = 91h) [reset = 0h]
      21. 6.9.21 BUCK2SLPCTRL: BUCK2 Sleep Control Register (offset = 93h) [reset = 50h]
      22. 6.9.22 BUCK4VID: BUCK4 VID Register (offset = 94h) [reset = 20h]
      23. 6.9.23 BUCK4SLPVID: BUCK4 Sleep VID Register (offset = 95h) [reset = 20h]
      24. 6.9.24 BUCK5VID: BUCK5 VID Register (offset = 96h) [reset = 70h]
      25. 6.9.25 BUCK5SLPVID: BUCK5 Sleep VID Register (offset = 97h) [reset = E8h]
      26. 6.9.26 BUCK6VID: BUCK6 VID Register (offset = 98h) [reset = E8h]
      27. 6.9.27 BUCK6SLPVID: BUCK6 Sleep VID Register (offset = 99h) [reset = E8h]
      28. 6.9.28 LDOA2VID: LDOA2 VID Register (offset = 9Ah) [reset = FFh]
      29. 6.9.29 LDOA3VID: LDOA3 VID Register (offset = 9Bh) [reset = AAh]
      30. 6.9.30 BUCK123CTRL: BUCK1-3 Control Register (offset = 9Ch) [reset = 7h]
      31. 6.9.31 PG_DELAY2: Power Good Delay2 Register (offset = 9Dh) [reset = 21h]
      32. 6.9.32 SWVTT_DIS: SWVTT Disable Register (offset = 9Fh) [reset = E0h]
      33. 6.9.33 I2C_RAIL_EN1: VR Pin Enable Override1 Register (offset = A0h) [reset = 80h]
      34. 6.9.34 I2C_RAIL_EN2/GPOCTRL: VR Pin Enable Override2/GPO Control Register (offset = A1h) [reset = 89h]
      35. 6.9.35 PWR_FAULT_MASK1: VR Power Fault Mask1 Register (offset = A2h) [reset = C0h]
      36. 6.9.36 PWR_FAULT_MASK2: VR Power Fault Mask2 Register (offset = A3h) [reset = 3Fh]
      37. 6.9.37 GPO1PG_CTRL1: GPO1 PG Control1 Register (offset = A4h) [reset = C2h]
      38. 6.9.38 GPO1PG_CTRL2: GPO1 PG Control2 Register (offset = A5h) [reset = AFh]
      39. 6.9.39 GPO4PG_CTRL1: GPO4 PG Control1 Register (offset = A6h) [reset = 0h]
      40. 6.9.40 GPO4PG_CTRL2: GPO4 PG Control2 Register (offset = A7h) [reset = 0h]
      41. 6.9.41 GPO2PG_CTRL1: GPO2 PG Control1 Register (offset = A8h) [reset = C0h]
      42. 6.9.42 GPO2PG_CTRL2: GPO2 PG Control2 Register (offset = A9h) [reset = 2Fh]
      43. 6.9.43 GPO3PG_CTRL1: GPO3 PG Control1 Register (offset = AAh) [reset = 0h]
      44. 6.9.44 GPO3PG_CTRL2: GPO3 PG Control2 Register (offset = ABh) [reset = 0h]
      45. 6.9.45 MISCSYSPG Register (offset = ACh) [reset = FFh]
      46. 6.9.46 LDOA1CTRL: LDOA1 Control Register (offset = AEh) [reset = 7Dh]
      47. 6.9.47 PG_STATUS1: Power Good Status1 Register (offset = B0h) [reset = 0h]
      48. 6.9.48 PG_STATUS2: Power Good Status2 Register (offset = B1h) [reset = 0h]
      49. 6.9.49 PWR_FAULT_STATUS1: Power Fault Status1 Register (offset = B2h) [reset = 0h]
      50. 6.9.50 PWR_FAULT_STATUS2: Power Fault Status2 Register (offset = B3h) [reset = 0h]
      51. 6.9.51 TEMPCRIT: Temperature Fault Status Register (offset = B4h) [reset = 0h]
      52. 6.9.52 TEMPHOT: Temperature Hot Status Register (offset = B5h) [reset = 0h]
      53. 6.9.53 OC_STATUS: Overcurrent Fault Status Register (offset = B6h) [reset = 0h]
  8. Applications, Implementation, and Layout
    1. 7.1 Application Information
    2. 7.2 Typical Application
      1. 7.2.1 Design Requirements
      2. 7.2.2 Detailed Design Procedure
        1. 7.2.2.1 Controller Design Procedure
          1. 7.2.2.1.1 Controller With External Feedback Resistor
          2. 7.2.2.1.2 Selecting the Inductor
          3. 7.2.2.1.3 Selecting the Output Capacitors
          4. 7.2.2.1.4 Selecting the FETs
          5. 7.2.2.1.5 Bootstrap Capacitor
          6. 7.2.2.1.6 Setting the Current Limit
          7. 7.2.2.1.7 Selecting the Input Capacitors
        2. 7.2.2.2 Converter Design Procedure
          1. 7.2.2.2.1 Selecting the Inductor
          2. 7.2.2.2.2 Selecting the Output Capacitors
          3. 7.2.2.2.3 Selecting the Input Capacitors
        3. 7.2.2.3 LDO Design Procedure
      3. 7.2.3 Application Curves
      4. 7.2.4 Layout
        1. 7.2.4.1 Layout Guidelines
        2. 7.2.4.2 Layout Example
    3. 7.3 Power Supply Coupling and Bulk Capacitors
    4. 7.4 Dos and Don'ts
  9. Device and Documentation Support
    1. 8.1 Device Support
    2. 8.2 Documentation Support
      1. 8.2.1 Related Documentation
    3. 8.3 接收文档更新通知
    4. 8.4 支持资源
    5. 8.5 Trademarks
    6. 8.6 静电放电警告
    7. 8.7 术语表
  10. Revision History
  11. 10Mechanical, Packaging, and Orderable Information

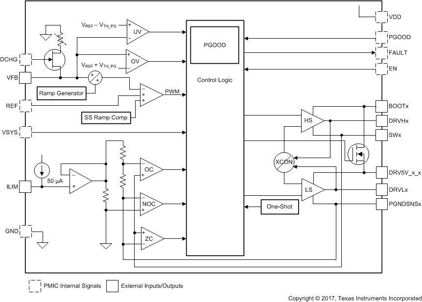
Controller Overview

The controllers are fast-reacting, high-frequency, scalable output-power controllers capable of driving two external N-MOSFETs. The controllers use the D-CAP2 control scheme that optimizes transient responses at high load currents for such applications as CORE and DDR supplies. The output voltage is compared with and internal reference voltage after divider resistors. The PWM comparator determines the timing to turn on the high-side MOSFET. The PWM comparator response maintains a very small PWM output ripple voltage. Because the device does not have a dedicated oscillator for the on-board control loop, the switching cycle is controlled by the adaptive on-time circuit. The on-time is controlled to meet the target switching frequency by feed-forwarding the input and output voltage into the on-time one-shot timer.

The D-CAP2 control scheme has an injected ripple from the SW node that is added on to the reference voltage to simulate output ripple, which eliminates the need for ESR-induced output ripple from D-CAP mode control. Therefore, low-ESR output capacitors (such as low-cost ceramic MLCC capacitors) can be used with the controllers. Figure 6-2 shows the block diagram for the controller

TPS6508700 Controller Block DiagramFigure 6-2 Controller Block Diagram