ZHCAE33 December   2022 AMC1202 , AMC1302 , AMC1306M05 , AMC22C11 , AMC22C12 , AMC23C10 , AMC23C11 , AMC23C12 , AMC23C14 , AMC23C15 , AMC3302 , AMC3306M05

 

  1.   1
  2.   摘要
  3.   商标
  4. 1引言
    1. 1.1 电动汽车直流充电站
    2. 1.2 电流检测技术选择和等效模型
      1. 1.2.1 使用基于分流器的解决方案检测电流
      2. 1.2.2 检测技术的等效模型
  5. 2交流/直流转换器中的电流检测
    1. 2.1 交流/直流级的基本硬件和控制说明
      1. 2.1.1 交流电流控制环路
      2. 2.1.2 直流电压控制环路
    2. 2.2 A 点和 B 点 – 交流/直流级交流相电流检测
      1. 2.2.1 带宽的影响
        1. 2.2.1.1 稳态分析:基波电流和过零电流
        2. 2.2.1.2 瞬态分析:阶跃功率和电压骤降响应
      2. 2.2.2 延迟的影响
        1. 2.2.2.1 故障分析:电网短路
      3. 2.2.3 增益误差的影响
        1. 2.2.3.1 增益误差导致的交流/直流级功率扰动
        2. 2.2.3.2 交流/直流级对增益误差引起的功率扰动的响应
      4. 2.2.4 偏移的影响
    3. 2.3 C 点和 D 点 – 交流/直流级直流链路电流检测
      1. 2.3.1 带宽对前馈性能的影响
      2. 2.3.2 延迟对电源开关保护的影响
      3. 2.3.3 增益误差对功率测量的影响
        1. 2.3.3.1 瞬态分析:D 点的前馈
      4. 2.3.4 偏移的影响
    4. 2.4 A 点、B 点、C1/2 点和 D1/2 点的优缺点汇总以及产品建议
  6. 3直流/直流转换器中的电流检测
    1. 3.1 具有相移控制功能的隔离式直流/直流转换器的基本工作原理
    2. 3.2 E、F 点 - 直流/直流级电流检测
      1. 3.2.1 带宽的影响
      2. 3.2.2 增益误差的影响
      3. 3.2.3 偏移误差的影响
    3. 3.3 G 点 - 直流/直流级谐振回路电流检测
    4. 3.4 检测点 E、F 和 G 汇总以及产品建议
  7. 4结语
  8. 5参考资料

G 点 - 直流/直流级谐振回路电流检测

本节详细介绍了开关谐振回路(G 点)的电流检测要求。在谐振 CLLLC 双向隔离式直流/直流转换器中,同步整流需要进行过零检测 (ZCD),这有助于降低导通损耗并提高系统效率。

 在隔离式直流/直流转换器的初级或次级谐振回路处进行电流检测图 3-6 在隔离式直流/直流转换器的初级或次级谐振回路处进行电流检测

图 3-6 中,两条绿色光标线表示过零和次级侧 FET 导通之间的传播延迟。

 过零检测的传播延迟图 3-7 过零检测的传播延迟

在 CLLLC 拓扑中,ZCD 电路的先进实现方式是将电流互感器 (CT) 或 Rogowski 线圈与谐振电容器串联在一起放置在初级侧和次级侧。CT 或 Rogowski 线圈方法的典型传播延迟在 100ns 到 200ns 之间。该延迟可能在 CLLLC 拓扑中导致显著损耗,从而对直流/直流转换器的整体效率产生负面影响。假设峰值电流约为 30A、谐振开关频率为 500kHz 且导通延迟为 100ns,则体二极管 FET(正向电压为 4.5V)承载着 9.3A 的电流,直到 FET 导通为止。这导致每个 FET 的峰值能量损耗约为 42W。

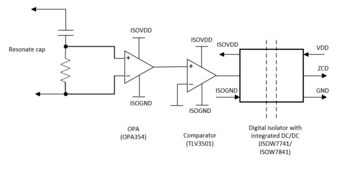
图 3-8 展示了一种替代方法。在该方法中,谐振电容器的电压与微分器电路相结合,以重新生成正弦电流。重新生成的正弦信号由差分到单端 OPA (OPA354) 和快速比较器 (TLV3501) 进一步处理来进行过零检测。

 采用 ISOW7741、ISOW7841 的 ZCD 电路图 3-8 采用 ISOW7741、ISOW7841 的 ZCD 电路

过零信号由数字隔离器(ISOW7741 或 ISOW7841)进行隔离。这些数字隔离器集成了隔离式直流/直流转换器,可为 OPA 和比较器器件生成隔离式电源。OPA354、TLV3501 和 ISOW7741 的传播延迟分别为 0.6ns、4.5ns 和 10.7ns,因此整个设计的总传播延迟为 15.8ns,约为 CT 或 Rogowski 线圈方法的十分之一。假设开关频率和峰值电流与之前的示例相同,一个 FET 中的峰值能量损耗可从 42W 降至仅 6.7W(对整体效率产生积极影响)。