ZHCAAJ9B November   2018  – March 2021 SN74AVC4T774 , SN74AXC1T45 , SN74AXC4T245 , SN74AXC4T774 , SN74AXC8T245 , SN74AXC8T245-Q1 , SN74AXCH1T45 , SN74AXCH4T245 , SN74AXCH8T245

 

  1.   商标
  2. 1引言
  3. 2常见接口和 AXC 实现
    1. 2.1 通用输入输出 (GPIO)
    2. 2.2 串行外设接口 (SPI)
      1. 2.2.1 SPI 接口的电压转换
      2. 2.2.2 SPI 应用
    3.     8
    4. 2.3 UART
      1. 2.3.1 使用 UART 进行电压转换
      2. 2.3.2 UART 应用
    5. 2.4 联合测试行动组 (JTAG)
      1. 2.4.1 JTAG 应用
    6. 2.5 简化千兆位媒体独立接口 (RGMII)
      1. 2.5.1 RGMII 接口的电压转换
      2. 2.5.2 RGMII 应用
      3. 2.5.3 偏斜性能
  4. 3总结
  5. 4相关文档
  6. 5修订历史记录

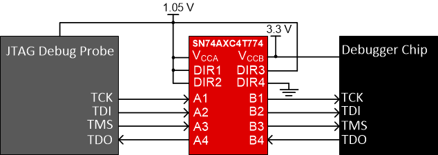
联合测试行动组 (JTAG)

联合测试行动组 (JTAG) 开发了同名的硬件接口 (JTAG),用于对嵌入式设计进行调试、测试、验证和编程。JTAG 在运行过程中通常使用五个线路:TCK、TMS、TDI、TDO 和 TRST,如表 2-2 所示。测试时钟 (TCK) 提供数据输入和输出的时序。测试模式选择 (TMS) 允许用户选择将要测试的内容。测试数据输入 (TDI) 将要测试的数据输入到被测器件,产生的结果在测试数据输出 (TDO) 上输出。最后一个信号是测试复位 (TEST),作为一个可选信号,它能够将 JTAG 复位到最后一次已知的良好状态。

表 2-2 JTAG 接口
信号 说明 方向
TCK测试时钟信号控制器到调试器
TDI测试数据输入控制器到调试器
TDO测试数据输出调试器到控制器
TMS测试模式选择控制器到调试器
TRST测试复位控制器到调试器

JTAG 与 SPI 类似,因此电压转换器的配置也类似。主要区别在于 JTAG 有四条线路在一个方向上运行,而另一条线路在相反方向上运行。要在低电压 FPGA 或处理器与 JTAG 探头之间启用 JTAG 接口,建议使用 SN74AXC4T774SN74AVC4T774 器件,并采用如图 2-10 所示的配置。或者,对于五线制 JTAG 接口,可使用一个用于 TCK、TMS、TDI 和 TRST 信号线路的 SN74AXC4T245 和一个用于在另一个方向上运行的 TDO 线路的 SN74AXC1T45

GUID-8D863BED-9DDE-4F79-B807-12B8C105F7BC-low.gif图 2-10 使用 SN74AXC4T774 进行 JTAG 电压转换