SPRUJD3A July   2025  â€“ October 2025 F28E120SB , F28E120SC

 

  1.   1
  2.   Read This First
    1.     About This Manual
    2.     Notational Conventions
    3.     Glossary
    4.     Related Documentation From Texas Instruments
    5.     Support Resources
    6.     Trademarks
  3. C2000â„¢ Microcontrollers Software Support
    1. 1.1 Introduction
    2. 1.2 C2000Ware Structure
    3. 1.3 Documentation
    4. 1.4 Devices
    5. 1.5 Libraries
    6. 1.6 Code Composer Studioâ„¢ Integrated Development Environment (IDE)
    7. 1.7 SysConfig and PinMUX Tool
  4. C28x Processor
    1. 2.1 Introduction
    2. 2.2 C28X Related Collateral
    3. 2.3 Features
    4. 2.4 Floating-Point Unit (FPU)
  5. System Control and Interrupts
    1. 3.1  Introduction
      1. 3.1.1 SYSCTL Related Collateral
      2. 3.1.2 LOCK Protection on System Configuration Registers
      3. 3.1.3 EALLOW Protection
    2. 3.2  Power Management
    3. 3.3  Device Identification and Configuration Registers
    4. 3.4  Resets
      1. 3.4.1  Reset Sources
      2. 3.4.2  External Reset (XRS)
      3. 3.4.3  Power-On Reset (POR)
      4. 3.4.4  Brown-Out-Reset (BOR)
      5. 3.4.5  Watchdog Reset (WDRS)
      6. 3.4.6  NMI Watchdog Reset (NMIWDRS)
      7. 3.4.7  Debugger Reset (SYSRS)
      8. 3.4.8  DCSM Safe Code Copy Reset (SCCRESET)
      9. 3.4.9  Simulate External Reset (SIMRESET.XRS)
      10. 3.4.10 Simulate CPU Reset (SIMRESET_CPU1RS)
    5. 3.5  Peripheral Interrupts
      1. 3.5.1 Interrupt Concepts
      2. 3.5.2 Interrupt Architecture
        1. 3.5.2.1 Peripheral Stage
        2. 3.5.2.2 PIE Stage
        3. 3.5.2.3 CPU Stage
      3. 3.5.3 Interrupt Entry Sequence
      4. 3.5.4 Configuring and Using Interrupts
        1. 3.5.4.1 Enabling Interrupts
        2. 3.5.4.2 Handling Interrupts
        3. 3.5.4.3 Disabling Interrupts
        4. 3.5.4.4 Nesting Interrupts
        5. 3.5.4.5 Vector Address Validity Check
      5. 3.5.5 PIE Channel Mapping
      6. 3.5.6 PIE Interrupt Priority
        1. 3.5.6.1 Channel Priority
        2. 3.5.6.2 Group Priority
      7. 3.5.7 System Error
      8. 3.5.8 Vector Tables
    6. 3.6  Exceptions and Non-Maskable Interrupts
      1. 3.6.1 Configuring and Using NMIs
      2. 3.6.2 Emulation Considerations
      3. 3.6.3 NMI Sources
        1. 3.6.3.1 Missing Clock Detection Logic
        2. 3.6.3.2 Flash Uncorrectable ECC Error
        3. 3.6.3.3 Software-Forced Error
      4. 3.6.4 Illegal Instruction Trap (ITRAP)
      5. 3.6.5 ERRORSTS Pin
    7. 3.7  Clocking
      1. 3.7.1  Clock Sources
        1. 3.7.1.1 Primary Internal Oscillator (SYSOSC)
        2. 3.7.1.2 Backup Wide-Range Oscillator (WROSC)
        3. 3.7.1.3 External Oscillator (XTAL)
      2. 3.7.2  Derived Clocks
        1. 3.7.2.1 Oscillator Clock (OSCCLK)
        2. 3.7.2.2 System PLL Output Clock (PLLRAWCLK)
      3. 3.7.3  Device Clock Domains
        1. 3.7.3.1 System Clock (PLLSYSCLK)
        2. 3.7.3.2 CPU Clock (CPUCLK)
        3. 3.7.3.3 CPU Subsystem Clock (SYSCLK)
        4. 3.7.3.4 Low-Speed Peripheral Clock (LSPCLK and PERx.LSPCLK)
        5. 3.7.3.5 CPU Timer2 Clock (TIMER2CLK)
      4. 3.7.4  XCLKOUT
      5. 3.7.5  Clock Connectivity
      6. 3.7.6  Clock Source and PLL Setup
      7. 3.7.7  Using an External Crystal or Resonator
      8. 3.7.8  Using an External Oscillator
      9. 3.7.9  Choosing PLL Settings
      10. 3.7.10 System Clock Setup
      11. 3.7.11 SYS PLL Bypass
      12. 3.7.12 Clock (OSCCLK) Failure Detection
        1. 3.7.12.1 Missing Clock Detection
    8. 3.8  32-Bit CPU Timers 0/1/2
    9. 3.9  Watchdog Timer
      1. 3.9.1 Servicing the Watchdog Timer
      2. 3.9.2 Minimum Window Check
      3. 3.9.3 Watchdog Reset or Watchdog Interrupt Mode
      4. 3.9.4 Watchdog Operation in Low Power-Modes
      5. 3.9.5 Emulation Considerations
    10. 3.10 Low-Power Modes
      1. 3.10.1 Clock-Gating Low-Power Modes
      2. 3.10.2 IDLE
      3. 3.10.3 STANDBY
      4. 3.10.4 HALT
    11. 3.11 Memory Controller Module
      1. 3.11.1 Dedicated RAM (Mx RAM)
      2. 3.11.2 Global Shared RAM (GSx RAM)
      3. 3.11.3 Access Arbitration
      4. 3.11.4 Memory Error Detection, Correction, and Error Handling
        1. 3.11.4.1 Error Detection and Correction
        2. 3.11.4.2 Error Handling
      5. 3.11.5 Application Test Hooks for Error Detection and Correction
      6. 3.11.6 RAM Initialization
    12. 3.12 JTAG
      1. 3.12.1 JTAG Noise and TAP_STATUS
    13. 3.13 System Control Register Configuration Restrictions
    14. 3.14 Software
      1. 3.14.1 SYSCTL Examples
        1. 3.14.1.1 Missing clock detection (MCD)
        2. 3.14.1.2 XCLKOUT (External Clock Output) Configuration
    15. 3.15 SYSCTRL Registers
      1. 3.15.1  SYSCTRL Base Address Table
      2. 3.15.2  CPUTIMER_REGS Registers
      3. 3.15.3  PIE_CTRL_REGS Registers
      4. 3.15.4  WD_REGS Registers
      5. 3.15.5  NMI_INTRUPT_REGS Registers
      6. 3.15.6  XINT_REGS Registers
      7. 3.15.7  SYNC_SOC_REGS Registers
      8. 3.15.8  DMA_CLA_SRC_SEL_REGS Registers
      9. 3.15.9  DEV_CFG_REGS Registers
      10. 3.15.10 CLK_CFG_REGS Registers
      11. 3.15.11 CPU_SYS_REGS Registers
      12. 3.15.12 SYS_STATUS_REGS Registers
      13. 3.15.13 MEM_CFG_REGS Registers
      14. 3.15.14 MEMORY_ERROR_REGS Registers
      15. 3.15.15 ROM_WAIT_STATE_REGS Registers
      16. 3.15.16 TEST_ERROR_REGS Registers
      17. 3.15.17 UID_REGS Registers
  6. ROM Code and Peripheral Booting
    1. 4.1 Introduction
      1. 4.1.1 ROM Related Collateral
    2. 4.2 Device Boot Sequence
    3. 4.3 Device Boot Modes
      1. 4.3.1 Default Boot Modes
      2. 4.3.2 Custom Boot Modes
    4. 4.4 Device Boot Configurations
      1. 4.4.1 Configuring Boot Mode Pins
      2. 4.4.2 Configuring Boot Mode Table Options
      3. 4.4.3 Boot Mode Example Use Cases
        1. 4.4.3.1 Zero Boot Mode Select Pins
        2. 4.4.3.2 One Boot Mode Select Pin
        3. 4.4.3.3 Three Boot Mode Select Pins
    5. 4.5 Device Boot Flow Diagrams
      1. 4.5.1 Boot Flow
      2. 4.5.2 Emulation Boot Flow
      3. 4.5.3 Standalone Boot Flow
    6. 4.6 Device Reset and Exception Handling
      1. 4.6.1 Reset Causes and Handling
      2. 4.6.2 Exceptions and Interrupts Handling
    7. 4.7 Boot ROM Description
      1. 4.7.1  Boot ROM Configuration Registers
        1. 4.7.1.1 GPREG2 Usage and Configuration
      2. 4.7.2  Entry Points
      3. 4.7.3  Wait Points
      4. 4.7.4  Secure Flash Boot
        1. 4.7.4.1 Secure Flash CPU1 Linker File Example
      5. 4.7.5  Memory Maps
        1. 4.7.5.1 Boot ROM Memory Maps
        2. 4.7.5.2 Reserved RAM Memory Maps
      6. 4.7.6  ROM Tables
      7. 4.7.7  Boot Modes and Loaders
        1. 4.7.7.1 Boot Modes
          1. 4.7.7.1.1 Flash Boot
          2. 4.7.7.1.2 RAM Boot
          3. 4.7.7.1.3 Wait Boot
        2. 4.7.7.2 Bootloaders
          1. 4.7.7.2.1 SCI Boot Mode
          2. 4.7.7.2.2 SPI Boot Mode
          3. 4.7.7.2.3 I2C Boot Mode
          4. 4.7.7.2.4 Parallel Boot Mode
      8. 4.7.8  GPIO Assignments
      9. 4.7.9  Secure ROM Function APIs
      10. 4.7.10 Clock Initializations
      11. 4.7.11 Boot Status Information
        1. 4.7.11.1 Booting Status
      12. 4.7.12 ROM Version
    8. 4.8 Application Notes for Using the Bootloaders
      1. 4.8.1 Bootloader Data Stream Structure
        1. 4.8.1.1 Data Stream Structure 8-bit
      2. 4.8.2 The C2000 Hex Utility
        1. 4.8.2.1 HEX2000.exe Command Syntax
    9. 4.9 Software
      1. 4.9.1 BOOT Examples
  7. Dual Code Security Module (DCSM)
    1. 5.1 Introduction
      1. 5.1.1 DCSM Related Collateral
    2. 5.2 Functional Description
      1. 5.2.1 CSM Passwords
      2. 5.2.2 Emulation Code Security Logic (ECSL)
      3. 5.2.3 CPU Secure Logic
      4. 5.2.4 Execute-Only Protection
      5. 5.2.5 Password Lock
      6. 5.2.6 JTAGLOCK
      7. 5.2.7 Link Pointer and Zone Select
      8. 5.2.8 C Code Example to Get Zone Select Block Addr for Zone1
    3. 5.3 Flash and OTP Erase/Program
    4. 5.4 Secure Copy Code
    5. 5.5 SecureCRC
    6. 5.6 CSM Impact on Other On-Chip Resources
      1. 5.6.1 RAMOPEN
    7. 5.7 Incorporating Code Security in User Applications
      1. 5.7.1 Environments That Require Security Unlocking
      2. 5.7.2 CSM Password Match Flow
      3. 5.7.3 C Code Example to Unsecure C28x Zone1
      4. 5.7.4 C Code Example to Resecure C28x Zone1
      5. 5.7.5 Environments That Require ECSL Unlocking
      6. 5.7.6 ECSL Password Match Flow
      7. 5.7.7 ECSL Disable Considerations for any Zone
        1. 5.7.7.1 C Code Example to Disable ECSL for C28x Zone1
      8. 5.7.8 Device Unique ID
    8. 5.8 Software
      1. 5.8.1 DCSM Examples
        1. 5.8.1.1 Empty DCSM Tool Example
    9. 5.9 DCSM Registers
      1. 5.9.1 DCSM Base Address Table
      2. 5.9.2 DCSM_Z1_REGS Registers
      3. 5.9.3 DCSM_Z2_REGS Registers
      4. 5.9.4 DCSM_COMMON_REGS Registers
      5. 5.9.5 DCSM_Z1_OTP Registers
      6. 5.9.6 DCSM_Z2_OTP Registers
  8. Flash Module
    1. 6.1  Introduction to Flash and OTP Memory
      1. 6.1.1 FLASH Related Collateral
      2. 6.1.2 Features
      3. 6.1.3 Flash Tools
      4. 6.1.4 Default Flash Configuration
    2. 6.2  Flash Bank, OTP, and Pump
    3. 6.3  Flash Wrapper
    4. 6.4  Flash and OTP Memory Performance
    5. 6.5  Flash Read Interface
      1. 6.5.1 C28x-Flash Read Interface
        1. 6.5.1.1 Standard Read Mode
        2. 6.5.1.2 Prefetch Mode
        3. 6.5.1.3 Data Cache
        4. 6.5.1.4 Flash Read Operation
    6. 6.6  Flash Erase and Program
      1. 6.6.1 Erase
      2. 6.6.2 Program
      3. 6.6.3 Verify
    7. 6.7  Error Correction Code (ECC) Protection
      1. 6.7.1 Single-Bit Data Error
      2. 6.7.2 Uncorrectable Error
      3. 6.7.3 ECC Logic Self Test
    8. 6.8  Reserved Locations Within Flash and OTP
    9. 6.9  Migrating an Application from RAM to Flash
    10. 6.10 Procedure to Change the Flash Control Registers
    11. 6.11 Software
      1. 6.11.1 FLASH Examples
        1. 6.11.1.1 Flash Programming with AutoECC, DataAndECC, DataOnly and EccOnly
    12. 6.12 FLASH Registers
      1. 6.12.1 FLASH Base Address Table
      2. 6.12.2 FLASH_CTRL_REGS Registers
      3. 6.12.3 FLASH_ECC_REGS Registers
  9. Dual-Clock Comparator (DCC)
    1. 7.1 Introduction
      1. 7.1.1 Features
      2. 7.1.2 Block Diagram
    2. 7.2 Module Operation
      1. 7.2.1 Configuring DCC Counters
      2. 7.2.2 Single-Shot Measurement Mode
      3. 7.2.3 Continuous Monitoring Mode
      4. 7.2.4 Error Conditions
    3. 7.3 Interrupts
    4. 7.4 Software
      1. 7.4.1 DCC Examples
        1. 7.4.1.1 DCC Single shot Clock verification
        2. 7.4.1.2 DCC Single shot Clock measurement
        3. 7.4.1.3 DCC Continuous clock monitoring
        4. 7.4.1.4 DCC Continuous clock monitoring
        5. 7.4.1.5 DCC Detection of clock failure
    5. 7.5 DCC Registers
      1. 7.5.1 DCC Base Address Table
      2. 7.5.2 DCC_REGS Registers
  10. General-Purpose Input/Output (GPIO)
    1. 8.1  Introduction
      1. 8.1.1 GPIO Related Collateral
    2. 8.2  Configuration Overview
    3. 8.3  Digital Inputs on ADC Pins (AIOs)
    4. 8.4  Digital Inputs and Outputs on ADC Pins (AGPIOs)
    5. 8.5  Digital General-Purpose I/O Control
    6. 8.6  Input Qualification
      1. 8.6.1 No Synchronization (Asynchronous Input)
      2. 8.6.2 Synchronization to SYSCLKOUT Only
      3. 8.6.3 Qualification Using a Sampling Window
    7. 8.7  GPIO and Peripheral Muxing
      1. 8.7.1 GPIO Muxing
      2. 8.7.2 Peripheral Muxing
    8. 8.8  Internal Pullup Configuration Requirements
    9. 8.9  Open-Drain Configuration Requirements
    10. 8.10 Software
      1. 8.10.1 GPIO Examples
        1. 8.10.1.1 Device GPIO Setup
        2. 8.10.1.2 Device GPIO Toggle
        3. 8.10.1.3 Device GPIO Interrupt
        4. 8.10.1.4 External Interrupt (XINT)
      2. 8.10.2 LED Examples
    11. 8.11 GPIO Registers
      1. 8.11.1 GPIO Base Address Table
      2. 8.11.2 GPIO_CTRL_REGS Registers
      3. 8.11.3 GPIO_DATA_REGS Registers
      4. 8.11.4 GPIO_DATA_READ_REGS Registers
  11. Crossbar (X-BAR)
    1. 9.1 Input X-BAR
    2. 9.2 MCPWM and GPIO Output X-BAR
      1. 9.2.1 MCPWM X-BAR
        1. 9.2.1.1 MCPWM X-BAR Architecture
      2. 9.2.2 GPIO Output X-BAR
        1. 9.2.2.1 GPIO Output X-BAR Architecture
      3. 9.2.3 X-BAR Flags
    3. 9.3 XBAR Registers
      1. 9.3.1 XBAR Base Address Table
      2. 9.3.2 INPUT_XBAR_REGS Registers
      3. 9.3.3 XBAR_REGS Registers
      4. 9.3.4 PWM_XBAR_REGS Registers
      5. 9.3.5 OUTPUT_XBAR_REGS Registers
  12. 10Direct Memory Access (DMA)
    1. 10.1 Introduction
      1. 10.1.1 Features
      2. 10.1.2 Block Diagram
    2. 10.2 Architecture
      1. 10.2.1 Peripheral Interrupt Event Trigger Sources
      2. 10.2.2 DMA Bus
    3. 10.3 Address Pointer and Transfer Control
    4. 10.4 Pipeline Timing and Throughput
    5. 10.5 Channel Priority
      1. 10.5.1 Round-Robin Mode
      2. 10.5.2 Channel 1 High-Priority Mode
    6. 10.6 Overrun Detection Feature
    7. 10.7 Software
      1. 10.7.1 DMA Examples
        1. 10.7.1.1 DMA GSRAM Transfer (dma_ex1_gsram_transfer)
        2. 10.7.1.2 DMA GSRAM Transfer (dma_ex2_gsram_transfer)
    8. 10.8 DMA Registers
      1. 10.8.1 DMA Base Address Table
      2. 10.8.2 DMA_REGS Registers
      3. 10.8.3 DMA_CH_REGS Registers
  13. 11Analog Subsystem
    1. 11.1 Introduction
      1. 11.1.1 Features
      2. 11.1.2 Block Diagram
    2. 11.2 Digital Inputs on ADC Pins (AIOs)
    3. 11.3 Digital Inputs and Outputs on ADC Pins (AGPIOs)
    4. 11.4 Analog Pins and Internal Connections
    5. 11.5 ASBSYS Registers
      1. 11.5.1 ASBSYS Base Address Table
      2. 11.5.2 ANALOG_SUBSYS_REGS Registers
  14. 12Analog-to-Digital Converter (ADC)
    1. 12.1  Introduction
      1. 12.1.1 Features
      2. 12.1.2 ADC Related Collateral
      3. 12.1.3 Block Diagram
    2. 12.2  ADC Configurability
      1. 12.2.1 ADC Clock Configuration
      2. 12.2.2 Resolution
      3. 12.2.3 Voltage Reference
        1. 12.2.3.1 External Reference Mode
        2. 12.2.3.2 Internal Reference Mode
        3. 12.2.3.3 Selecting Reference Mode
      4. 12.2.4 Signal Mode
        1. 12.2.4.1 Expected Conversion Results
        2. 12.2.4.2 Interpreting Conversion Results
    3. 12.3  SOC Principle of Operation
      1. 12.3.1 SOC Configuration
      2. 12.3.2 Trigger Operation
        1. 12.3.2.1 Trigger Repeaters
          1. 12.3.2.1.1 Oversampling Mode
          2. 12.3.2.1.2 Re-trigger Spread
          3. 12.3.2.1.3 Trigger Repeater Configuration
            1. 12.3.2.1.3.1 Register Shadow Updates
          4. 12.3.2.1.4 Re-Trigger Logic
          5. 12.3.2.1.5 Multi-Path Triggering Behavior
      3. 12.3.3 ADC Acquisition (Sample and Hold) Window
      4. 12.3.4 Sample Capacitor Reset
      5. 12.3.5 ADC Input Models
      6. 12.3.6 Channel Selection
    4. 12.4  SOC Configuration Examples
      1. 12.4.1 Single Conversion from MCPWM Trigger
      2. 12.4.2 Multiple Conversions from CPU Timer Trigger
      3. 12.4.3 Software Triggering of SOCs
    5. 12.5  ADC Conversion Priority
    6. 12.6  EOC and Interrupt Operation
      1. 12.6.1 Interrupt Overflow
      2. 12.6.2 Continue to Interrupt Mode
      3. 12.6.3 Early Interrupt Configuration Mode
    7. 12.7  Post-Processing Blocks
      1. 12.7.1 PPB Offset Correction
      2. 12.7.2 PPB Error Calculation
      3. 12.7.3 PPB Limit Detection and Zero-Crossing Detection
    8. 12.8  Opens/Shorts Detection Circuit (OSDETECT)
      1. 12.8.1 Open Short Detection Implementation
      2. 12.8.2 Detecting an Open Input Pin
      3. 12.8.3 Detecting a Shorted Input Pin
    9. 12.9  Power-Up Sequence
    10. 12.10 ADC Calibration
      1. 12.10.1 ADC Zero Offset Calibration
    11. 12.11 ADC Timings
      1. 12.11.1 ADC Timing Diagrams
      2. 12.11.2 Post-Processing Block Timings
    12. 12.12 Additional Information
      1. 12.12.1 Choosing an Acquisition Window Duration
      2. 12.12.2 Result Register Mapping
      3. 12.12.3 Internal Temperature Sensor
      4. 12.12.4 Designing an External Reference Circuit
      5. 12.12.5 ADC-DAC Loopback Testing
      6. 12.12.6 Internal Test Mode
    13. 12.13 Software
      1. 12.13.1 ADC Examples
        1. 12.13.1.1 ADC Software Triggering
        2. 12.13.1.2 ADC MCPWM Triggering
        3. 12.13.1.3 ADC Temperature Sensor Conversion
        4. 12.13.1.4 ADC Continuous Conversions Read by DMA (adc_soc_continuous_dma)
        5. 12.13.1.5 ADC PPB Offset (adc_ppb_offset)
        6. 12.13.1.6 ADC PPB Limits (adc_ppb_limits)
        7. 12.13.1.7 ADC SOC Oversampling
        8. 12.13.1.8 ADC Trigger Repeater Oversampling
    14. 12.14 ADC Registers
      1. 12.14.1 ADC Base Address Table
      2. 12.14.2 ADC_LITE_RESULT_REGS Registers
      3. 12.14.3 ADC_LITE_REGS Registers
  15. 13Comparator Subsystem (CMPSS)
    1. 13.1 Introduction
      1. 13.1.1 Features
      2. 13.1.2 CMPSS Related Collateral
      3. 13.1.3 Block Diagram
    2. 13.2 Comparator
    3. 13.3 Reference DAC
    4. 13.4 Digital Filter
      1. 13.4.1 Filter Initialization Sequence
    5. 13.5 Using the CMPSS
      1. 13.5.1 LATCHCLR, and MCPWMSYNCPER Signals
      2. 13.5.2 Synchronizer, Digital Filter, and Latch Delays
      3. 13.5.3 Calibrating the CMPSS
      4. 13.5.4 Enabling and Disabling the CMPSS Clock
    6. 13.6 CMPSS DAC Output
    7. 13.7 Software
      1. 13.7.1 CMPSS Examples
      2. 13.7.2 CMPSS_LITE Examples
        1. 13.7.2.1 CMPSSLITE Asynchronous Trip
    8. 13.8 CMPSS Registers
      1. 13.8.1 CMPSS Base Address Table
      2. 13.8.2 CMPSS_LITE_REGS Registers
  16. 14Programmable Gain Amplifier (PGA)
    1. 14.1  Programmable Gain Amplifier (PGA) Overview
      1. 14.1.1 Features
      2. 14.1.2 Block Diagram
    2. 14.2  Linear Output Range
    3. 14.3  Gain Values
    4. 14.4  Modes of Operation
      1. 14.4.1 Buffer Mode
      2. 14.4.2 Standalone Mode
      3. 14.4.3 Non-inverting Mode
      4. 14.4.4 Subtractor Mode
    5. 14.5  External Filtering
      1. 14.5.1 Low-Pass Filter Using Internal Filter Resistor and External Capacitor
      2. 14.5.2 Single Pole Low-Pass Filter Using Internal Gain Resistor and External Capacitor
    6. 14.6  Error Calibration
      1. 14.6.1 Offset Error
      2. 14.6.2 Gain Error
    7. 14.7  Chopping Feature
    8. 14.8  Enabling and Disabling the PGA Clock
    9. 14.9  Lock Register
    10. 14.10 Analog Front-End Integration
      1. 14.10.1 Analog-to-Digital Converter (ADC)
        1. 14.10.1.1 Unfiltered Acquisition Window
        2. 14.10.1.2 Filtered Acquisition Window
      2. 14.10.2 Comparator Subsystem (CMPSS)
      3. 14.10.3 Alternate Functions
    11. 14.11 Examples
      1. 14.11.1 Non-Inverting Amplifier Using Non-Inverting Mode
      2. 14.11.2 Buffer Mode
      3. 14.11.3 Low-Side Current Sensing
      4. 14.11.4 Bidirectional Current Sensing
    12. 14.12 Software
      1. 14.12.1 PGA Examples
        1. 14.12.1.1 PGA CMPSSDAC-ADC External Loopback Example
    13. 14.13 PGA Registers
      1. 14.13.1 PGA Base Address Table
      2. 14.13.2 PGA_REGS Registers
  17. 15Multi-Channel Pulse Width Modulator (MCPWM)
    1. 15.1  Introduction
      1. 15.1.1 PWM Related Collateral
      2. 15.1.2 Submodule Overview
    2. 15.2  Configuring Device Pins
    3. 15.3  MCPWM Modules Overview
    4. 15.4  Time-Base (TB) Submodule
      1. 15.4.1 Purpose of the Time-Base Submodule
      2. 15.4.2 Controlling and Monitoring the Time-Base Submodule
      3. 15.4.3 Calculating PWM Period and Frequency
        1. 15.4.3.1 Time-Base Period Shadow Register
        2. 15.4.3.2 Time-Base Clock Synchronization
        3. 15.4.3.3 Time-Base Counter Synchronization
        4. 15.4.3.4 MCPWM SYNC Selection
      4. 15.4.4 Phase Locking the Time-Base Clocks of Multiple MCPWM Modules
      5. 15.4.5 Time-Base Counter Modes and Timing Waveforms
      6. 15.4.6 Global Load
        1. 15.4.6.1 One-Shot Load Mode
    5. 15.5  Counter-Compare (CC) Submodule
      1. 15.5.1 Purpose of the Counter-Compare Submodule
      2. 15.5.2 Controlling and Monitoring the Counter-Compare Submodule
      3. 15.5.3 Operational Highlights for the Counter-Compare Submodule
      4. 15.5.4 Count Mode Timing Waveforms
    6. 15.6  Action-Qualifier (AQ) Submodule
      1. 15.6.1 Purpose of the Action-Qualifier Submodule
      2. 15.6.2 Action-Qualifier Submodule Control and Status Register Definitions
      3. 15.6.3 Action-Qualifier Event Priority
      4. 15.6.4 AQCTLA and AQCTLB Shadow Mode Operations
      5. 15.6.5 Configuration Requirements for Common Waveforms
    7. 15.7  Dead-Band Generator (DB) Submodule
      1. 15.7.1 Purpose of the Dead-Band Submodule
      2. 15.7.2 Dead-Band Submodule Additional Operating Modes
      3. 15.7.3 Operational Highlights for the Dead-Band Submodule
    8. 15.8  Trip-Zone (TZ) Submodule
      1. 15.8.1 Purpose of the Trip-Zone Submodule
      2. 15.8.2 Operational Highlights for the Trip-Zone Submodule
        1. 15.8.2.1 Trip-Zone Configurations
      3. 15.8.3 Generating Trip Event Interrupts
    9. 15.9  Event-Trigger (ET) Submodule
      1. 15.9.1 Operational Overview of the MCPWM Event-Trigger Submodule
    10. 15.10 PWM Crossbar (X-BAR)
    11. 15.11 Software
      1. 15.11.1 MCPWM Examples
        1. 15.11.1.1 MCPWM Basic PWM Generation and Updates
        2. 15.11.1.2 MCPWM Basic PWM Generation and Updates
        3. 15.11.1.3 MCPWM Basic PWM generation With DeadBand
        4. 15.11.1.4 MCPWM Basic PWM Generation and Updates without Sysconfig
        5. 15.11.1.5 MCPWM PWM Tripzone Feature Showcase
        6. 15.11.1.6 MCPWM Global Load Feature Showcase
        7. 15.11.1.7 MCPWM DMA Configuration for Dynamic PWM Control
    12. 15.12 MCPWM Registers
      1. 15.12.1 MCPWM Base Address Table
      2. 15.12.2 MCPWM_6CH_REGS Registers
      3. 15.12.3 MCPWM_2CH_REGS Registers
  18. 16Enhanced Capture (eCAP)
    1. 16.1 Introduction
      1. 16.1.1 Features
      2. 16.1.2 ECAP Related Collateral
    2. 16.2 Description
    3. 16.3 Configuring Device Pins for the eCAP
    4. 16.4 Capture and APWM Operating Mode
    5. 16.5 Capture Mode Description
      1. 16.5.1 Event Prescaler
      2. 16.5.2 Edge Polarity Select and Qualifier
      3. 16.5.3 Continuous/One-Shot Control
      4. 16.5.4 32-Bit Counter and Phase Control
      5. 16.5.5 CAP1-CAP4 Registers
      6. 16.5.6 eCAP Synchronization
        1. 16.5.6.1 Example 1 - Using SWSYNC with ECAP Module
      7. 16.5.7 Interrupt Control
      8. 16.5.8 Shadow Load and Lockout Control
      9. 16.5.9 APWM Mode Operation
    6. 16.6 Application of the eCAP Module
      1. 16.6.1 Example 1 - Absolute Time-Stamp Operation Rising-Edge Trigger
      2. 16.6.2 Example 2 - Absolute Time-Stamp Operation Rising- and Falling-Edge Trigger
      3. 16.6.3 Example 3 - Time Difference (Delta) Operation Rising-Edge Trigger
      4. 16.6.4 Example 4 - Time Difference (Delta) Operation Rising- and Falling-Edge Trigger
    7. 16.7 Application of the APWM Mode
      1. 16.7.1 Example 1 - Simple PWM Generation (Independent Channels)
    8. 16.8 Software
      1. 16.8.1 ECAP Examples
        1. 16.8.1.1 eCAP APWM Example
        2. 16.8.1.2 eCAP Capture PWM Example
    9. 16.9 ECAP Registers
      1. 16.9.1 ECAP Base Address Table
      2. 16.9.2 ECAP_REGS Registers
  19. 17Enhanced Quadrature Encoder Pulse (eQEP)
    1. 17.1  Introduction
      1. 17.1.1 EQEP Related Collateral
    2. 17.2  Configuring Device Pins
    3. 17.3  Description
      1. 17.3.1 EQEP Inputs
      2. 17.3.2 Functional Description
      3. 17.3.3 eQEP Memory Map
    4. 17.4  Quadrature Decoder Unit (QDU)
      1. 17.4.1 Position Counter Input Modes
        1. 17.4.1.1 Quadrature Count Mode
        2. 17.4.1.2 Direction-Count Mode
        3. 17.4.1.3 Up-Count Mode
        4. 17.4.1.4 Down-Count Mode
      2. 17.4.2 eQEP Input Polarity Selection
      3. 17.4.3 Position-Compare Sync Output
    5. 17.5  Position Counter and Control Unit (PCCU)
      1. 17.5.1 Position Counter Operating Modes
        1. 17.5.1.1 Position Counter Reset on Index Event (QEPCTL[PCRM] = 00)
        2. 17.5.1.2 Position Counter Reset on Maximum Position (QEPCTL[PCRM] = 01)
        3. 17.5.1.3 Position Counter Reset on the First Index Event (QEPCTL[PCRM] = 10)
        4. 17.5.1.4 Position Counter Reset on Unit Time-out Event (QEPCTL[PCRM] = 11)
      2. 17.5.2 Position Counter Latch
        1. 17.5.2.1 Index Event Latch
        2. 17.5.2.2 Strobe Event Latch
      3. 17.5.3 Position Counter Initialization
      4. 17.5.4 eQEP Position-compare Unit
    6. 17.6  eQEP Edge Capture Unit
    7. 17.7  eQEP Watchdog
    8. 17.8  eQEP Unit Timer Base
    9. 17.9  QMA Module
      1. 17.9.1 Modes of Operation
        1. 17.9.1.1 QMA Mode-1 (QMACTRL[MODE] = 1)
        2. 17.9.1.2 QMA Mode-2 (QMACTRL[MODE] = 2)
      2. 17.9.2 Interrupt and Error Generation
    10. 17.10 eQEP Interrupt Structure
    11. 17.11 Software
      1. 17.11.1 EQEP Examples
        1. 17.11.1.1 Frequency Measurement Using eQEP
        2. 17.11.1.2 Position and Speed Measurement Using eQEP
        3. 17.11.1.3 Frequency Measurement Using eQEP via unit timeout interrupt
        4. 17.11.1.4 Motor speed and direction measurement using eQEP via unit timeout interrupt
    12. 17.12 EQEP Registers
      1. 17.12.1 EQEP Base Address Table
      2. 17.12.2 EQEP_REGS Registers
  20. 18Universal Asynchronous Receiver/Transmitter (UART)
    1. 18.1 Introduction
      1. 18.1.1 Features
      2. 18.1.2 Block Diagram
    2. 18.2 Functional Description
      1. 18.2.1 Transmit and Receive Logic
      2. 18.2.2 Baud-Rate Generation
      3. 18.2.3 Data Transmission
      4. 18.2.4 Serial IR (SIR)
      5. 18.2.5 9-Bit UART Mode
      6. 18.2.6 FIFO Operation
      7. 18.2.7 Interrupts
      8. 18.2.8 Loopback Operation
      9. 18.2.9 DMA Operation
        1. 18.2.9.1 Receiving Data Using UART with DMA
        2. 18.2.9.2 Transmitting Data Using UART with DMA
    3. 18.3 Initialization and Configuration
    4. 18.4 Software
      1. 18.4.1 UART Examples
        1. 18.4.1.1 UART Echoback
        2. 18.4.1.2 UART Loopback
        3. 18.4.1.3 UART Loopback with interrupt
        4. 18.4.1.4 UART Digital Loopback with DMA
    5. 18.5 UART Registers
      1. 18.5.1 UART Base Address Table
      2. 18.5.2 UART_REGS Registers
      3. 18.5.3 UART_REGS_WRITE Registers
  21. 19Serial Peripheral Interface (SPI)
    1. 19.1 Introduction
      1. 19.1.1 Features
      2. 19.1.2 Block Diagram
    2. 19.2 System-Level Integration
      1. 19.2.1 SPI Module Signals
      2. 19.2.2 Configuring Device Pins
        1. 19.2.2.1 GPIOs Required for High-Speed Mode
      3. 19.2.3 SPI Interrupts
      4. 19.2.4 DMA Support
    3. 19.3 SPI Operation
      1. 19.3.1  Introduction to Operation
      2. 19.3.2  Controller Mode
      3. 19.3.3  Peripheral Mode
      4. 19.3.4  Data Format
        1. 19.3.4.1 Transmission of Bit from SPIRXBUF
      5. 19.3.5  Baud Rate Selection
        1. 19.3.5.1 Baud Rate Determination
        2. 19.3.5.2 Baud Rate Calculation in Non-High Speed Mode (HS_MODE = 0)
      6. 19.3.6  SPI Clocking Schemes
      7. 19.3.7  SPI FIFO Description
      8. 19.3.8  SPI DMA Transfers
        1. 19.3.8.1 Transmitting Data Using SPI with DMA
        2. 19.3.8.2 Receiving Data Using SPI with DMA
      9. 19.3.9  SPI High-Speed Mode
      10. 19.3.10 SPI 3-Wire Mode Description
    4. 19.4 Programming Procedure
      1. 19.4.1 Initialization Upon Reset
      2. 19.4.2 Configuring the SPI
      3. 19.4.3 Configuring the SPI for High-Speed Mode
      4. 19.4.4 Data Transfer Example
      5. 19.4.5 SPI 3-Wire Mode Code Examples
        1. 19.4.5.1 3-Wire Controller Mode Transmit
        2.       679
          1. 19.4.5.2.1 3-Wire Controller Mode Receive
        3.       681
          1. 19.4.5.2.1 3-Wire Peripheral Mode Transmit
        4.       683
          1. 19.4.5.2.1 3-Wire Peripheral Mode Receive
      6. 19.4.6 SPI STEINV Bit in Digital Audio Transfers
    5. 19.5 Software
      1. 19.5.1 SPI Examples
        1. 19.5.1.1 SPI Digital Loopback
        2. 19.5.1.2 SPI Digital Loopback with FIFO Interrupts
        3. 19.5.1.3 SPI Digital Loopback with DMA
        4. 19.5.1.4 SPI EEPROM
        5. 19.5.1.5 SPI DMA EEPROM
    6. 19.6 SPI Registers
      1. 19.6.1 SPI Base Address Table
      2. 19.6.2 SPI_REGS Registers
  22. 20Inter-Integrated Circuit Module (I2C)
    1. 20.1 Introduction
      1. 20.1.1 I2C Related Collateral
      2. 20.1.2 Features
      3. 20.1.3 Features Not Supported
      4. 20.1.4 Functional Overview
      5. 20.1.5 Clock Generation
      6. 20.1.6 I2C Clock Divider Registers (I2CCLKL and I2CCLKH)
        1. 20.1.6.1 Formula for the Controller Clock Period
    2. 20.2 Configuring Device Pins
    3. 20.3 I2C Module Operational Details
      1. 20.3.1  Input and Output Voltage Levels
      2. 20.3.2  Selecting Pullup Resistors
      3. 20.3.3  Data Validity
      4. 20.3.4  Operating Modes
      5. 20.3.5  I2C Module START and STOP Conditions
      6. 20.3.6  Non-repeat Mode versus Repeat Mode
      7. 20.3.7  Serial Data Formats
        1. 20.3.7.1 7-Bit Addressing Format
        2. 20.3.7.2 10-Bit Addressing Format
        3. 20.3.7.3 Free Data Format
        4. 20.3.7.4 Using a Repeated START Condition
      8. 20.3.8  Clock Synchronization
      9. 20.3.9  Clock Stretching
      10. 20.3.10 Arbitration
      11. 20.3.11 Digital Loopback Mode
      12. 20.3.12 NACK Bit Generation
    4. 20.4 Interrupt Requests Generated by the I2C Module
      1. 20.4.1 Basic I2C Interrupt Requests
      2. 20.4.2 I2C FIFO Interrupts
    5. 20.5 Resetting or Disabling the I2C Module
    6. 20.6 Software
      1. 20.6.1 I2C Registers to Driverlib Functions
      2. 20.6.2 I2C Examples
        1. 20.6.2.1 C28x-I2C Library source file for FIFO interrupts
        2. 20.6.2.2 C28x-I2C Library source file for FIFO using polling
        3. 20.6.2.3 I2C Digital Loopback with FIFO Interrupts
        4. 20.6.2.4 I2C EEPROM
        5. 20.6.2.5 I2C EEPROM
        6. 20.6.2.6 I2C EEPROM
    7. 20.7 I2C Registers
      1. 20.7.1 I2C Base Address Table
      2. 20.7.2 I2C_REGS Registers
  23. 21Serial Communications Interface (SCI)
    1. 21.1  Introduction
      1. 21.1.1 Features
      2. 21.1.2 SCI Related Collateral
      3. 21.1.3 Block Diagram
    2. 21.2  Architecture
    3. 21.3  SCI Module Signal Summary
    4. 21.4  Configuring Device Pins
    5. 21.5  Multiprocessor and Asynchronous Communication Modes
    6. 21.6  SCI Programmable Data Format
    7. 21.7  SCI Multiprocessor Communication
      1. 21.7.1 Recognizing the Address Byte
      2. 21.7.2 Controlling the SCI TX and RX Features
      3. 21.7.3 Receipt Sequence
    8. 21.8  Idle-Line Multiprocessor Mode
      1. 21.8.1 Idle-Line Mode Steps
      2. 21.8.2 Block Start Signal
      3. 21.8.3 Wake-Up Temporary (WUT) Flag
        1. 21.8.3.1 Sending a Block Start Signal
      4. 21.8.4 Receiver Operation
    9. 21.9  Address-Bit Multiprocessor Mode
      1. 21.9.1 Sending an Address
    10. 21.10 SCI Communication Format
      1. 21.10.1 Receiver Signals in Communication Modes
      2. 21.10.2 Transmitter Signals in Communication Modes
    11. 21.11 SCI Port Interrupts
      1. 21.11.1 Break Detect
    12. 21.12 SCI Baud Rate Calculations
    13. 21.13 SCI Enhanced Features
      1. 21.13.1 SCI FIFO Description
      2. 21.13.2 SCI Auto-Baud
      3. 21.13.3 Autobaud-Detect Sequence
    14. 21.14 Software
      1. 21.14.1 SCI Examples
        1. 21.14.1.1 Tune Baud Rate via UART Example
        2. 21.14.1.2 SCI FIFO Digital Loop Back
        3. 21.14.1.3 SCI Digital Loop Back with Interrupts
        4. 21.14.1.4 SCI Echoback
        5. 21.14.1.5 stdout redirect example
    15. 21.15 SCI Registers
      1. 21.15.1 SCI Base Address Table
      2. 21.15.2 SCI_REGS Registers
  24. 22Revision History

EQEP Inputs

The eQEP inputs include two pins for quadrature-clock mode or direction-count mode, an index (or 0 marker), and a strobe input. The eQEP module requires that the QEPA, QEPB, and QEPI inputs are synchronized to SYSCLK prior to entering the module.

The application code can enable the synchronous GPIO input feature on any eQEP-enabled GPIO pins (see the General-Purpose Input/Output (GPIO) chapter for more details).

  • QEPA/XCLK and QEPB/XDIR: These two pins can be used in quadrature-clock mode or direction-count mode.
    • Quadrature-clock Mode: The eQEP encoders provide two square wave signals (A and B) 90 electrical degrees out of phase. This phase relationship is used to determine the direction of rotation of the input shaft and number of eQEP pulses from the index position to derive the relative position information. For forward or clockwise rotation, QEPA signal leads QEPB signal and conversely. The quadrature decoder uses these two inputs to generate quadrature-clock and direction signals.
    • Direction-count Mode: In direction-count mode, direction and clock signals are provided directly from the external source. Some position encoders have this type of output instead of quadrature output. The QEPA pin provides the clock input and the QEPB pin provides the direction input.
  • QEPI: Index or Zero Marker: The eQEP encoder uses an index signal to assign an absolute start position from which position information is incrementally encoded using quadrature pulses. This pin is connected to the index output of the eQEP encoder to optionally reset the position counter for each revolution. This signal can be used to initialize or latch the position counter on the occurrence of a desired event on the index pin.
  • QEPS: Strobe Input: This general-purpose strobe signal can initialize or latch the position counter on the occurrence of a desired event on the strobe pin. This signal is typically connected to a sensor or limit switch to notify that the motor has reached a defined position.

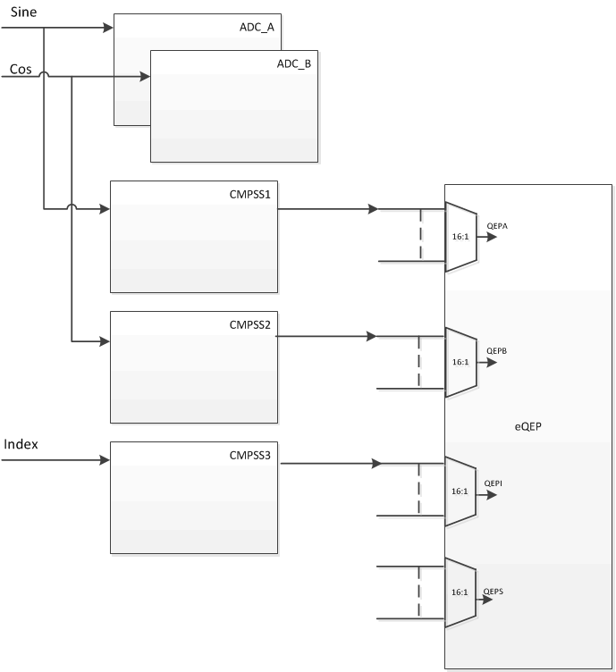
Input signals to the eQEP (QEPA, QEPB, QEPI and QEPS) can come from multiple sources; that is, device pin, CMPSSx, Input X-BAR, or PWMXBARx. One typical use case is if SinCos transducers are used in the motor control system to estimate the position of motor shaft and Index signal is coming from traditional rotary encoder, source of the eQEP signals (QEPA, QEPB and QEPI) can be configured as output of CMPSSx that decodes the Sin, Cos, and Index signals. Figure 17-4 illustrates this.

Selection of the source of Input signals (QEPA, QEPB, and QEPI) is user-configurable through the QEPSRCSEL register as shown in Table 17-1.

F28E12x Using eQEP to Decode Signals from SinCos Transducer Figure 17-4 Using eQEP to Decode Signals from SinCos Transducer
Table 17-1 eQEP Input Source Select Table
QEPASEL, QEPBSEL, QEPISEL Input Signal
0 Device Pin
1 CMPSS1_CTRIPH
2 CMPSS2_CTRIPH
3 CMPSS3_CTRIPH
4
5 Tie zero
6 PWMXBAR1
7 PWMXBAR2
8 PWMXBAR3
9 PWMXBAR4
10 PWMXBAR5
11 PWMXBAR6
12 PWMXBAR7
13 PWMXBAR8
14 Reserved
15 Reserved
Note: Configuration of QEPSRCSEL register to select the source of QEPA, QEPB, and QEPI signals can lead to unexpected transition on these signals, which can cause an undesirable outcome if eQEP is already running. Make sure that the eQEP is disabled before configuring the QEPSRCSEL register for input signals.