ZHCSJ20F August   2018  – September 2024 UCC21530-Q1

PRODUCTION DATA  

  1.   1
  2. 特性
  3. 应用
  4. 说明
  5. 引脚配置和功能
  6. 规格
    1. 5.1  绝对最大额定值
    2. 5.2  ESD 等级(汽车类)
    3. 5.3  建议运行条件
    4. 5.4  热性能信息
    5. 5.5  功率等级
    6. 5.6  绝缘规格
    7. 5.7  安全限值
    8. 5.8  电气特性
    9. 5.9  时序要求
    10. 5.10 开关特性
    11. 5.11 绝缘特性曲线
    12. 5.12 典型特性
  7. 参数测量信息
    1. 6.1 传播延迟和脉宽失真度
    2. 6.2 上升至下降时间
    3. 6.3 输入和使能响应时间
    4. 6.4 可编程死区时间
    5. 6.5 上电 UVLO 到输出延迟
    6. 6.6 CMTI 测试
  8. 详细说明
    1. 7.1 概述
    2. 7.2 功能方框图
    3. 7.3 特性说明
      1. 7.3.1 VDD、VCCI 和欠压锁定 (UVLO)
      2. 7.3.2 输入和输出逻辑表
      3. 7.3.3 输入级
      4. 7.3.4 输出级
      5. 7.3.5 UCC21530-Q1 中的二极管结构
    4. 7.4 器件功能模式
      1. 7.4.1 使能引脚
      2. 7.4.2 可编程死区时间 (DT) 引脚
        1. 7.4.2.1 DT 引脚连接至 VCC
        2. 7.4.2.2 DT 引脚连接至 DT 和 GND 引脚之间的编程电阻器
  9. 应用和实施
    1. 8.1 应用信息
    2. 8.2 典型应用
      1. 8.2.1 设计要求
      2. 8.2.2 详细设计过程
        1. 8.2.2.1 设计 INA/INB 输入滤波器
        2. 8.2.2.2 选择死区时间电阻器和电容器
        3. 8.2.2.3 栅极驱动器输出电阻器
        4. 8.2.2.4 估算栅极驱动器功率损耗
        5. 8.2.2.5 估算结温
        6. 8.2.2.6 选择 VCCI、VDDA/B 电容器
          1. 8.2.2.6.1 选择 VCCI 电容器
        7. 8.2.2.7 其他应用示例电路
      3. 8.2.3 应用曲线
  10. 电源相关建议
  11. 10布局
    1. 10.1 布局指南
      1. 10.1.1 元件放置注意事项
      2. 10.1.2 接地注意事项
      3. 10.1.3 高电压注意事项
      4. 10.1.4 散热注意事项
    2. 10.2 布局示例
  12. 11器件和文档支持
    1. 11.1 第三方产品免责声明
    2. 11.2 文档支持
      1. 11.2.1 相关文档
    3. 11.3 接收文档更新通知
    4. 11.4 支持资源
    5. 11.5 商标
    6. 11.6 术语表
  13. 12修订历史记录
  14. 13机械、封装和可订购信息

封装选项

请参考 PDF 数据表获取器件具体的封装图。

机械数据 (封装 | 引脚)
  • DWK|14
散热焊盘机械数据 (封装 | 引脚)
订购信息

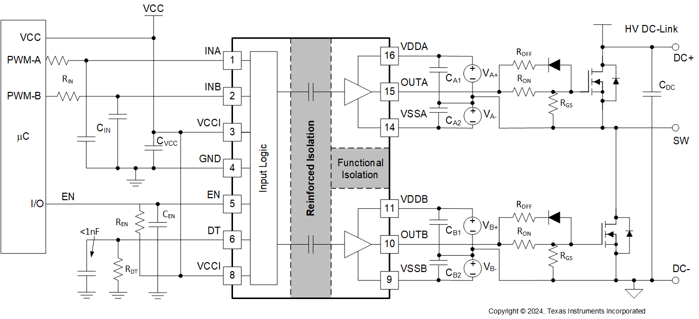
典型应用

图 8-1 中的电路展示了采用 UCC21530-Q1 驱动典型半桥配置的参考设计,该参考设计可以用在多种常见的电源转换器拓扑中,例如同步降压、同步升压、半桥/全桥隔离式拓扑,以及三相电机驱动应用。该电路使用两个电源(或单输入双输出电源)。电源 VA+ 决定正驱动输出电压,而 VA– 决定负关断电压。通道 B 的配置与通道 A 相同。

当非理想 PCB 布局和较长的封装引线(例如 TO-220 和 TO-247 型封装)引入寄生电感时,功率晶体管的栅极源驱动电压在高 di/dt 和 dv/dt 开关期间可能会出现振铃。如果振铃超过阈值电压,就有意外导通甚至发生击穿的风险。在栅极驱动上施加负偏置是一种可以将振玲保持在阈值以下的常用方法。该解决方案为每个驱动器通道提供了两个独立的电源,因此,在设置正负轨电压时,具备灵活性。

UCC21530-Q1 使用双电源的典型应用原理图图 8-1 使用双电源的典型应用原理图