ZHCSLX5C March   2021  – June 2025 TPS628501 , TPS628502 , TPS628503

PRODUCTION DATA  

  1.   1
  2. 特性
  3. 应用
  4. 说明
  5. 器件比较表
  6. 引脚配置和功能
  7. 规格
    1. 6.1 绝对最大额定值
    2. 6.2 ESD 等级
    3. 6.3 建议运行条件
    4. 6.4 热性能信息
    5. 6.5 电气特性
    6. 6.6 典型特性
  8. 参数测量信息
    1. 7.1 原理图
  9. 详细说明
    1. 8.1 概述
    2. 8.2 功能方框图
    3. 8.3 特性说明
      1. 8.3.1 精密使能端 (EN)
      2. 8.3.2 COMP/FSET
      3. 8.3.3 MODE/SYNC
      4. 8.3.4 展频时钟 (SSC)
      5. 8.3.5 欠压锁定 (UVLO)
      6. 8.3.6 电源正常状态输出 (PG)
      7. 8.3.7 热关断
    4. 8.4 器件功能模式
      1. 8.4.1 脉宽调制 (PWM) 运行
      2. 8.4.2 节能模式运行 (PWM/PFM)
      3. 8.4.3 100% 占空比运行
      4. 8.4.4 电流限制和短路保护
      5. 8.4.5 折返电流限制和短路保护
      6. 8.4.6 输出放电
      7. 8.4.7 软启动
      8. 8.4.8 输入过压保护
  10. 应用和实施
    1. 9.1 应用信息
      1. 9.1.1 对输出电压进行编程
      2. 9.1.2 电感器选型
      3. 9.1.3 电容器选型
        1. 9.1.3.1 输入电容器
        2. 9.1.3.2 输出电容器
    2. 9.2 典型应用
      1. 9.2.1 设计要求
      2. 9.2.2 详细设计过程
      3. 9.2.3 应用曲线
    3. 9.3 系统示例
      1. 9.3.1 与外部时钟同步
    4. 9.4 电源相关建议
    5. 9.5 布局
      1. 9.5.1 布局指南
      2. 9.5.2 布局示例
  11. 10器件和文档支持
    1. 10.1 器件支持
      1. 10.1.1 第三方产品免责声明
    2. 10.2 接收文档更新通知
    3. 10.3 支持资源
    4. 10.4 商标
    5. 10.5 静电放电警告
    6. 10.6 术语表
  12. 11修订历史记录
  13. 12机械、封装和可订购信息

封装选项

机械数据 (封装 | 引脚)
散热焊盘机械数据 (封装 | 引脚)
订购信息

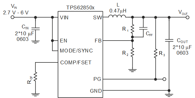
典型应用

TPS628501 TPS628502 TPS628503 典型应用图 9-1 典型应用