ZHCSF29E May 2016 – January 2021 TPS25940-Q1
PRODMIX
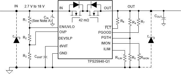
In case of short circuit and over load current limit, when the device interrupts current flow, input inductance generates a positive voltage spike on the input and output inductance generates a negative voltage spike on the output. The peak amplitude of voltage spikes (transients) is dependent on value of inductance in series to the input or output of the device. In case of sudden Output short-to-Battery faults with a long external cable, the cable inductance and output capacitance generates over voltage spike at the output. Such transients can exceed the Absolute Maximum Ratings of the device if steps are not taken to address the issue.
Typical methods for addressing transients include

where
Some applications may require the addition of a Transient Voltage Suppressor (TVS) to prevent transients from exceeding the Absolute Maximum Ratings of the device.
The circuit implementation with optional protection components (a ceramic capacitor, TVS and schottky diode) is shown in Figure 11-1.
