ZHCSM53 October   2020 TPS23731

PRODUCTION DATA  

  1. 特性
  2. 应用
  3. 说明
  4. 修订历史记录
  5. 器件比较表
  6. 引脚配置和功能
  7. 规格
    1. 7.1 绝对最大额定值
    2. 7.2 ESD 等级
    3. 7.3 建议运行条件
    4. 7.4 热性能信息
    5. 7.5 电气特性:直流/直流控制器部分
    6. 7.6 电气特性 PoE
    7.     14
    8. 7.7 典型特性
  8. 详细说明
    1. 8.1 概述
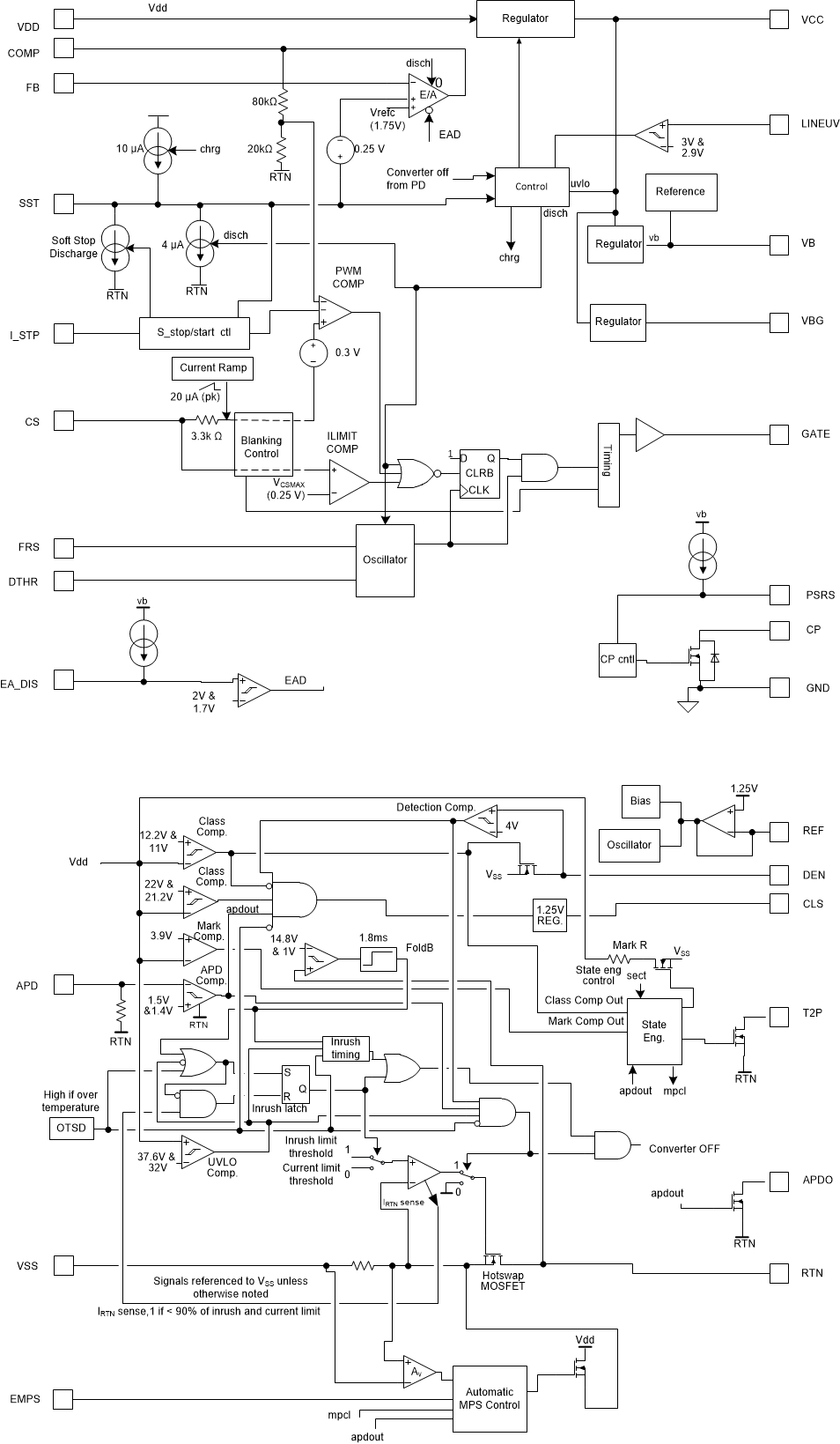
    2. 8.2 功能模块图
    3. 8.3 特性描述
      1. 8.3.1  CLS 分级
      2. 8.3.2  DEN 检测和使能
      3. 8.3.3  APD 辅助电源检测
      4. 8.3.4  内部导通 MOSFET
      5. 8.3.5  T2P 和 APDO 指标
      6. 8.3.6  直流/直流控制器特性
        1. 8.3.6.1 VCC、VB、VBG 和高级 PWM 启动
        2.       27
        3. 8.3.6.2 CS、斜坡补偿电流和消隐
        4. 8.3.6.3 COMP、FB、EA_DIS、CP、PSRS 和无光耦合器反馈
        5. 8.3.6.4 FRS 频率设置和同步
        6. 8.3.6.5 DTHR 和频率抖动,用于扩频应用
        7. 8.3.6.6 转换开关的 SST 和软启动
        8. 8.3.6.7 转换开关的 SST、I_STP、LINEUV 和软停止
      7. 8.3.7  开关 FET 驱动器 - GATE
      8. 8.3.8  EMPS 和自动 MPS
      9. 8.3.9  VDD 电源电压
      10. 8.3.10 RTN、AGND、GND
      11. 8.3.11 VSS
      12. 8.3.12 外露散热焊盘 - PAD_G 和 PAD_S
    4. 8.4 器件功能模式
      1. 8.4.1  PoE 概述
      2. 8.4.2  阈值电压
      3. 8.4.3  PoE 启动序列
      4. 8.4.4  检测
      5. 8.4.5  硬件分级
      6. 8.4.6  维持功率特征 (MPS)
      7. 8.4.7  高级启动和转换器运行
      8. 8.4.8  线路欠压保护和转换器运行
      9. 8.4.9  PD 自保护
      10. 8.4.10 热关断 - 直流/直流控制器
      11. 8.4.11 适配器 ORing
  9. 应用和实施
    1. 9.1 应用信息
    2. 9.2 典型应用
      1. 9.2.1 设计要求
        1. 9.2.1.1 详细设计过程
          1. 9.2.1.1.1  输入电桥和肖特基二极管
          2. 9.2.1.1.2  输入 TVS 保护
          3. 9.2.1.1.3  输入旁路电容器
          4. 9.2.1.1.4  检测电阻,RDEN
          5. 9.2.1.1.5  分级电阻,RCLS。
          6. 9.2.1.1.6  APD 引脚分压器网络,RAPD1、RAPD2
          7. 9.2.1.1.7  设定频率 (RFRS) 和同步
          8. 9.2.1.1.8  偏置电源要求和 CVCC
          9. 9.2.1.1.9  APDO、T2P 接口
          10. 9.2.1.1.10 输出电压反馈分压器,RAUX、R1、R2
          11. 9.2.1.1.11 传导发射的频率抖动控制
  10. 10电源相关建议
  11. 11布局
    1. 11.1 布局指南
    2. 11.2 布局示例
    3. 11.3 EMI 遏制
    4. 11.4 散热注意事项和 OTSD
    5. 11.5 ESD
  12. 12器件和文档支持
    1. 12.1 文档支持
      1. 12.1.1 相关文档
    2. 12.2 支持资源
    3. 12.3 商标
    4. 12.4 静电放电警告
    5. 12.5 术语表
  13. 13机械、封装和可订购信息

封装选项

机械数据 (封装 | 引脚)
散热焊盘机械数据 (封装 | 引脚)
订购信息

功能模块图

GUID-18679B96-8183-4E5C-941E-7F80288DAD02-low.gif