ZHCSIR9B September   2018  – March 2025 TMUX1511

PRODUCTION DATA  

  1.   1
  2. 特性
  3. 应用
  4. 说明
  5. 引脚配置和功能
    1.     引脚功能
  6. 规格
    1. 5.1 绝对最大额定值
    2. 5.2 ESD 等级
    3. 5.3 建议运行条件
    4. 5.4 热性能信息
    5. 5.5 电气特性
    6. 5.6 动态特性
    7. 5.7 时序要求
    8. 5.8 典型特性
      1. 5.8.1 眼图
  7. 参数测量信息
    1. 6.1  导通电阻
    2. 6.2  关断漏电流
    3. 6.3  导通漏电流
    4. 6.4  IPOFF 漏电流
    5. 6.5  转换时间
    6. 6.6  TON (VDD) 和 TOFF (VDD) 时间
    7. 6.7  传播延迟
    8. 6.8  偏斜
    9. 6.9  电荷注入
    10. 6.10 电容
    11. 6.11 关断隔离
    12. 6.12 通道间串扰
    13. 6.13 带宽
  8. 详细说明
    1. 7.1 概述
    2. 7.2 功能方框图
    3. 7.3 特性说明
      1. 7.3.1 双向运行
      2. 7.3.2 超出电源供电范围的工作模式
      3. 7.3.3 1.8V 逻辑兼容输入
      4. 7.3.4 断电保护
      5. 7.3.5 失效防护逻辑
      6. 7.3.6 低电容
      7. 7.3.7 集成下拉电阻器
    4. 7.4 器件功能模式
    5. 7.5 真值表
  9. 应用和实施
    1. 8.1 应用信息
    2. 8.2 典型应用
      1. 8.2.1 协议/信号隔离
        1. 8.2.1.1 设计要求
        2. 8.2.1.2 详细设计过程
        3. 8.2.1.3 应用曲线
      2. 8.2.2 跨阻放大器反馈控制
        1. 8.2.2.1 设计要求
        2. 8.2.2.2 详细设计过程
        3. 8.2.2.3 应用曲线
  10. 电源相关建议
  11. 10布局
    1. 10.1 布局指南
    2. 10.2 布局示例
  12. 11器件和文档支持
    1. 11.1 第三方产品免责声明
    2. 11.2 文档支持
      1. 11.2.1 相关文档
    3. 11.3 接收文档更新通知
    4. 11.4 支持资源
    5. 11.5 商标
    6. 11.6 静电放电警告
    7. 11.7 术语表
  13. 12修订历史记录
  14. 13机械、封装和可订购信息

封装选项

机械数据 (封装 | 引脚)
散热焊盘机械数据 (封装 | 引脚)
订购信息

说明

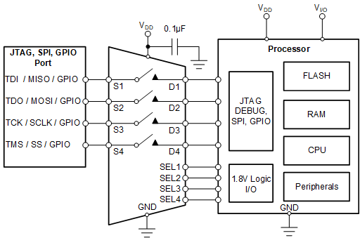
TMUX1511 是一款互补金属氧化物半导体 (CMOS) 开关。TMUX1511 提供具备 4 个可独立控制通道的 1:1 SPST 开关配置。1.5V 至 5.5V 的宽工作电源电压范围使其适用于从服务器和通信设备到工业应用的各种应用。此器件可在源极 (Sx) 和漏极 (Dx) 引脚上支持 双向 模拟和数字信号,并且能够传递高于电源电压(最高 VDD x 2)的信号,最大输入/输出电压为 5.5V。

TMUX1511 的信号路径上高达 3.6V 的电压可在移除电源电压 (VDD = 0V) 时提供隔离。如果没有该保护功能,开关可通过内部 ESD 二极管为电源轨进行反向供电,从而对系统造成潜在损坏。

失效防护逻辑 电路允许在施加电源引脚上的电压之前,先施加逻辑控制引脚上的电压,从而保护器件免受潜在的损害。所有逻辑控制输入均具有 兼容 1.8V 逻辑的阈值,当器件在有效电源电压范围内运行时,这些阈值可确保 TTL 和 CMOS 逻辑兼容性。

封装信息
器件型号 封装 (1) 封装尺寸(标称值)
TMUX1511 TSSOP (14) 5.00mm × 4.40mm
QFN (16) 2.60mm x 1.80mm
X2QFN (12) 1.60mm x 1.60mm
如需了解所有可用封装,请参阅数据表末尾的封装选项附录。
TMUX1511 应用示例应用示例