ZHCSIR9B September   2018  – March 2025 TMUX1511

PRODUCTION DATA  

  1.   1
  2. 特性
  3. 应用
  4. 说明
  5. 引脚配置和功能
    1.     引脚功能
  6. 规格
    1. 5.1 绝对最大额定值
    2. 5.2 ESD 等级
    3. 5.3 建议运行条件
    4. 5.4 热性能信息
    5. 5.5 电气特性
    6. 5.6 动态特性
    7. 5.7 时序要求
    8. 5.8 典型特性
      1. 5.8.1 眼图
  7. 参数测量信息
    1. 6.1  导通电阻
    2. 6.2  关断漏电流
    3. 6.3  导通漏电流
    4. 6.4  IPOFF 漏电流
    5. 6.5  转换时间
    6. 6.6  TON (VDD) 和 TOFF (VDD) 时间
    7. 6.7  传播延迟
    8. 6.8  偏斜
    9. 6.9  电荷注入
    10. 6.10 电容
    11. 6.11 关断隔离
    12. 6.12 通道间串扰
    13. 6.13 带宽
  8. 详细说明
    1. 7.1 概述
    2. 7.2 功能方框图
    3. 7.3 特性说明
      1. 7.3.1 双向运行
      2. 7.3.2 超出电源供电范围的工作模式
      3. 7.3.3 1.8V 逻辑兼容输入
      4. 7.3.4 断电保护
      5. 7.3.5 失效防护逻辑
      6. 7.3.6 低电容
      7. 7.3.7 集成下拉电阻器
    4. 7.4 器件功能模式
    5. 7.5 真值表
  9. 应用和实施
    1. 8.1 应用信息
    2. 8.2 典型应用
      1. 8.2.1 协议/信号隔离
        1. 8.2.1.1 设计要求
        2. 8.2.1.2 详细设计过程
        3. 8.2.1.3 应用曲线
      2. 8.2.2 跨阻放大器反馈控制
        1. 8.2.2.1 设计要求
        2. 8.2.2.2 详细设计过程
        3. 8.2.2.3 应用曲线
  10. 电源相关建议
  11. 10布局
    1. 10.1 布局指南
    2. 10.2 布局示例
  12. 11器件和文档支持
    1. 11.1 第三方产品免责声明
    2. 11.2 文档支持
      1. 11.2.1 相关文档
    3. 11.3 接收文档更新通知
    4. 11.4 支持资源
    5. 11.5 商标
    6. 11.6 静电放电警告
    7. 11.7 术语表
  13. 12修订历史记录
  14. 13机械、封装和可订购信息

封装选项

机械数据 (封装 | 引脚)
散热焊盘机械数据 (封装 | 引脚)
订购信息

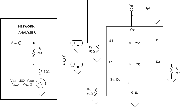
通道间串扰

串扰定义为不同通道的漏极引脚 (Dx) 处的信号与导通通道的源极引脚 (Sx) 上施加的信号之比。特性阻抗 Z0 测量值为 50Ω。图 6-12 展示了用于测量串扰的设置和用于计算串扰的公式。

TMUX1511 通道间串扰测量设置图 6-12 通道间串扰测量设置
方程式 2. TMUX1511