ZHCSXO5B December 2006 – December 2024 OPA4830
PRODUCTION DATA
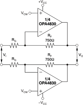
双通道和四通道运算放大器专为差分输入至差分输出应用而设计。通常,这些运算放大器属于 ADC 输入接口或线路驱动器应用。差分 I/O 的两种基本方法是非反相或反相配置。由于输出是差分输出,因此信号极性在一定程度上无意义,因为此处的非反相和反相术语适用于将输入用于 OPA4830。每种方法各有其优缺点。图 8-9 显示了非反相差分 I/O 应用的基本起点。
这种方法会带来与信号增益无关的源端接阻抗。例如,可以在直接连接到非反相输入的信号路径中加入简单的差分滤波器,无需与放大器增益交互。用于 图 8-9 电路的差分信号增益如 方程式 6 所示。

图 8-9 显示建议值为 750Ω。但是,可以仅使用 RG 电阻器来调整增益。
图 8-9 非反相差分 I/O 放大器使用 图 8-9 的基本电路亦可得到单电源或交流耦合增益的各种组合。两个非反相输入的共模偏置电压以 1V/V 的增益传递到输出,因为每个反相节点上的相同直流电压不会通过 RG 产生电流,因此该电压在输出端共模增益为 1。
图 8-10 展示了配置为反相放大器的差分 I/O 级。在这种情况下,增益电阻器 (RG) 成为电源的输入电阻。该配置提供优于非反相配置的噪声性能,但确实限制了将输入阻抗与增益分别设置的灵活性。
图 8-10 反相差分 I/O 放大器两个非反相输入提供简单的共模控制输入。如果电源通过阻断电容或变压器进行交流耦合,这种控制就会用处很大。在任一情况下,两个非反相输入上的共模输入电压的输出引脚增益仍然为 1,可以轻松地对单电源运行进行共模控制。输入电阻器可以调整为所需的增益,亦可以改变输入阻抗。该电路的差分增益如 方程式 7 所示。
