ZHCSI27C April 2018 – October 2021 LM5036
PRODUCTION DATA
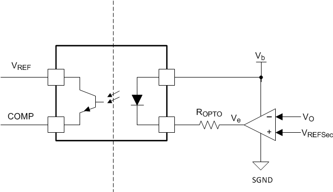
Figure 8-12 illustrates the opto-coupler interface for the main feedback control loop. The primary side of the opto-coupler is biased with VREF voltage from LM5036 device. ROPTO should be selected such that with the minimum error amplifier output, the comp current flowing into the COMP pin of the device is greater than IPWM-OS (800-µA typical) which corresponds to zero duty cycle, as given by Equation 96.
Figure 8-12 Opto-Coupler Interface
where