ZHCSI27C April 2018 – October 2021 LM5036
PRODUCTION DATA
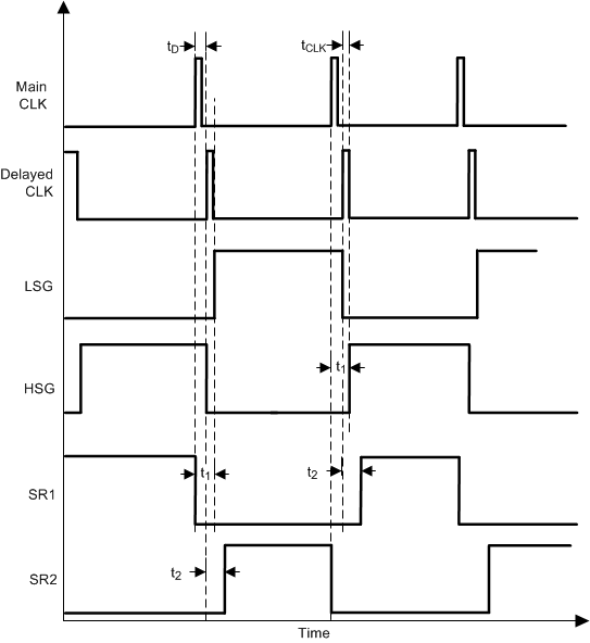
The LSG and HSG will operate at maximum duty cycle when they are turned off at the rising edge of the delayed clock, instead of by the event where RAMP voltage passes COMP voltage, as shown in Figure 7-7. In LM5036 device, it is intended to achieve optimized maximum duty cycle for the primary FETs in order to accommodate wider range of operation.
Figure 7-7 PWM Signals at Maximum Duty Cycle ConditionUse Equation 6 to calculate the maximum duty cycle for the primary FETs

where
The pulse width of the clock is used in this case to prevent cross-conduction between the two primary FETs during the maximum duty cycle operation.