ZHCSXG2P September   2006  – August 2024 DS90UR124-Q1 , DS90UR241-Q1

PRODUCTION DATA  

  1.   1
  2. 1特性
  3. 2应用
  4. 3说明
  5. 4引脚配置和功能
  6. 5规格
    1. 5.1 绝对最大额定值
    2. 5.2 ESD 等级
    3. 5.3 建议运行条件
    4. 5.4 热性能信息
    5. 5.5 电气特性
    6. 5.6 TCLK 的串行器输入时序要求
    7. 5.7 串行器开关特性
    8. 5.8 解串器开关特性
    9. 5.9 典型特性
  7. 6详细说明
    1. 6.1 概述
    2. 6.2 功能方框图
    3. 6.3 特性说明
      1. 6.3.1  初始化和锁定机制
      2. 6.3.2  数据传输
      3. 6.3.3  重新同步
      4. 6.3.4  断电
      5. 6.3.5  三态
      6. 6.3.6  预加重
      7. 6.3.7  交流耦合和终端
        1. 6.3.7.1 接收器终端选项 1
        2. 6.3.7.2 接收器终端选项 2
        3. 6.3.7.3 接收器终端选项 3
      8. 6.3.8  信号质量增强器
      9. 6.3.9  @SPEED-BIST 测试功能
      10. 6.3.10 DS90C241 和 DS90C124 的向后兼容模式
    4. 6.4 器件功能模式
  8.   应用和实施
    1. 7.1 应用信息
      1. 7.1.1 使用 DS90UR241 和 DS90UR124
      2. 7.1.2 显示应用
      3. 7.1.3 典型应用连接
    2. 7.2 典型应用
      1. 7.2.1 DS90UR241-Q1 典型应用连接
        1. 7.2.1.1 设计要求
        2. 7.2.1.2 详细设计过程
          1. 7.2.1.2.1 电源注意事项
          2. 7.2.1.2.2 噪声容限
          3. 7.2.1.2.3 传输介质
          4. 7.2.1.2.4 46
          5. 7.2.1.2.5 热链路插入
        3. 7.2.1.3 应用曲线
      2. 7.2.2 DS90UR124 典型应用连接
        1. 7.2.2.1 设计要求
        2. 7.2.2.2 详细设计过程
        3. 7.2.2.3 应用曲线
    3. 7.3 电源相关建议
    4. 7.4 布局
      1. 7.4.1 布局指南
        1. 7.4.1.1 PCB 布局和电源系统注意事项
        2. 7.4.1.2 LVDS 互连指南
      2. 7.4.2 布局示例
  9. 7器件和文档支持
    1. 7.1 器件支持
    2. 7.2 文档支持
      1. 7.2.1 相关文档
    3. 7.3 接收文档更新通知
    4. 7.4 支持资源
    5. 7.5 商标
    6. 7.6 静电放电警告
    7. 7.7 术语表
  10. 8修订历史记录
  11.   机械、封装和可订购信息

封装选项

机械数据 (封装 | 引脚)
散热焊盘机械数据 (封装 | 引脚)
订购信息

LVDS 互连指南

有关完整详细信息,请参阅 AN-1108 (SNLA008) 和 AN-905 (SNLA035)。

  • 使用 100Ω 耦合差分对
  • 在间距中使用 S/2S/3S 规则
    • S = 对之间的时间间隔
    • 2S = 对之间的时间间隔
    • 3S = LVCMOS 信号的间隔
  • 尽可能减少过孔数量
  • 在 500Mbps 线速以上运行时使用差分连接器
  • 保持布线的平衡
  • 尽可能减小对内的偏斜
  • 尽可能靠近 TX 输出和 RX 输入端接

更多的一般指导信息可参见 LVDS 用户手册 (SNLA187) - TI 网站上提供 PDF 格式的手册:www.ti.com/lvds

DS90UR124-Q1 DS90UR241-Q1 交流耦合应用图 7-8 交流耦合应用
DS90UR124-Q1 DS90UR241-Q1 单个串行 LVDS 位流*
*注意:[0-23] 位实际上不位于上面所示位置,因为 [0-23] 位是经过扰乱和直流平衡的
图 7-9 单个串行 LVDS 位流*
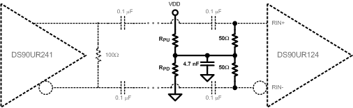
DS90UR124-Q1 DS90UR241-Q1 接收器终端选项 2图 7-10 接收器终端选项 2
DS90UR124-Q1 DS90UR241-Q1 接收器终端选项 3图 7-11 接收器终端选项 3