ZHCS065G March   2011  – January 2024 DAC3482

PRODUCTION DATA  

  1.   1
  2. 特性
  3. 应用
  4. 说明
  5. Pin Configuration and Functions
  6. Specifications
    1. 5.1  Absolute Maximum Ratings
    2. 5.2  ESD Ratings
    3. 5.3  Recommended Operating Conditions
    4. 5.4  Thermal Information
    5. 5.5  Electrical Characteristics – DC Specifications
    6. 5.6  Electrical Characteristics – Digital Specifications
    7. 5.7  Electrical Characteristics – AC Specifications
    8. 5.8  Electrical Characteristics - Phase-Locked Loop Specifications
    9. 5.9  Timing Requirements - Digital Specifications
    10. 5.10 Switching Characteristics – AC Specifications
    11. 5.11 Typical Characteristics
  7. Detailed Description
    1. 6.1 Overview
    2. 6.2 Functional Block Diagram
    3. 6.3 Feature Description
      1. 6.3.1  Serial Interface
      2. 6.3.2  Data Interface
        1. 6.3.2.1 Word-Wide Format
        2. 6.3.2.2 Byte-Wide Format
      3. 6.3.3  Input FIFO
      4. 6.3.4  FIFO Modes of Operation
        1. 6.3.4.1 Dual Sync Source Mode
        2. 6.3.4.2 Single Sync Source Mode
        3. 6.3.4.3 Bypass Mode
      5. 6.3.5  Clocking Modes
        1. 6.3.5.1 PLL Bypass Mode
        2. 6.3.5.2 PLL Mode
      6. 6.3.6  FIR Filters
      7. 6.3.7  Complex Signal Mixer
        1. 6.3.7.1 Full Complex Mixer
        2. 6.3.7.2 Coarse Complex Mixer
        3. 6.3.7.3 Mixer Gain
        4. 6.3.7.4 Real Channel Upconversion
      8. 6.3.8  Quadrature Modulation Correction (QMC)
        1. 6.3.8.1 Gain and Phase Correction
        2. 6.3.8.2 Offset Correction
        3. 6.3.8.3 Group Delay Correction
      9. 6.3.9  Temperature Sensor
      10. 6.3.10 Data Pattern Checker
      11. 6.3.11 Parity Check Test
        1. 6.3.11.1 Word-by-Word Parity
        2. 6.3.11.2 Block Parity
      12. 6.3.12 DAC3482 Alarm Monitoring
      13. 6.3.13 LVPECL Inputs
      14. 6.3.14 LVDS Inputs
      15. 6.3.15 Unused LVDS Port Termination
      16. 6.3.16 CMOS Digital Inputs
      17. 6.3.17 Reference Operation
      18. 6.3.18 DAC Transfer Function
      19. 6.3.19 Analog Current Outputs
    4. 6.4 Device Functional Modes
      1. 6.4.1 Multi-Device Synchronization
        1. 6.4.1.1 Multi-Device Synchronization: PLL Bypassed with Dual Sync Sources Mode
        2. 6.4.1.2 Multi-Device Synchronization: PLL Enabled with Dual Sync Sources Mode
        3. 6.4.1.3 Multi-Device Operation: Single Sync Source Mode
    5. 6.5 Programming
      1. 6.5.1 Power-Up Sequence
      2. 6.5.2 Example Start-Up Routine
        1. 6.5.2.1 Device Configuration
        2. 6.5.2.2 PLL Configuration
        3. 6.5.2.3 NCO Configuration
        4. 6.5.2.4 Example Start-Up Sequence
    6. 6.6 Register Map
      1. 6.6.1 Register Descriptions
        1. 6.6.1.1  Register Name: config0 – Address: 0x00, Default: 0x049C
        2. 6.6.1.2  Register Name: config1 – Address: 0x01, Default: 0x050E
        3. 6.6.1.3  Register Name: config2 – Address: 0x02, Default: 0x7000
        4. 6.6.1.4  Register Name: config3 – Address: 0x03, Default: 0xF000
        5. 6.6.1.5  Register Name: config4 – Address: 0x04, Default: No RESET Value (WRITE TO CLEAR)
        6. 6.6.1.6  Register Name: config5 – Address: 0x05, Default: Setup and Power-Up Conditions Dependent (WRITE TO CLEAR)
        7. 6.6.1.7  Register Name: config6 – Address: 0x06, Default: No RESET Value (READ ONLY)
        8. 6.6.1.8  Register Name: config7 – Address: 0x07, Default: 0xFFFF
        9. 6.6.1.9  Register Name: config8 – Address: 0x08, Default: 0x0000 (CAUSES AUTO-SYNC)
        10. 6.6.1.10 Register Name: config9 – Address: 0x09, Default: 0x8000
        11. 6.6.1.11 Register Name: config10 – Address: 0x0A, Default: 0x0000
        12. 6.6.1.12 Register Name: config11 – Address: 0x0B, Default: 0x0000
        13. 6.6.1.13 Register Name: config12 – Address: 0x0C, Default: 0x0400
        14. 6.6.1.14 Register Name: config13 – Address: 0x0D, Default: 0x0400
        15. 6.6.1.15 Register Name: config14 – Address: 0x0E, Default: 0x0400
        16. 6.6.1.16 Register Name: config15 – Address: 0x0F, Default: 0x0400
        17. 6.6.1.17 Register Name: config16 – Address: 0x10, Default: 0x0000 (CAUSES AUTO-SYNC)
        18. 6.6.1.18 Register Name: config17 – Address: 0x11, Default: 0x0000
        19. 6.6.1.19 Register Name: config18 – Address: 0x12, Default: 0x0000 (CAUSES AUTO-SYNC)
        20. 6.6.1.20 Register Name: config19 – Address: 0x13, Default: 0x0000
        21. 6.6.1.21 Register Name: config20 – Address: 0x14, Default: 0x0000
        22. 6.6.1.22 Register Name: config21 – Address: 0x15, Default: 0x0000
        23. 6.6.1.23 Register name: config22 – Address: 0x16, Default: 0x0000
        24. 6.6.1.24 Register Name: config23 – Address: 0x17, Default: 0x0000
        25. 6.6.1.25 Register Name: config24 – Address: 0x18, Default: NA
        26. 6.6.1.26 Register Name: config25 – Address: 0x19, Default: 0x0440
        27. 6.6.1.27 Register Name: config26 – Address: 0x1A, Default: 0x0020
        28. 6.6.1.28 Register Name: config27 – Address: 0x1B, Default: 0x0000
        29. 6.6.1.29 Register Name: config28 – Address: 0x1C, Default: 0x0000
        30. 6.6.1.30 Register Name: config29 – Address: 0x1D, Default: 0x0000
        31. 6.6.1.31 Register Name: config30 – Address: 0x1E, Default: 0x1111
        32. 6.6.1.32 Register Name: config31 – Address: 0x1F, Default: 0x1140
        33. 6.6.1.33 Register Name: config32 – Address: 0x20, Default: 0x2400
        34. 6.6.1.34 Register Name: config33 – Address: 0x21, Default: 0x0000
        35. 6.6.1.35 Register Name: config34 – Address: 0x22, Default: 0x1B1B
        36. 6.6.1.36 Register Name: config35 – Address: 0x23, Default: 0xFFFF
        37. 6.6.1.37 Register Name: config36 – Address: 0x24, Default: 0x0000
        38. 6.6.1.38 Register Name: config37 – Address: 0x25, Default: 0x7A7A
        39. 6.6.1.39 Register Name: config38 – Address: 0x26, Default: 0xB6B6
        40. 6.6.1.40 Register Name: config39 – Address: 0x27, Default: 0xEAEA
        41. 6.6.1.41 Register Name: config40 – Address: 0x28, Default: 0x4545
        42. 6.6.1.42 Register Name: config41 – Address: 0x29, Default: 0x1A1A
        43. 6.6.1.43 Register Name: config42 – Address: 0x2A, Default: 0x1616
        44. 6.6.1.44 Register Name: config43 – Address: 0x2B, Default: 0xAAAA
        45. 6.6.1.45 Register Name: config44 – Address: 0x2C, Default: 0xC6C6
        46. 6.6.1.46 Register Name: config45 – Address: 0x2D, Default: 0x0004
        47. 6.6.1.47 Register Name: config46 – Address: 0x2E, Default: 0x0000
        48. 6.6.1.48 Register Name: config47 – Address: 0x2F, Default: 0x0000
        49. 6.6.1.49 Register Name: config48 – Address: 0x30, Default: 0x0000
        50. 6.6.1.50 Register Name: version– Address: 0x7F, Default: 0x540C (READ ONLY)
  8. Application and Implementation
    1. 7.1 Application Information
    2. 7.2 Typical Applications
      1. 7.2.1 IF Based LTE Transmitter
        1. 7.2.1.1 Design Requirements
        2. 7.2.1.2 Detailed Design Procedure
          1. 7.2.1.2.1 Data Input Rate
          2. 7.2.1.2.2 Interpolation
          3. 7.2.1.2.3 LO Feedthrough and Sideband Correction
        3. 7.2.1.3 Application Curves
      2. 7.2.2 Direct Upconversion (Zero IF) LTE Transmitter
        1. 7.2.2.1 Design Requirements
        2. 7.2.2.2 Detailed Design Procedure
          1. 7.2.2.2.1 Data Input Rate
          2. 7.2.2.2.2 Interpolation
          3. 7.2.2.2.3 LO Feedthrough and Sideband Correction
        3. 7.2.2.3 Application Curves
    3. 7.3 Power Supply Recommendations
    4. 7.4 Layout
      1. 7.4.1 Layout Guidelines
      2. 7.4.2 Layout Examples
      3. 7.4.3 Assembly
  9. Device and Documentation Support
    1. 8.1 Device Support
      1. 8.1.1 Device Nomenclature
        1. 8.1.1.1 Definition of Specifications
    2. 8.2 Documentation Support
      1. 8.2.1 Related Documentation
    3. 8.3 支持资源
    4. 8.4 Trademarks
    5. 8.5 静电放电警告
    6. 8.6 术语表
  10. Revision History
  11. 10Mechanical, Packaging, and Orderable Information
    1. 10.1 Clarifications for DAC3482 Power Supply and Phase-Locked Loop Specification

封装选项

机械数据 (封装 | 引脚)
散热焊盘机械数据 (封装 | 引脚)
订购信息

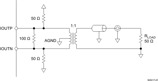
Analog Current Outputs

The DAC3482 can be easily configured to drive a doubly terminated 50Ω cable using a properly selected RF transformer. Figure 6-37 and Figure 6-38 show the 50Ω doubly terminated transformer configuration with 1:1 and 4:1 impedance ratio, respectively. Note that the center tap of the primary input of the transformer has to be grounded to enable a DC current flow. Applying a 20mA full-scale output current would lead to a 0.5Vpp for a 1:1 transformer and a 1-Vpp output for a 4:1 transformer. The low dc-impedance between IOUTP or IOUTN and the transformer center tap sets the center of the ac-signal to GND, so the 1Vpp output for the 4:1 transformer results in an output between –0.5V and 0.5V.

GUID-FE089DF3-035F-4F51-85EC-ADB6D8427056-low.gifFigure 6-37 Driving a Doubly Terminated 50Ω Cable Using a 1:1 Impedance Ratio Transformer
GUID-6DB57C3E-C909-4974-9608-F013EBF4943E-low.gifFigure 6-38 Driving a Doubly Terminated 50Ω Cable Using a 4:1 Impedance Ratio Transformer