ZHCSLI3A July   2020  – July 2025 CDCE6214

PRODUCTION DATA  

  1.   1
  2. 特性
  3. 应用
  4. 说明
  5. 引脚配置和功能
  6. 规格
    1. 5.1  绝对最大额定值
    2. 5.2  ESD 等级
    3. 5.3  建议运行条件
    4. 5.4  热性能信息
    5. 5.5  EEPROM 特性
    6. 5.6  基准输入,单端特性
    7. 5.7  基准输入,差分特性
    8. 5.8  基准输入,晶体模式特性
    9. 5.9  通用输入特性
    10. 5.10 三电平输入特性
    11. 5.11 逻辑输出特性
    12. 5.12 锁相环特性
    13. 5.13 闭环输出抖动特性
    14. 5.14 输入和输出隔离
    15. 5.15 缓冲模式特性
    16. 5.16 PCIe 展频发生器
    17. 5.17 LVCMOS 输出特性
    18. 5.18 LP-HCSL 输出特性
    19. 5.19 LVDS 输出特性
    20. 5.20 输出同步特性
    21. 5.21 上电复位特性
    22. 5.22 与 I2C 兼容的串行接口特性
    23. 5.23 时序要求,与 I2C 兼容的串行接口
    24. 5.24 电源特性
    25. 5.25 典型特性
  7. 参数测量信息
    1. 6.1 基准输入
    2. 6.2 输出
    3. 6.3 串行接口
    4. 6.4 PSNR 测试
    5. 6.5 时钟连接和端接
      1. 6.5.1 基准输入
      2. 6.5.2 输出
  8. 详细说明
    1. 7.1 概述
    2. 7.2 功能方框图
    3. 7.3 特性说明
      1. 7.3.1 基准块
        1. 7.3.1.1 零延迟模式,内部和外部路径
      2. 7.3.2 锁相环 (PLL)
        1. 7.3.2.1 PLL 配置和分频器设置
        2. 7.3.2.2 扩频时钟
        3. 7.3.2.3 数字控制振荡器和频率递增或递减 - 串行接口模式和 GPIO 模式
      3. 7.3.3 时钟分配
        1. 7.3.3.1 无毛刺运行
        2. 7.3.3.2 分频器同步
        3. 7.3.3.3 全局和单独输出使能
      4. 7.3.4 电源和电源管理
      5. 7.3.5 控制引脚
    4. 7.4 器件功能模式
      1. 7.4.1 运行模式
        1. 7.4.1.1 回退模式
        2. 7.4.1.2 引脚模式
        3. 7.4.1.3 串行接口模式
    5. 7.5 编程
      1. 7.5.1 I2C 串行接口
      2. 7.5.2 EEPROM
        1. 7.5.2.1 EEPROM - 循环冗余校验
        2. 7.5.2.2 建议的编程过程
        3. 7.5.2.3 EEPROM 访问
          1. 7.5.2.3.1 寄存器提交流程
          2. 7.5.2.3.2 直接访问流程
        4. 7.5.2.4 寄存器位到 EEPROM 映射
  9. 应用和实施
    1. 8.1 应用信息
    2. 8.2 典型应用
      1. 8.2.1 设计要求
      2. 8.2.2 详细设计过程
      3. 8.2.3 应用曲线
    3. 8.3 电源相关建议
      1. 8.3.1 上电序列
      2. 8.3.2 去耦合
    4. 8.4 布局
      1. 8.4.1 布局指南
      2. 8.4.2 布局示例
  10. 器件和文档支持
    1. 9.1 器件支持
      1. 9.1.1 开发支持
      2. 9.1.2 器件命名规则
    2. 9.2 文档支持
      1. 9.2.1 相关文档
    3. 9.3 接收文档更新通知
    4. 9.4 支持资源
    5. 9.5 商标
    6. 9.6 静电放电警告
    7. 9.7 术语表
  11. 10修订历史记录
  12. 11机械、封装和可订购信息

封装选项

机械数据 (封装 | 引脚)
散热焊盘机械数据 (封装 | 引脚)
订购信息

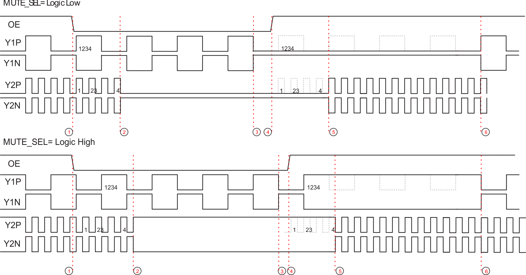
全局和单独输出使能

利用输出使能功能,用户可以启用或禁用全部或特定的输出缓冲器。全局输出使能信号中排除了 OUT0 上的旁路复制。当输出被禁用时,该信号驱动可配置的静音状态。当串行接口停用时,可以同时使用所有单独的输出使能信号。各个输出使能信号控制相应的输出通道整数分频器来选通时钟,因此每个整数分频器必须处于活动状态。

各个输出使能信号以确定的方式启用和禁用相应的输出。因此,信号的高低电平是通过对各自输出时钟的四个周期进行计数来判断的。

  1. OE 下降沿禁用输出。将通道的输出使能置为有效后,启用输出 4 个周期。这样可以在 OE 置为有效后在系统中进行任何进一步的操作。
  2. OE 上升沿启用输出。输出在 4 个内部时钟周期后开始切换。
CDCE6214 单独输出启用和禁用图 7-10 单独输出启用和禁用
表 7-14 无毛刺运行和分频器同步
寄存器位地址寄存器位字段名称说明
R0[14]PDN_INPUT_SEL将 PDN 引脚配置为 PDN 或 SYNCN
R0[5]SYNC通过串行接口生成同步信号
R57[9]、R63[9]、R68[9]、R73[9]CH1_GLITCHLESS_EN、CH2_GLITCHLESS_EN、CH3_GLITCHLESS_EN、CH4_GLITCHLESS_EN启用 OUT1/OUT2/OUT3/OUT4 的无毛刺切换
R57[3]、R63[3]、R68[3]、R73[3]CH1_SYNC_EN、CH2_SYNC_EN、CH3_SYNC_EN、CH4_SYNC_EN启用 OUT1/OUT2/OUT3/OUT4 同步
R57[1]、R63[1]、R68[1]、R73[1]CH1_MUTESEL、CH2_MUTESEL、CH3_MUTESEL、CH4_MUTESEL设置 OUT1/OUT2/OUT3/OUT4 静音时的输出电平
R57[0]、R63[0]、R68[0]、R73[0]CH1_MUTE、CH2_MUTE、CH3_MUTE、CH4_MUTE将 OUT1/OUT2/OUT3/OUT4 上的输出静音