ZHCSIH5C june   2018  – may 2023 BQ25713 , BQ25713B

PRODUCTION DATA  

  1.   1
  2. 特性
  3. 应用
  4. 说明
  5. 修订历史记录
  6. 说明(续)
  7. 器件比较表
  8. 引脚配置和功能
  9. 规格
    1. 8.1 绝对最大额定值
    2. 8.2 ESD 等级
    3. 8.3 建议运行条件
    4. 8.4 热性能信息
    5. 8.5 电气特性
    6. 8.6 时序要求
    7. 8.7 典型特性
  10. 详细说明
    1. 9.1 概述
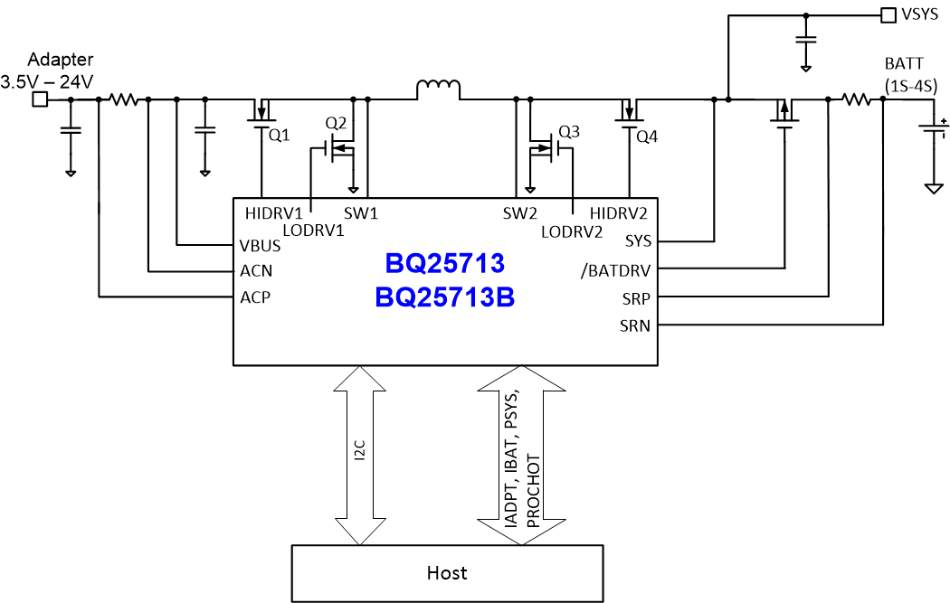
    2. 9.2 功能模块图
    3. 9.3 特性说明
      1. 9.3.1  从不带直流电源的电池上电
      2. 9.3.2  仅电池模式下的 Vmin 主动保护 (VAP)
      3. 9.3.3  从直流电源上电
        1. 9.3.3.1 CHRG_OK 指示器
        2. 9.3.3.2 输入电压和电流限制设置
        3. 9.3.3.3 电池电芯配置
        4. 9.3.3.4 器件高阻态状态
      4. 9.3.4  USB On-The-Go (OTG)
      5. 9.3.5  转换器运行
        1. 9.3.5.1 通过 IADPT 引脚检测电感
        2. 9.3.5.2 连续导通模式 (CCM)
        3. 9.3.5.3 脉冲频率调制 (PFM)
      6. 9.3.6  电流和功率监控器
        1. 9.3.6.1 高精度电流检测放大器(IADPT 和 IBAT)
        2. 9.3.6.2 高精度功率检测放大器 (PSYS)
      7. 9.3.7  输入源动态电源管理
      8. 9.3.8  两级适配器电流限制(峰值功率模式)
      9. 9.3.9  处理器热量指示
        1. 9.3.9.1 低功耗模式期间的 PROCHOT
        2. 9.3.9.2 PROCHOT 状态
      10. 9.3.10 器件保护
        1. 9.3.10.1 看门狗计时器
        2. 9.3.10.2 输入过压保护 (ACOV)
        3. 9.3.10.3 输入过流保护 (ACOC)
        4. 9.3.10.4 系统过压保护 (SYSOVP)
        5. 9.3.10.5 电池过压保护 (BATOVP)
        6. 9.3.10.6 电池短路
        7. 9.3.10.7 系统短路断续模式
        8. 9.3.10.8 热关断 (TSHUT)
    4. 9.4 器件功能模式
      1. 9.4.1 正向模式
        1. 9.4.1.1 采用窄 VDC 架构的系统电压调节
        2. 9.4.1.2 电池充电
      2. 9.4.2 USB On-The-Go
      3. 9.4.3 直通模式 (PTM)
    5. 9.5 编程
      1. 9.5.1 I2C 串行接口
        1. 9.5.1.1 数据有效性
        2. 9.5.1.2 START 和 STOP 条件
        3. 9.5.1.3 字节格式
        4. 9.5.1.4 确认 (ACK) 和否定确认 (NACK)
        5. 9.5.1.5 从器件地址和数据方向位
        6. 9.5.1.6 单独读取和写入
        7. 9.5.1.7 多重读取和多重写入
        8. 9.5.1.8 写入 2 字节 I2C 命令
    6. 9.6 寄存器映射
      1. 9.6.1  设置充电和 PROCHOT 选项
        1. 9.6.1.1 ChargeOption0 寄存器(I2C 地址 = 01/00h)[复位 = E70Eh]
        2. 9.6.1.2 ChargeOption1 寄存器(I2C 地址 = 31/30h)[复位 = 0211h]
        3. 9.6.1.3 ChargeOption2 寄存器(I2C 地址 = 33/32h)[复位 = 02B7h]
        4. 9.6.1.4 ChargeOption3 寄存器(I2C 地址 = 35/34h)[复位 = 0030h]
        5. 9.6.1.5 ProchotOption0 寄存器(I2C 地址 = 37/36h)[复位 = 4A65h]
        6. 9.6.1.6 ProchotOption1 寄存器(I2C 地址 = 39/38h)[复位 = 81A0h]
        7. 9.6.1.7 ADCOption 寄存器(I2C 地址 = 3B/3Ah)[复位 = 2000h]
      2. 9.6.2  充电和 PROCHOT 状态
        1. 9.6.2.1 ChargerStatus 寄存器(I2C 地址 = 21/20h)[复位 = 0000h]
        2. 9.6.2.2 ProchotStatus 寄存器(I2C 地址 = 23/22h)[复位 = A800h]
      3. 9.6.3  ChargeCurrent 寄存器(I2C 地址 = 03/02h)[复位 = 0000h]
        1. 9.6.3.1 电池预充电电流钳位
      4. 9.6.4  MaxChargeVoltage 寄存器(I2C 地址 = 05/04h)[基于 CELL_BATPRESZ 引脚设置的复位值]
      5. 9.6.5  MinSystemVoltage 寄存器(I2C 地址 = 0D/0Ch)[基于 CELL_BATPRESZ 引脚设置复位值]
        1. 9.6.5.1 系统电压调节
      6. 9.6.6  用于动态电源管理的输入电流和输入电压寄存器
        1. 9.6.6.1 输入电流寄存器
          1. 9.6.6.1.1 具有 10mΩ 检测电阻的 IIN_HOST 寄存器(I2C 地址 = 0F/0Eh)[复位 = 4100h]
          2. 9.6.6.1.2 具有 10mΩ 检测电阻的 IIN_DPM 寄存器(I2C 地址 = 25/24h)[复位 = 4100h]
          3. 9.6.6.1.3 InputVoltage 寄存器(I2C 地址 = 0B/0Ah)[复位 = VBUS-1.28V]
      7. 9.6.7  OTGVoltage 寄存器(I2C 地址 = 07/06h)[复位 = 0000h]
      8. 9.6.8  OTGCurrent 寄存器(I2C 地址 = 09/08h)[复位 = 0000h]
      9. 9.6.9  ADCVBUS/PSYS 寄存器(I2C 地址 = 27/26h)
      10. 9.6.10 ADCIBAT 寄存器(I2C 地址 = 29/28h)
      11. 9.6.11 ADCIINCMPIN 寄存器(I2C 地址 = 2B/2Ah)
      12. 9.6.12 ADCVSYSVBAT 寄存器(I2C 地址 = 2D/2Ch)
      13. 9.6.13 ID 寄存器
        1. 9.6.13.1 ManufactureID 寄存器(I2C 地址 = 2Eh)[复位 = 0040h]
        2. 9.6.13.2 器件 ID (DeviceAddress) 寄存器(I2C 地址 = 2Fh)[复位 = 0h]
  11. 10应用和实施
    1. 10.1 应用信息
    2. 10.2 典型应用
      1. 10.2.1 设计要求
      2. 10.2.2 详细设计过程
        1. 10.2.2.1 ACP-ACN 输入滤波器
        2. 10.2.2.2 电感器选型
        3. 10.2.2.3 输入电容器
        4. 10.2.2.4 输出电容器
        5. 10.2.2.5 功率 MOSFET 选择
      3. 10.2.3 应用曲线
  12. 11电源相关建议
  13. 12布局
    1. 12.1 布局指南
    2. 12.2 布局示例
      1. 12.2.1 布局示例参考顶视图
      2. 12.2.2 内层布局和布线示例
  14. 13器件和文档支持
    1. 13.1 器件支持
      1. 13.1.1 第三方产品免责声明
    2. 13.2 文档支持
      1. 13.2.1 相关文档
    3. 13.3 接收文档更新通知
    4. 13.4 支持资源
    5. 13.5 商标
    6. 13.6 静电放电警告
    7. 13.7 术语表
  15. 14机械、封装和可订购信息

封装选项

机械数据 (封装 | 引脚)
散热焊盘机械数据 (封装 | 引脚)
订购信息

说明

此器件是一款同步 NVDC 降压/升压电池充电控制器,可为空间受限的 1-4 芯串联电池充电应用提供元件数很少的高效解决方案。

器件信息
器件型号 封装(1) 封装尺寸(标称值)
BQ25713、BQ25713B WQFN (32) 4.00mm × 4.00mm
要了解所有可用封装,请参阅数据表末尾的可订购产品附录。
GUID-20210129-CA0I-CQQW-83GM-C1G1DMCCPSCS-low.gif 应用示意图