ZHCSN84G January 2021 – April 2024 AM6411 , AM6412 , AM6421 , AM6422 , AM6441 , AM6442
PRODUCTION DATA
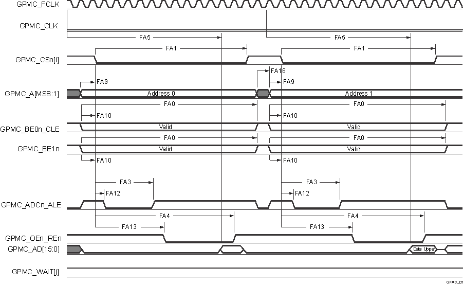
表 6-56 和表 6-57 展示了 GPMC 和 NOR 闪存的时序要求和开关特性 - 异步模式。
| 编号 | 参数 | 说明 | 模式 | 最小值 | 最大值 | 单位 |
|---|---|---|---|---|---|---|
| FA5(1) | tacc(d) | 数据访问时间 | div_by_1_mode; GPMC_FCLK_MUX; TIMEPARAGRANULARITY_X1 |
H(4) | ns | |
| FA20(2) | tacc1-pgmode(d) | 页面模式连续数据访问时间 | div_by_1_mode; GPMC_FCLK_MUX; TIMEPARAGRANULARITY_X1 |
P(3) | ns | |
| FA21(1) | tacc2-pgmode(d) | 页面模式首个数据访问时间 | div_by_1_mode; GPMC_FCLK_MUX; TIMEPARAGRANULARITY_X1 |
H(4) | ns |
| 编号 | 参数 | 说明 | 模式(15) | 最小值 | 最大值 | 单位 |
|---|---|---|---|---|---|---|
| 133MHz | ||||||
| FA0 | tw(be[x]nV) | 脉冲持续时间,输出低字节使能和命令锁存使能 GPMC_BE0n_CLE、输出高字节使能 GPMC_BE1n 有效时间 | 读取 | N (12) | ns | |
| 写入 | N (12) | |||||
| FA1 | tw(csnV) | 脉冲持续时间,输出片选 GPMC_CSn[i](13) 低电平 | 读取 | A (1) | ns | |
| 写入 | A (1) | |||||
| FA3 | td(csnV-advnIV) | 延迟时间,输出片选 GPMC_CSn[i](13) 有效到输出地址有效和地址锁存使能 GPMC_ADVn_ALE 无效 | 读取 | B - 2.1 (2) | B + 2.1 (2) | ns |
| 写入 | B - 2.1 (2) | B + 2.1 (2) | ||||
| FA4 | td(csnV-oenIV) | 延迟时间,输出片选 GPMC_CSn[i](13) 有效到输出使能 GPMC_OEn_REn 无效(单次读取) | div_by_1_mode; GPMC_FCLK_MUX; TIMEPARAGRANULARITY_X1 |
C - 2.1 (3) | C + 2.1 (3) | ns |
| FA9 | td(aV-csnV) | 延迟时间,输出地址 GPMC_A[27:1] 有效到输出片选 GPMC_CSn[i](13) 有效 | div_by_1_mode; GPMC_FCLK_MUX; TIMEPARAGRANULARITY_X1 |
J - 2.1 (9) | J + 2.1 (9) | ns |
| FA10 | td(be[x]nV-csnV) | 延迟时间,输出低字节使能和命令锁存使能 GPMC_BE0n_CLE、输出高字节使能 GPMC_BE1n 有效到输出片选 GPMC_CSn[i](13) 有效 | div_by_1_mode; GPMC_FCLK_MUX; TIMEPARAGRANULARITY_X1 |
J - 2.1 (9) | J + 2.1 (9) | ns |
| FA12 | td(csnV-advnV) | 延迟时间,输出片选 GPMC_CSn[i](13) 有效到输出地址有效和地址锁存使能 GPMC_ADVn_ALE 有效 | div_by_1_mode; GPMC_FCLK_MUX; TIMEPARAGRANULARITY_X1 |
K - 2.1 (10) | K + 2.1 (10) | ns |
| FA13 | td(csnV-oenV) | 延迟时间,输出片选 GPMC_CSn[i](13) 有效到输出使能 GPMC_OEn_REn 有效 | div_by_1_mode; GPMC_FCLK_MUX; TIMEPARAGRANULARITY_X1 |
L - 2.1 (11) | L + 2.1 (11) | ns |
| FA16 | tw(aIV) | 脉冲持续时间,输出地址 GPMC_A[26:1] 在 2 次连续读取和写入访问之间无效 | div_by_1_mode; GPMC_FCLK_MUX; TIMEPARAGRANULARITY_X1 |
G (7) | ns | |
| FA18 | td(csnV-oenIV) | 延迟时间,输出片选 GPMC_CSn[i](13) 有效到输出使能 GPMC_OEn_REn 无效(突发读取) | div_by_1_mode; GPMC_FCLK_MUX; TIMEPARAGRANULARITY_X1 |
I - 2.1 (8) | I + 2.1 (8) | ns |
| FA20 | tw(aV) | 脉冲持续时间,输出地址 GPMC_A[27:1] 有效 - 第 2、3、4 次访问 | div_by_1_mode; GPMC_FCLK_MUX; TIMEPARAGRANULARITY_X1 |
D(4) | ns | |
| FA25 | td(csnV-wenV) | 延迟时间,输出片选 GPMC_CSn[i](13) 有效到输出写入使能 GPMC_WEn 有效 | div_by_1_mode; GPMC_FCLK_MUX; TIMEPARAGRANULARITY_X1 |
E - 2.1 (5) | E + 2.1 (5) | ns |
| FA27 | td(csnV-wenIV) | 延迟时间,输出片选 GPMC_CSn[i](13) 有效到输出写入使能 GPMC_WEn 无效 | div_by_1_mode; GPMC_FCLK_MUX; TIMEPARAGRANULARITY_X1 |
F - 2.1 (6) | F + 2.1 (6) | ns |
| FA28 | td(wenV-dV) | 延迟时间,输出写入使能 GPMC_WEn 有效到输出数据 GPMC_AD[15:0] 有效 | div_by_1_mode; GPMC_FCLK_MUX; TIMEPARAGRANULARITY_X1 |
2.1 | ns | |
| FA29 | td(dV-csnV) | 延迟时间,输出数据 GPMC_AD[15:0] 有效到输出片选 GPMC_CSn[i](13) 有效 | div_by_1_mode; GPMC_FCLK_MUX; TIMEPARAGRANULARITY_X1 |
J - 2.1 (9) | J + 2.1 (9) | ns |
| FA37 | td(oenV-aIV) | 延迟时间,输出使能 GPMC_OEn_REn 有效到输出地址 GPMC_AD[15:0] 阶段结束 | div_by_1_mode; GPMC_FCLK_MUX; TIMEPARAGRANULARITY_X1 |
2.1 | ns | |





