ZHCSCA6B April 2014 – October 2020 ADS4245-EP
PRODUCTION DATA
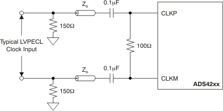
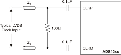
The ADS4245 clock inputs can be driven differentially (sine, LVPECL, or LVDS) or single-ended (LVCMOS), with little or no difference in performance between them. The common-mode voltage of the clock inputs is set to VCM using internal 5kΩ resistors. This setting allows the use of transformer-coupled drive circuits for sine-wave clock or ac-coupling for LVPECL and LVDS clock sources are shown in Figure 8-1, Figure 8-2 and Figure 8-3. The internal clock buffer is shown in Figure 8-4.

Figure 8-3 LVPECL Clock Driving Circuit
Figure 8-2 LVDS Clock Driving Circuit
A single-ended CMOS clock can be ac-coupled to the CLKP input, with CLKM connected to ground with a 0.1μF capacitor, as shown in Figure 8-5. For best performance, the clock inputs must be driven differentially, thereby reducing susceptibility to common-mode noise. For high input frequency sampling, it is recommended to use a clock source with very low jitter. Band-pass filtering of the clock source can help reduce the effects of jitter. There is no change in performance with a non-50% duty cycle clock input.
Figure 8-5 Single-Ended Clock Driving Circuit