ZHCY147A december   2020  – december 2020 LMG3410R050 , TMS320F280025 , TMS320F280025-Q1 , TMS320F280049 , TMS320F280049-Q1 , TMS320F28377D , TMS320F28377D-Q1 , TMS320F28377S , TMS320F28377S-Q1 , TMS320F28384D-Q1 , TMS320F28384S-Q1 , TMS320F28386D-Q1 , TMS320F28386S-Q1 , TMS320F28388D , TMS320F28P650DH , TMS320F28P650DK , TMS320F28P650SH , TMS320F28P650SK , TMS320F28P659DH-Q1 , TMS320F28P659DK-Q1 , TMS320F28P659SH-Q1

 

  1.   1
  2.   概述
  3.   3
  4.   内容概览
  5.   适用于车载充电器的图腾柱 PFC 和 CLLLC 拓扑
  6.   高压转低压直流/直流转换器的峰值电流模式控制
  7.   车载充电器的实时 MCU 的可扩展产品组合
  8.   结论
  9.   其他资源
  10.   参考文献

车载充电器的实时 MCU 的可扩展产品组合

OBC 的范围包括适用于插电式混合动力电动汽车的 3.3kW 和适用于电动汽车的 6.6kW 至 22kW 等。适用于 3.3kW 至 6.6kW OBC 的常用架构包括图腾柱 PFC 和 CLLLC。表 1 列出了基于系统架构的各种实时 MCU 选择以及集成选项。

表 1 适用于 3.3kW 至 6.6kW OBC 和高压转低压直流/直流系统的实时 MCU。
至少需要的资源 典型实时 MCU 选件
PWM 模数转换器 MIPS 独立控制器 单控制器用于 OBC,独立控制器用于 HV/LV DC/DC 单个集成控制器
3.3kW/6.6kW OBC PFC 级(图腾柱 PFC) 2 5 70 F280025 F280049 F2837S
3.3kW/6.6kW OBC 直流/直流转换器 (CLLLC) 8 5 50 F280025 F280025
3kW 高压转低压直流/直流转换器 6 5 40 F20025

对于 11kW 及更高的 OBC,一种方法是堆叠三个 3.6kW 充电器(在拓扑结构上类似于 3.3kW 充电器);这称为模块化 OBC 方法。还可以通过堆叠 11kW 充电器或通过并联或选择不同的场效应晶体管 (FET) 来设计额外的 22kW 充电器。另一种实现 11kW 的方法是使用三相 PFC 前端(单相运行时有一定的降额)。

OEM 选择的方法可能因地理区域而异。例如,在美国,单相很常见,因此模块化方法比较常用。在欧洲或亚洲,三相更常见,三相 PFC 可以提供更高的密度和更低的成本,因为系统需要的功率器件和开关较少。为解决这一广泛的功率级别,需寻找一个可扩展的控制器产品组合,不仅可以处理高级拓扑控制,还可以实现集成。C2000 MCU 产品组合 (表 3),其范围包括低端到中高端器件,可支持 表 1表 2 中的系统实现选项。

表 2 适用于 11kW 和更高 OBC 和高压转低压直流/直流转换器系统的实时 MCU。
至少需要的资源 典型实时 MCU 选件
PWM 模数转换器 MIPS 独立控制器 单个集成控制器
11kW 模块化 OBC(PFC + 直流/直流转换器) 10 10 120 三个 F280049 F28388D
3kW 高压转低压直流/直流转换器 6 5 40 F280025 F28388D
11kW OBC PFC 级(T 型) 12 8 50 F280025
11kW OBC 直流/直流级(两个直流/直流转换器,每个 5.5kW) 16 8 100 F280049
表 3 C2000 实时 MCU 产品系列。
器件 PWM ADC MIPS
F280025 14 16 100
F280049 14 21 200
F28377D 24 24 800
F28388D 32 24 925

在模块化方法(堆叠三个单相充电器以达到 11kW)中,每个模块的设计功率为 3.6kW,使用单相交流输入,通常有单相 PFC 级和直流/直流级 (图 5)。高压和低压直流/直流转换器一端连接高压电池,另一端连接 12V 电池。由于系统中存在多个隔离平面,因此可以为每个相位设计一个单控制器,使用独立控制器(使用 F280049)或单控制器(如 F28388)控制 OBC 的所有三个级。F280025 还可以控制高压转低压直流/直流转换器,因为该控制器提供了必要的高级模拟集成来控制相移全桥功率级。

GUID-6B4C836B-080B-4EA6-8232-F829FB12D18E-low.png图 5 带 3.6kW 堆叠式充电器和高压转低压直流/直流转换器的 11kW OBC。

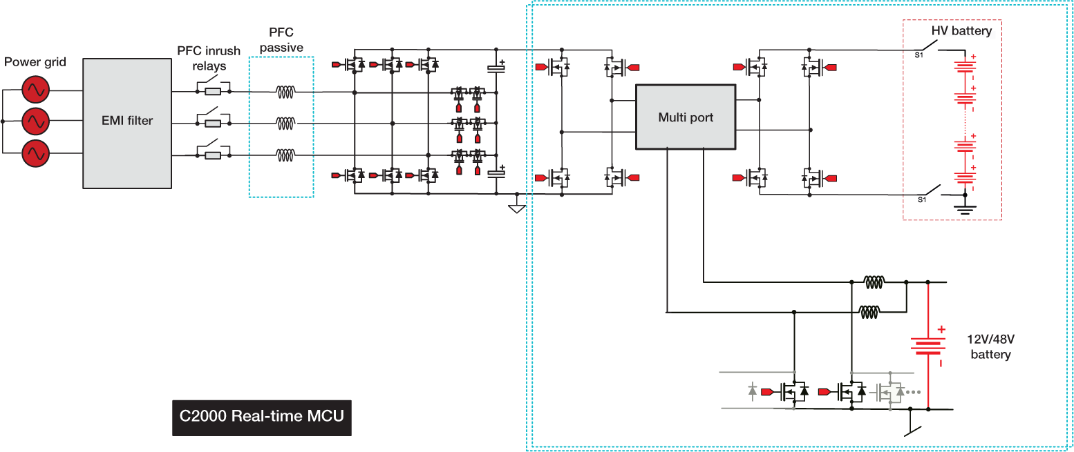
如果功率级不是模块化的,您可以使用单控制器来控制整个系统。图 6 显示一个这样的示例,使用 T 型三相 PFC 和交错双有源电桥 (DAB) 转换器来实现 OBC。(表 2 列出了该系统的几种 MCU 选择。)C2000 实时 MCU 系列中的 F28388D 器件可以控制系统中的所有电力电子器件。随着 OEM 对这些系统进行优化,诸如“一个盒子”之类的概念变得越来越流行,其中 OBC 和高压转低压直流/直流转换器封装在同一个外壳中。“一个盒子”概念通过使用多端口转换器在 OBC 直流/直流级和高压转低压直流/直流转换器之间共享直流/直流级,提供了更多选择。

GUID-000B3348-1798-4B8E-8F24-DB7DA5B1BE37-low.png图 6 11kW OBC 加上使用 F28388D 控制的高压转低压直流/直流转换器。
GUID-7857EC08-02B8-4246-89F8-9E506AEACCD6-low.png图 7 11kW OBC 加上使用由 F28388D 控制的多端口方案的高压转低压直流/直流转换器。

既然单控制器可控制所有级,进一步的优化就成为可能。图 7 显示使用多端口转换器的效果,可将所需的开关/高压 FET 的数量减少 16%。