ZHCUAW5B february   2013  – july 2023 INA231

 

  1.   1
  2.   INA231EVM 评估板和软件教程
  3.   商标
  4. 1概述
    1. 1.1 INA231EVM 套件内容
    2. 1.2 德州仪器 (TI) 相关文档
  5. 2INA231EVM 硬件
    1. 2.1 INA231 硬件的工作原理
    2. 2.2 H1(10 引脚连接器插座)的信号定义
      1. 2.2.1 SM-USB-DIG 平台的工作原理
  6. 3INA231EVM(修订版 A)硬件设置
    1. 3.1 静电放电警告
    2. 3.2 连接硬件
    3. 3.3 电源连接
    4. 3.4 将 USB 电缆连接至 SM-USB-DIG 平台
    5. 3.5 INA231EVM 默认跳线设置
    6. 3.6 INA231EVM 特性
      1. 3.6.1 J2:I2C VS 控制设置
      2. 3.6.2 J3 和 J4:I2C 地址硬件设置 (A0)
      3. 3.6.3 J5 和 J6:I2C 地址硬件设置 (A1)
      4. 3.6.4 外部 I2C 线路和端子块 T1
      5. 3.6.5 VIN+ 和 VIN– 输入滤波器(R1、R2 和 C1)
      6. 3.6.6 采样电阻监测器配置和端子块 T3 和 T4
  7. 4INA231EVM 软件设置
    1. 4.1 适用于 INA231EVM 软件的操作系统
    2. 4.2 软件安装
  8. 5INA231EVM 软件概述
    1. 5.1 启动 INA231EVM 软件
    2. 5.2 配置 INA231EVM 软件
      1. 5.2.1 I2C 地址选择
      2. 5.2.2 配置工作模式
      3. 5.2.3 设置转换时间
      4. 5.2.4 设置配置寄存器
      5. 5.2.5 配置警报引脚
    3. 5.3 使用 INA231EVM 软件
      1. 5.3.1 INA231 总线电压、采样电阻电压、电流和功率读数条
      2. 5.3.2 计算和工作原理
      3. 5.3.3 寄存器选项卡
      4. 5.3.4 图形选项卡
      5. 5.3.5 自动写入和电源电压
  9. 6INA231EVM 文档
    1. 6.1 原理图
    2. 6.2 PCB 布局
    3. 6.3 物料清单
  10. 7修订历史记录

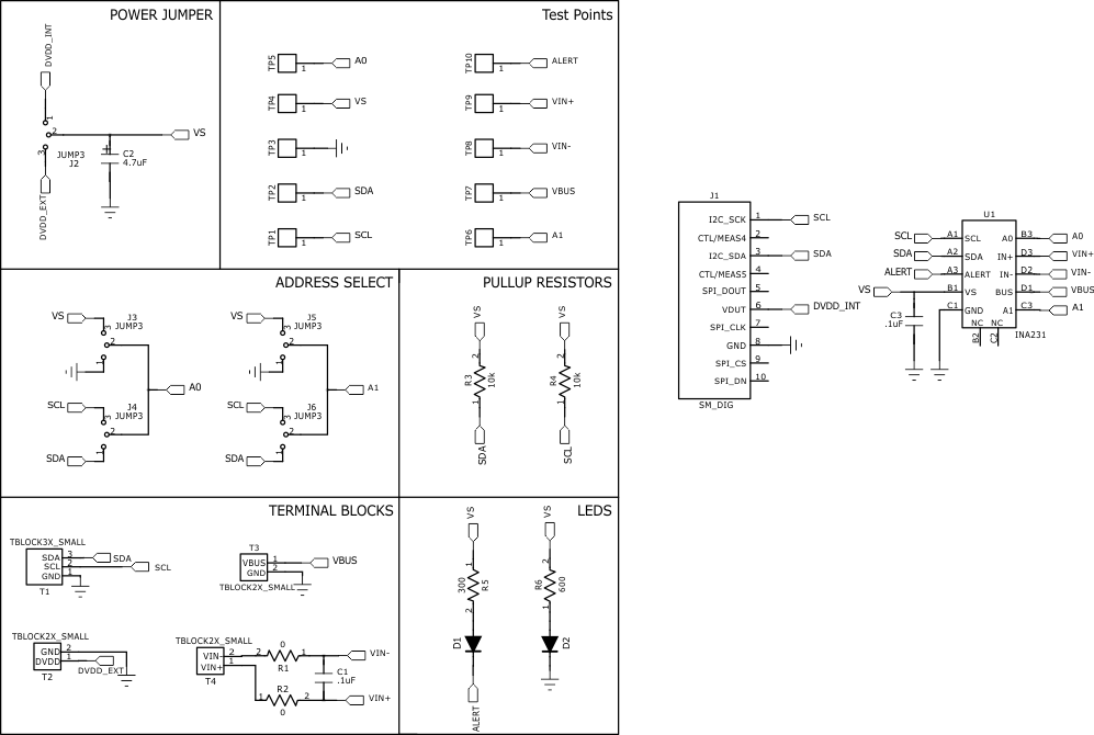
原理图

图 6-1 显示了 INA231EVM 的原理图。

GUID-2E6035BC-0A64-4DB8-BE98-762F52E22659-low.gif图 6-1 INA231EVM 原理图