ZHCU985A August   2011  – January 2022 TPS53355

 

  1.   使用具有 Eco-mode 控制方案的 TPS53355EVM-743 30A 高效同步降压转换器
  2.   商标
  3. 说明
    1. 1.1 典型应用
    2. 1.2 特性
  4. 电气性能规格
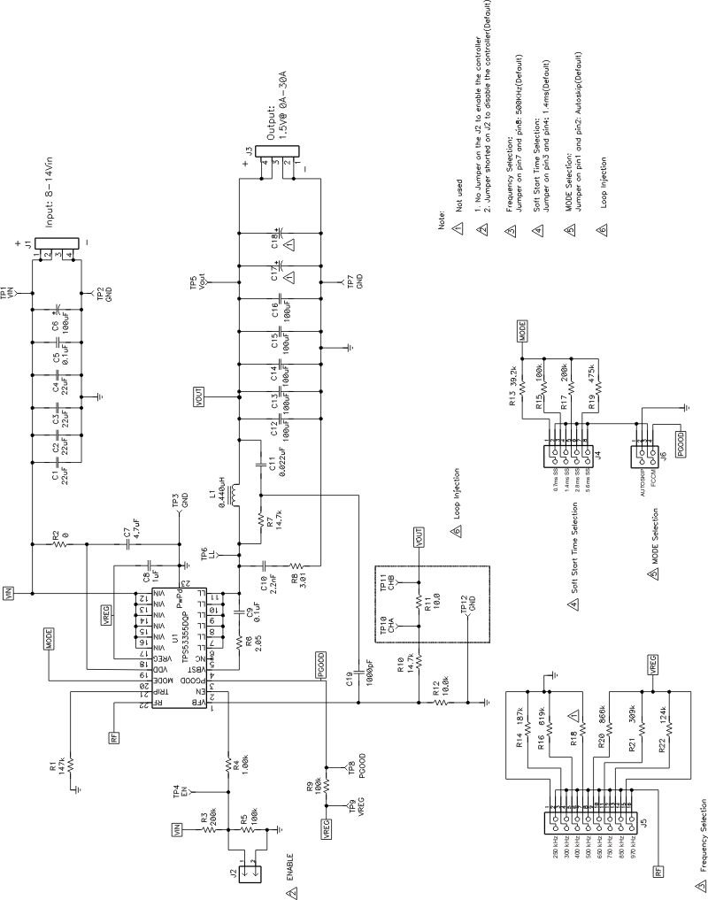
  5. 原理图
  6. 测试设置
    1. 4.1 测试设备
    2. 4.2 建议的测试设置
  7. 配置
    1. 5.1 开关频率可选
    2. 5.2 软启动选择
    3. 5.3 模式选择
    4. 5.4 启用选择
  8. 测试步骤
    1. 6.1 线路/负载调节和效率测量步骤
    2. 6.2 控制环路增益和相位测量步骤
    3. 6.3 测试点列表
    4. 6.4 设备停机
  9. 性能数据和典型特性曲线
    1. 7.1  效率
    2. 7.2  负载调节
    3. 7.3  线路调节
    4. 7.4  启用导通/关断
    5. 7.5  输出纹波
    6. 7.6  开关节点
    7. 7.7  自动跳跃模式下的输出瞬态
    8. 7.8  FCCM 模式下的输出瞬态
    9. 7.9  输出 0.75V 预偏置导通
    10. 7.10 输出过流和短路保护
    11. 7.11 波特图
    12. 7.12 热像图
  10. EVM 装配图和 PCB 布局
  11. 物料清单
  12. 10修订历史记录

原理图

GUID-FB066023-ED4B-4576-82C1-244526DD3A39-low.gif图 3-1 TPS53355EVM-743 原理图