ZHCAAC1C November   2019  – December 2020 CC1352P , CC2652P

 

  1.   商标
  2. 1引言
  3. 2射频匹配网络
  4. 3系统注意事项
  5. 4结果
  6. 5设置
    1. 5.1 PA 表
    2. 5.2 覆盖
  7.   A 设计详情
    1.     A.1 原理图
    2.     A.2 布局
  8.   B 参考文献
  9.   修订历史记录

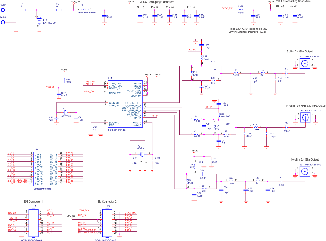
原理图

图 6-1 展示了用于测试的电路板的原理图。仅针对此特定开发板测试了 10dBm 2.4Ghz 路径。

GUID-92A32752-66F2-4687-862B-F2E5DA718A86-low.gif图 6-1 CC1352PEM-XD7793-XD24-PA24_10dBm 原理图