ZHCSPL3B October   2023  – July 2024 UCC25660

PRODUCTION DATA  

  1.   1
  2. 特性
  3. 应用
  4. 说明
  5. 器件比较表
  6. 引脚配置和功能
  7. 规格
    1. 6.1 绝对最大额定值
    2. 6.2 ESD 等级
    3. 6.3 建议运行条件
    4. 6.4 热性能信息
    5. 6.5 电气特性
    6. 6.6 开关特性
    7. 6.7 典型特性
  8. 详细说明
    1. 7.1 概述
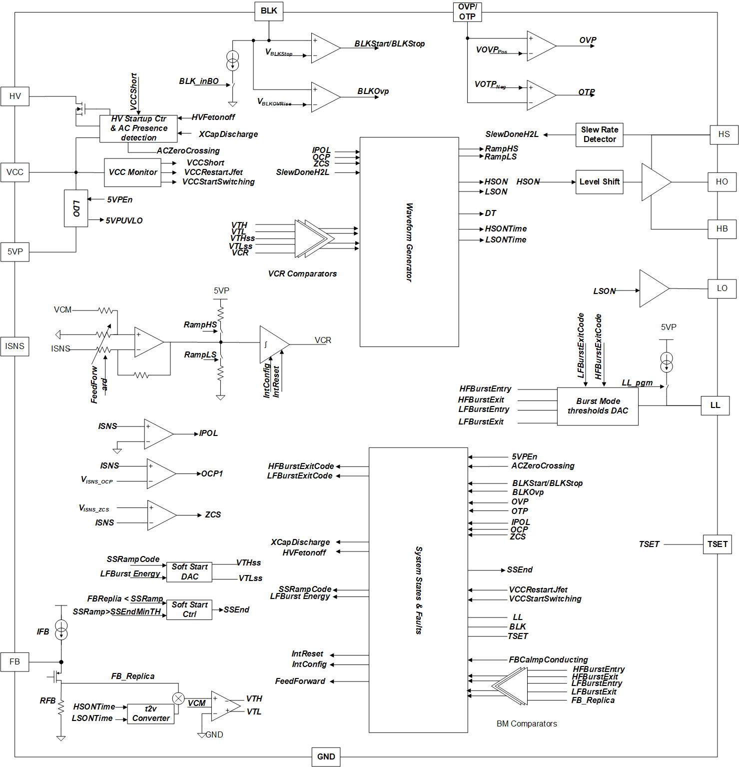
    2. 7.2 功能方框图
    3. 7.3 特性说明
      1. 7.3.1 输入功率比例控制
        1. 7.3.1.1 电压前馈
      2. 7.3.2 VCR 合成器
      3. 7.3.3 反馈链(控制输入)
      4. 7.3.4 自适应死区时间
      5. 7.3.5 输入电压检测
        1. 7.3.5.1 过压保护和欠压保护阈值及选项
        2. 7.3.5.2 输出 OVP 和外部 OTP
      6. 7.3.6 谐振回路电流检测
    4. 7.4 保护功能
      1. 7.4.1 零电流开关 (ZCS) 保护
      2. 7.4.2 软启动期间的最小电流关断
      3. 7.4.3 逐周期电流限制和短路保护
      4. 7.4.4 过载 (OLP) 保护
      5. 7.4.5 VCC OVP 保护
    5. 7.5 器件功能模式
      1. 7.5.1 启动
        1. 7.5.1.1 有 HV 启动
        2. 7.5.1.2 无 HV 启动
      2. 7.5.2 软启动斜坡
        1. 7.5.2.1 启动到调节的转换
      3. 7.5.3 轻负载管理
        1. 7.5.3.1 工作模式(突发模式)
        2. 7.5.3.2 模式转换管理
        3. 7.5.3.3 突发模式阈值编程
        4. 7.5.3.4 PFC 开/关
      4. 7.5.4 X 电容器放电
        1. 7.5.4.1 仅通过 HV 引脚进行检测
  9. 应用和实施
    1. 8.1 应用信息
    2. 8.2 典型应用
      1. 8.2.1 设计要求
      2. 8.2.2 详细设计过程
        1. 8.2.2.1  LLC 功率级要求
        2. 8.2.2.2  LLC 增益范围
        3. 8.2.2.3  ‌选择 Ln 和 Qe
        4. 8.2.2.4  确定等效负载电阻
        5. 8.2.2.5  确定 LLC 谐振电路的元件参数
        6. 8.2.2.6  LLC 初级侧电流
        7. 8.2.2.7  LLC 次级侧电流
        8. 8.2.2.8  LLC 变压器
        9. 8.2.2.9  LLC 谐振电感器
        10. 8.2.2.10 LLC 谐振电容器
        11. 8.2.2.11 LLC 初级侧 MOSFET
        12. 8.2.2.12 自适应死区时间的设计注意事项
        13. 8.2.2.13 LLC 整流器二极管
        14. 8.2.2.14 LLC 输出电容器
        15. 8.2.2.15 HV 引脚串联电阻器
        16. 8.2.2.16 BLK 引脚分压器
        17. 8.2.2.17 ISNS 引脚微分器
        18. 8.2.2.18 TSET 引脚
        19. 8.2.2.19 OVP/OTP 引脚
        20. 8.2.2.20 突发模式编程
        21. 8.2.2.21 应用曲线
    3. 8.3 电源相关建议
      1. 8.3.1 VCCP 引脚电容器
      2. 8.3.2 引导电容器
      3. 8.3.3 V5P 引脚电容器
    4. 8.4 布局
      1. 8.4.1 布局指南
      2. 8.4.2 布局示例
        1. 8.4.2.1 原理图
        2. 8.4.2.2 原理图
  10. 修订历史记录
  11. 10机械、包装和订购信息

封装选项

机械数据 (封装 | 引脚)
散热焊盘机械数据 (封装 | 引脚)
订购信息

功能方框图

UCC25660