ZHCSL06E February 2008 – September 2025 TPS51200
PRODUCTION DATA
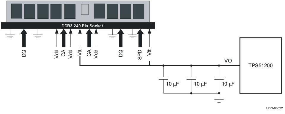
TPS51200 专门设计用于为存储器终端电源轨供电(如图 6-3 所示)。DDR 存储器终端结构决定了 VTT 轨的主要特性,可以灌/拉电流来维持合理的 VTT 容差。有关单个存储器单元的典型特性,请参阅图 6-4。
图 6-3 采用 TPS51200 的 DDR3 VTT DIMM 的典型应用图
图 6-4 DDR 物理信号系统双向 SSTL 信号在图 6-4 中,当 Q1 导通、Q2 关断时:
在图 6-4 中,当 Q2 导通、Q1 关断时:
由于 VTT 的精度直接影响存储器信号完整性,因此必须了解 VTT 的容差要求。方程式 1 适用于直流和交流条件,并基于适用于 DDR 和 DDR2的 JEDEC VTT 规范(JEDEC 标准:DDR JESD8-9B 2002 年 5 月;DDR2 JESD8-15A 2003 年 9 月)。
规范本身表明 VTT 必须跟踪 VTTREF 才能实现适当的信号调节。
TPS51200 确保稳压器输出电压如方程式 2 所示,这适用于直流和交流条件。
其中
稳压器输出电压在稳压器侧进行测量,而不是在负载侧进行测量。该容差适用于 DDR、DDR2、DDR3、DDR3L 和低功耗 DDR3 和 DDR4 应用(有关详细信息,请参阅表 6-1)。为满足稳定性要求,至少需要 20μF 输出电容。考虑到 MLCC 电容器的实际容差,三个 10μF 陶瓷电容器足以满足 VTT 精度要求。
| DDR | DDR2 | DR3 | 低功耗 DDR3 | |
|---|---|---|---|---|
| FSB 数据速率 | 200、266、333 和 400MHz | 400、533、677 和 800MHz | 800、1066、1330 和 1600MHz | |
| 终端 | 对于所有信号,主板端接至 VTT | 对于数据组采用片上端接。用于地址、命令和控制信号的 VTT 端接 | 对于数据组采用片上端接。用于地址、命令和控制信号的 VTT 端接 | |
| 终止电流需求 | 最大瞬态拉电流/灌电流高达 2.6A 至 2.9A | 要求不高 | 要求不高 | |
| 只有 34 个信号(地址、命令、控制)连接至 VTT | 只有 34 个信号(地址、命令、控制)连接至 VTT | |||
| ODT 处理数据信号 | ODT 处理数据信号 | |||
| 突发电流小于 1A | 突发电流小于 1A | |||
| 电压电平 | 2.5V 内核和 I/O 1.25V VTT |
1.8V 内核和 I/O 0.9V VTT |
1.5V 内核和 I/O 0.75V VTT |
1.2V 内核和 I/O 0.6V VTT |
TPS51200 使用跨导 (gM) 来驱动 LDO。器件的跨导和输出电流决定基准输入和输出稳压器之间的压降。典型的跨导水平在 2A 电流下为 250S,并会相对于负载发生变化,以节省静态电流(即跨导在空载条件下非常低)。(gM) LDO 稳压器是单极系统。由于跨导的带宽性质,只有输出电容决定电压环路的单位增益带宽(请参阅方程式 3)。

其中
由于有输出大容量电容器要求,此类稳压器有两项限制需要注意。为了保持稳定性,输出电容器 ESR 影响的零点位置必须大于电流环路的 –3dB 点。此约束意味着设计中不应使用具有更高 ESR 的电容器。此外,应该很好地了解陶瓷电容器的阻抗特性,以防止由于大 ESL、输出电容器和 VO 引脚电压引线的寄生电感而导致跨导 (gM) –3dB 点附近的增益峰值效应。