ZHCSVS1C April   2024  – June 2025 TMS320F28P550SG , TMS320F28P550SJ , TMS320F28P559SG-Q1 , TMS320F28P559SJ-Q1

PRODUCTION DATA  

  1.   1
  2. 特性
  3. 应用
  4. 说明
    1. 3.1 功能方框图
  5. 器件比较
    1. 4.1 相关产品
  6. 引脚配置和功能
    1. 5.1 引脚图
    2. 5.2 引脚属性
    3. 5.3 信号说明
      1. 5.3.1 模拟信号
      2. 5.3.2 数字信号
      3. 5.3.3 电源和接地
      4. 5.3.4 测试、JTAG 和复位
    4. 5.4 引脚多路复用
      1. 5.4.1 GPIO 多路复用引脚
      2. 5.4.2 ADC 引脚上的数字输入 (AIO)
      3. 5.4.3 ADC 引脚上的数字输入和输出 (AGPIO)
      4. 5.4.4 GPIO 输入 X-BAR
      5. 5.4.5 GPIO 输出 X-BAR、CLB X-BAR、CLB 输出 X-BAR 和 ePWM X-BAR
    5. 5.5 带有内部上拉和下拉的引脚
    6. 5.6 未使用引脚的连接
  7. 规格
    1. 6.1  绝对最大额定值
    2. 6.2  ESD 等级 - 商用
    3. 6.3  ESD 等级 - 汽车
    4. 6.4  建议运行条件
    5. 6.5  功耗摘要
      1. 6.5.1 系统电流消耗 - 启用 VREG - 内部电源
      2. 6.5.2 系统电流消耗 - 禁用 VREG - 外部电源
      3. 6.5.3 工作模式测试说明
      4. 6.5.4 减少电流消耗
        1. 6.5.4.1 每个禁用外设的典型电流降低
    6. 6.6  电气特性
    7. 6.7  5V 失效防护引脚的特殊注意事项
    8. 6.8  PDT 封装的热阻特性
    9. 6.9  PZ 封装的热阻特性
    10. 6.10 PNA 封装的热阻特性
    11. 6.11 PM 封装的热阻特性
    12. 6.12 RSH 封装的热阻特性
    13. 6.13 散热设计注意事项
    14. 6.14 系统
      1. 6.14.1  电源管理模块 (PMM)
        1. 6.14.1.1 引言
        2. 6.14.1.2 概述
          1. 6.14.1.2.1 电源轨监视器
            1. 6.14.1.2.1.1 I/O POR(上电复位)监视器
            2. 6.14.1.2.1.2 I/O BOR(欠压复位)监视器
            3. 6.14.1.2.1.3 VDD POR(上电复位)监视器
          2. 6.14.1.2.2 外部监控器使用情况
          3. 6.14.1.2.3 延迟块
          4. 6.14.1.2.4 内部 VDD LDO 稳压器 (VREG)
          5. 6.14.1.2.5 VREGENZ
        3. 6.14.1.3 外部元件
          1. 6.14.1.3.1 去耦电容器
            1. 6.14.1.3.1.1 VDDIO 去耦
            2. 6.14.1.3.1.2 VDD 去耦
        4. 6.14.1.4 电源时序
          1. 6.14.1.4.1 电源引脚联动
          2. 6.14.1.4.2 信号引脚电源序列
          3. 6.14.1.4.3 电源引脚电源序列
            1. 6.14.1.4.3.1 外部 VREG/VDD 模式序列
            2. 6.14.1.4.3.2 内部 VREG/VDD 模式序列
            3. 6.14.1.4.3.3 电源时序摘要和违规影响
            4. 6.14.1.4.3.4 电源压摆率
        5. 6.14.1.5 电源管理模块电气数据和时序
          1. 6.14.1.5.1 电源管理模块运行条件
          2. 6.14.1.5.2 电源管理模块特性
      2. 6.14.2  复位时序
        1. 6.14.2.1 复位源
        2. 6.14.2.2 复位电气数据和时序
          1. 6.14.2.2.1 复位 - XRSn - 时序要求
          2. 6.14.2.2.2 复位 - XRSn - 开关特性
          3. 6.14.2.2.3 复位时序图
      3. 6.14.3  时钟规格
        1. 6.14.3.1 时钟源
        2. 6.14.3.2 时钟频率、要求和特性
          1. 6.14.3.2.1 输入时钟频率和时序要求,PLL 锁定时间
            1. 6.14.3.2.1.1 输入时钟频率
            2. 6.14.3.2.1.2 XTAL 振荡器特性
            3. 6.14.3.2.1.3 使用外部时钟源(非晶体)时的 X1 输入电平特性
            4. 6.14.3.2.1.4 X1 时序要求
            5. 6.14.3.2.1.5 AUXCLKIN 时序要求
            6. 6.14.3.2.1.6 APLL 特性
            7. 6.14.3.2.1.7 XCLKOUT 开关特性 - 旁路或启用 PLL
            8. 6.14.3.2.1.8 内部时钟频率
        3. 6.14.3.3 输入时钟和 PLL
        4. 6.14.3.4 XTAL 振荡器
          1. 6.14.3.4.1 引言
          2. 6.14.3.4.2 概述
            1. 6.14.3.4.2.1 电子振荡器
              1. 6.14.3.4.2.1.1 运行模式
                1. 6.14.3.4.2.1.1.1 晶体的工作模式
                2. 6.14.3.4.2.1.1.2 单端工作模式
              2. 6.14.3.4.2.1.2 XCLKOUT 上的 XTAL 输出
            2. 6.14.3.4.2.2 石英晶体
            3. 6.14.3.4.2.3 GPIO 运行模式
          3. 6.14.3.4.3 正常运行
            1. 6.14.3.4.3.1 ESR – 有效串联电阻
            2. 6.14.3.4.3.2 Rneg - 负电阻
            3. 6.14.3.4.3.3 启动时间
              1. 6.14.3.4.3.3.1 X1/X2 前提条件
            4. 6.14.3.4.3.4 DL – 驱动电平
          4. 6.14.3.4.4 如何选择晶体
          5. 6.14.3.4.5 测试
          6. 6.14.3.4.6 常见问题和调试提示
          7. 6.14.3.4.7 晶体振荡器规格
            1. 6.14.3.4.7.1 晶振等效串联电阻 (ESR) 要求
            2. 6.14.3.4.7.2 晶体振荡器参数
            3. 6.14.3.4.7.3 晶体振荡器电气特性
        5. 6.14.3.5 内部振荡器
          1. 6.14.3.5.1 INTOSC 特性
      4. 6.14.4  闪存参数
        1. 6.14.4.1 闪存参数 
      5. 6.14.5  RAM 规格
      6. 6.14.6  ROM 规格
      7. 6.14.7  仿真/JTAG
        1. 6.14.7.1 JTAG 电气数据和时序
          1. 6.14.7.1.1 JTAG 时序要求
          2. 6.14.7.1.2 JTAG 开关特性
          3. 6.14.7.1.3 JTAG 时序图
        2. 6.14.7.2 cJTAG 电气数据和时序
          1. 6.14.7.2.1 cJTAG 时序要求
          2. 6.14.7.2.2 cJTAG 开关特性
          3. 6.14.7.2.3 cJTAG 时序图
      8. 6.14.8  GPIO 电气数据和时序
        1. 6.14.8.1 GPIO - 输出时序
          1. 6.14.8.1.1 通用输出开关特征
          2. 6.14.8.1.2 通用输出时序图
        2. 6.14.8.2 GPIO - 输入时序
          1. 6.14.8.2.1 通用输入时序要求
          2. 6.14.8.2.2 采样模式
        3. 6.14.8.3 输入信号的采样窗口宽度
      9. 6.14.9  中断
        1. 6.14.9.1 外部中断 (XINT) 电气数据和时序
          1. 6.14.9.1.1 外部中断时序要求
          2. 6.14.9.1.2 外部中断开关特性
          3. 6.14.9.1.3 外部中断时序
      10. 6.14.10 低功耗模式
        1. 6.14.10.1 时钟门控低功耗模式
        2. 6.14.10.2 低功耗模式唤醒时序
          1. 6.14.10.2.1 空闲模式时序要求
          2. 6.14.10.2.2 空闲模式开关特性
          3. 6.14.10.2.3 空闲进入和退出时序图
          4. 6.14.10.2.4 STANDBY 模式时序要求
          5. 6.14.10.2.5 待机模式开关特征
          6. 6.14.10.2.6 待机进入和退出时序图
          7. 6.14.10.2.7 停机模式时序要求
          8. 6.14.10.2.8 停机模式开关特征
          9. 6.14.10.2.9 停机模式进入和退出时序图
    15. 6.15 模拟外设
      1. 6.15.1 方框图
      2. 6.15.2 模拟引脚和内部连接
      3. 6.15.3 模拟信号说明
      4. 6.15.4 模数转换器 (ADC)
        1. 6.15.4.1 ADC 可配置性
          1. 6.15.4.1.1 信号模式
        2. 6.15.4.2 ADC 电气数据和时序
          1. 6.15.4.2.1 ADC 运行条件
          2. 6.15.4.2.2 ADC 特性
          3. 6.15.4.2.3 ADC INL 和 DNL
          4. 6.15.4.2.4 每个引脚的 ADC 性能
          5. 6.15.4.2.5 ADC 输入模型
          6. 6.15.4.2.6 ADC 时序图
      5. 6.15.5 温度传感器
        1. 6.15.5.1 温度传感器电气数据和时序
          1. 6.15.5.1.1 温度传感器特性
      6. 6.15.6 比较器子系统 (CMPSS)
        1. 6.15.6.1 CMPx_DACL
        2. 6.15.6.2 CMPSS 连接图
        3. 6.15.6.3 方框图
        4. 6.15.6.4 CMPSS 电气数据和时序
          1. 6.15.6.4.1 CMPSS 比较器电气特性
          2.        CMPSS 比较器以输入为基准的偏移量和迟滞
          3. 6.15.6.4.2 CMPSS DAC 静态电气特性
          4. 6.15.6.4.3 CMPSS 示意图
          5. 6.15.6.4.4 CMPx_DACL 缓冲输出的运行条件
          6. 6.15.6.4.5 CMPx_DACL 缓冲输出的电气特性
      7. 6.15.7 缓冲数模转换器 (DAC)
        1. 6.15.7.1 缓冲 DAC 电气数据和时序
          1. 6.15.7.1.1 缓冲 DAC 运行条件
          2. 6.15.7.1.2 缓冲 DAC 电气特性
      8. 6.15.8 可编程增益放大器 (PGA)
        1. 6.15.8.1 PGA 电气数据和时序
          1. 6.15.8.1.1 PGA 运行条件
          2. 6.15.8.1.2 PGA 特性
    16. 6.16 控制外设
      1. 6.16.1 增强型脉宽调制器 (ePWM)
        1. 6.16.1.1 控制外设同步
        2. 6.16.1.2 ePWM 电气数据和时序
          1. 6.16.1.2.1 ePWM 时序要求
          2. 6.16.1.2.2 ePWM 开关特性
          3. 6.16.1.2.3 跳闸区输入时序
            1. 6.16.1.2.3.1 跳闸区域输入时序要求
            2. 6.16.1.2.3.2 PWM 高阻态特征时序图
      2. 6.16.2 高分辨率脉宽调制器 (HRPWM)
        1. 6.16.2.1 HRPWM 电气数据和时序
          1. 6.16.2.1.1 高分辨率 PWM 特征
      3. 6.16.3 外部 ADC 转换启动电气数据和时序
        1. 6.16.3.1 外部 ADC 转换启动开关特性
        2. 6.16.3.2 ADCSOCAO 或ADCSOCBO 时序图
      4. 6.16.4 增强型捕获 (eCAP)
        1. 6.16.4.1 eCAP 方框图
        2. 6.16.4.2 eCAP 同步
        3. 6.16.4.3 eCAP 电气数据和时序
          1. 6.16.4.3.1 eCAP 时序要求
          2. 6.16.4.3.2 eCAP 开关特性
      5. 6.16.5 增强型正交编码器脉冲 (eQEP)
        1. 6.16.5.1 eQEP 电气数据和时序
          1. 6.16.5.1.1 eQEP 时序要求
          2. 6.16.5.1.2 eQEP 开关特性
    17. 6.17 通信外设
      1. 6.17.1 模块化控制器局域网 (MCAN)
      2. 6.17.2 内部集成电路 (I2C)
        1. 6.17.2.1 I2C 电气数据和时序
          1. 6.17.2.1.1 I2C 时序要求
          2. 6.17.2.1.2 I2C 开关特性
          3. 6.17.2.1.3 I2C 时序图
      3. 6.17.3 电源管理总线 (PMBus) 接口
        1. 6.17.3.1 PMBus 电气数据和时序
          1. 6.17.3.1.1 PMBus 电气特性
          2. 6.17.3.1.2 PMBus 快速+ 模式开关特性
          3. 6.17.3.1.3 PMBus 快速模式开关特性
          4. 6.17.3.1.4 PMBus 标准模式开关特性
      4. 6.17.4 串行通信接口 (SCI)
      5. 6.17.5 串行外设接口 (SPI)
        1. 6.17.5.1 SPI 控制器模式时序
          1. 6.17.5.1.1 SPI 控制器模式时序要求
          2. 6.17.5.1.2 SPI 控制器模式开关特性 - 时钟相位为 0
          3. 6.17.5.1.3 SPI 控制器模式开关特性 - 时钟相位为 1
          4. 6.17.5.1.4 SPI 控制器模式时序图
        2. 6.17.5.2 SPI 外设模式时序
          1. 6.17.5.2.1 SPI 外设模式时序要求
          2. 6.17.5.2.2 SPI 外设模式开关特性
          3. 6.17.5.2.3 SPI 外设模式时序图
      6. 6.17.6 本地互连网络 (LIN)
      7. 6.17.7 快速串行接口 (FSI)
        1. 6.17.7.1 FSI 发送器
          1. 6.17.7.1.1 FSITX 电气数据和时序
            1. 6.17.7.1.1.1 FSITX 开关特性
            2. 6.17.7.1.1.2 FSITX 时序
        2. 6.17.7.2 FSI 接收器
          1. 6.17.7.2.1 FSIRX 电气数据和时序
            1. 6.17.7.2.1.1 FSIRX 时序要求
            2. 6.17.7.2.1.2 FSIRX 开关特性
            3. 6.17.7.2.1.3 FSIRX 时序
        3. 6.17.7.3 FSI SPI 兼容模式
          1. 6.17.7.3.1 FSITX SPI 信令模式电气数据和时序
            1. 6.17.7.3.1.1 FSITX SPI 信令模式开关特性
            2. 6.17.7.3.1.2 FSITX SPI 信令模式时序
      8. 6.17.8 通用串行总线 (USB)
        1. 6.17.8.1 USB 电气数据和时序
          1. 6.17.8.1.1 USB 输入端口 DP 和 DM 时序要求
          2. 6.17.8.1.2 USB 输出端口 DP 和 DM 开关特性
  8. 详细说明
    1. 7.1  概述
    2. 7.2  功能方框图
    3. 7.3  存储器
      1. 7.3.1 存储器映射
        1. 7.3.1.1 专用 RAM (Mx RAM)
        2. 7.3.1.2 本地共享 RAM (LSx RAM)
        3. 7.3.1.3 全局共享 RAM (GSx RAM)
        4. 7.3.1.4 消息 RAM
      2. 7.3.2 控制律加速器 (CLA) 存储器映射
      3. 7.3.3 闪存存储器映射
        1. 7.3.3.1 闪存扇区的地址
      4. 7.3.4 外设寄存器内存映射
    4. 7.4  标识
    5. 7.5  总线架构 - 外设连接
    6. 7.6  C28x 处理器
      1. 7.6.1 浮点单元 (FPU)
      2. 7.6.2 三角函数加速器 (TMU)
      3. 7.6.3 VCRC 单元
    7. 7.7  控制律加速器 (CLA)
    8. 7.8  嵌入式实时分析和诊断 (ERAD)
    9. 7.9  直接存储器存取 (DMA)
    10. 7.10 器件引导模式
      1. 7.10.1 器件引导配置
        1. 7.10.1.1 配置引导模式引脚
        2. 7.10.1.2 配置引导模式表选项
      2. 7.10.2 GPIO 分配
    11. 7.11 安全性
      1. 7.11.1 保护芯片边界
        1. 7.11.1.1 JTAGLOCK
        2. 7.11.1.2 零引脚引导
      2. 7.11.2 双区域安全
      3. 7.11.3 免责声明
    12. 7.12 看门狗
    13. 7.13 C28x 计时器
    14. 7.14 双路时钟比较器 (DCC)
      1. 7.14.1 特性
      2. 7.14.2 DCCx 时钟源中断的映射
    15. 7.15 可配置逻辑块 (CLB)
  9. 参考设计
  10. 器件和文档支持
    1. 9.1 器件命名规则
    2. 9.2 标识
    3. 9.3 工具与软件
    4. 9.4 文档支持
    5. 9.5 支持资源
    6. 9.6 商标
    7. 9.7 静电放电警告
    8. 9.8 术语表
  11. 10修订历史记录
  12. 11机械、封装和可订购信息

封装选项

请参考 PDF 数据表获取器件具体的封装图。

机械数据 (封装 | 引脚)
  • PNA|80
  • PM|64
  • RSH|56
  • PZ|100
  • PDT|128
散热焊盘机械数据 (封装 | 引脚)
订购信息

FSI 发送器

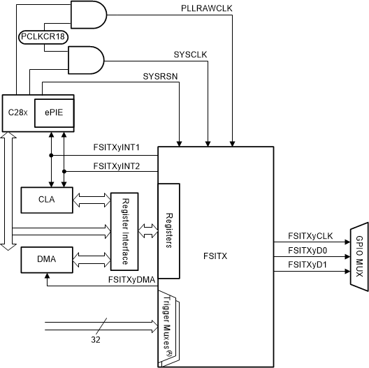
FSI 发送器模块会处理数据组帧、CRC 生成、TXCLK、TXD0 和 TXD1 的信号生成以及中断生成。发送器内核的运行通过可编程控制寄存器进行控制和配置。发送器控制寄存器可让 CPU(或 CLA)对 FSI 发送器的运行进行编程、控制和监控。CPU、CLA 和 DMA 均可访问发送数据缓冲器。

发送器具有以下特性:

  • 自动生成 ping 帧
  • 外部触发 ping 帧
  • 外部触发数据帧
  • 可通过软件配置帧长度
  • 16 字数据缓冲器
  • 数据缓冲器欠运转和溢出检测
  • 硬件生成数据位 CRC
  • 使用软件对选定数据进行 ECC 计算
  • DMA 支持
  • CLA 任务触发

图 6-75 所示为 FSITX CPU 接口。图 6-76 所示为 FSITX 的简要方框图。图中并未显示所有数据路径和内部连接。此图提供了 FSITX 中存在的内部模块的简要概览。

TMS320F28P550SJ TMS320F28P559SJ-Q1 TMS320F28P550SG TMS320F28P559SG-Q1 FSITX CPU 接口
TMS320F28P55x 实时微控制器技术参考手册 的“快速串行接口 (FSI)”一章中的外部帧触发器多路复用器 一节介绍了连接到触发器多路复用器的信号。
图 6-75 FSITX CPU 接口
TMS320F28P550SJ TMS320F28P559SJ-Q1 TMS320F28P550SG TMS320F28P559SG-Q1 FSITX 方框图图 6-76 FSITX 方框图