ZHCSWH3E February   1997  – July 2025 TLE2021AM , TLE2021B , TLE2021M-MIL , TLE2022AM-MIL , TLE2022BM , TLE2022M-MIL , TLE2024AM , TLE2024BM-MIL , TLE2024M

PRODUCTION DATA  

  1.   1
  2. 特性
  3. 说明
  4. 器件比较表
  5. 引脚配置和功能
  6. 规格
    1. 5.1  绝对最大额定值
    2. 5.2  功耗额定值
    3. 5.3  建议运行条件
    4. 5.4  TLE2021xM 电气特性,VCC = 5V
    5. 5.5  TLE2021M 工作特性,VCC = 5V
    6. 5.6  电气特性 TLE2021xM,VCC = ±15V
    7. 5.7  工作特性 TLE2021M,VCC = ±15V
    8. 5.8  TLE2022xM 电气特性,VCC = 5V
    9. 5.9  TLE2022M 工作特性,VCC = 5V
    10. 5.10 电气特性 TLE2022xM,VCC = ±15V
    11. 5.11 工作特性 TLE2022M,VCC = ±15V
    12. 5.12 TLE2024xM 电气特性,VCC = 5V
    13. 5.13 TLE2024M 工作特性,VCC = 5V
    14. 5.14 电气特性 TLE2024xM,VCC = ±15V
    15. 5.15 工作特性 TLE2024M,VCC = ±15V
    16. 5.16 典型特性
  7. 参数测量信息
    1. 6.1 典型值
  8. 详细说明
    1. 7.1 功能方框图
  9. 应用和实施
    1. 8.1 应用信息
      1. 8.1.1 电压输出器应用
      2. 8.1.2 输入偏移电压归零
      3. 8.1.3 宏模型信息
  10. 器件和文档支持
    1. 9.1 接收文档更新通知
    2. 9.2 支持资源
    3. 9.3 商标
    4. 9.4 静电放电警告
    5. 9.5 术语表
  11. 10修订历史记录
  12. 11机械、封装和可订购信息

封装选项

机械数据 (封装 | 引脚)
散热焊盘机械数据 (封装 | 引脚)
订购信息

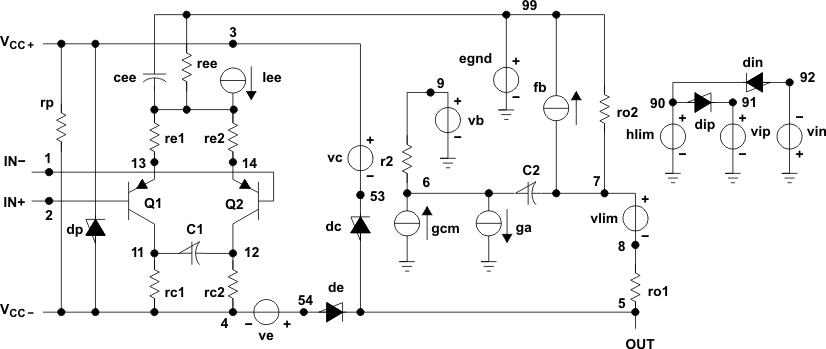
宏模型信息

宏模型信息使用 Microsim Parts™(与 PSpice™ 配合使用的模型生成软件)推导得出。Boyle 宏模型 (1)(参阅 图 8-3图 8-4图 8-5 中的子电路)是根据 TLE202x 在 25°C 时的典型电气特性和工作特性生成的。利用这些信息,以下关键参数的输出仿真结果的容差为 20%(大多数情况下):

  • 最大的正极输出电压摆幅
  • 最大的负极输出电压摆幅
  • 压摆率
  • 静态功耗
  • 输入偏置电流
  • 开环电压放大
  • 单位增益频率
  • 共模抑制比
  • 相位裕度
  • 直流输出电阻
  • 交流输出电阻
  • 短路输出电流限制
TLE2021AM TLE2021B TLE2021M-MIL  TLE2022AM-MIL TLE2022BM TLE2022M-MIL  TLE2024AM TLE2024BM-MIL TLE2024M Boyle 子电路图 8-3 Boyle 子电路
TLE2021AM TLE2021B TLE2021M-MIL  TLE2022AM-MIL TLE2022BM TLE2022M-MIL  TLE2024AM TLE2024BM-MIL TLE2024M TLE2021xM 的 Boyle 宏模型图 8-4 TLE2021xM 的 Boyle 宏模型
TLE2021AM TLE2021B TLE2021M-MIL  TLE2022AM-MIL TLE2022BM TLE2022M-MIL  TLE2024AM TLE2024BM-MIL TLE2024M TLE2022xM 的 Boyle 宏模型图 8-5 TLE2022xM 的 Boyle 宏模型
G.R. Boyle、B. M. Cohn、D. O. Pederson 和 J. E. Solomon,“集成电路运算放大器的宏观建模”、IEEE 固态电路杂志,SC-9,353 (1974)。