ZHCSWH3E February   1997  – July 2025 TLE2021AM , TLE2021B , TLE2021M-MIL , TLE2022AM-MIL , TLE2022BM , TLE2022M-MIL , TLE2024AM , TLE2024BM-MIL , TLE2024M

PRODUCTION DATA  

  1.   1
  2. 特性
  3. 说明
  4. 器件比较表
  5. 引脚配置和功能
  6. 规格
    1. 5.1  绝对最大额定值
    2. 5.2  功耗额定值
    3. 5.3  建议运行条件
    4. 5.4  TLE2021xM 电气特性,VCC = 5V
    5. 5.5  TLE2021M 工作特性,VCC = 5V
    6. 5.6  电气特性 TLE2021xM,VCC = ±15V
    7. 5.7  工作特性 TLE2021M,VCC = ±15V
    8. 5.8  TLE2022xM 电气特性,VCC = 5V
    9. 5.9  TLE2022M 工作特性,VCC = 5V
    10. 5.10 电气特性 TLE2022xM,VCC = ±15V
    11. 5.11 工作特性 TLE2022M,VCC = ±15V
    12. 5.12 TLE2024xM 电气特性,VCC = 5V
    13. 5.13 TLE2024M 工作特性,VCC = 5V
    14. 5.14 电气特性 TLE2024xM,VCC = ±15V
    15. 5.15 工作特性 TLE2024M,VCC = ±15V
    16. 5.16 典型特性
  7. 参数测量信息
    1. 6.1 典型值
  8. 详细说明
    1. 7.1 功能方框图
  9. 应用和实施
    1. 8.1 应用信息
      1. 8.1.1 电压输出器应用
      2. 8.1.2 输入偏移电压归零
      3. 8.1.3 宏模型信息
  10. 器件和文档支持
    1. 9.1 接收文档更新通知
    2. 9.2 支持资源
    3. 9.3 商标
    4. 9.4 静电放电警告
    5. 9.5 术语表
  11. 10修订历史记录
  12. 11机械、封装和可订购信息

封装选项

机械数据 (封装 | 引脚)
散热焊盘机械数据 (封装 | 引脚)
订购信息

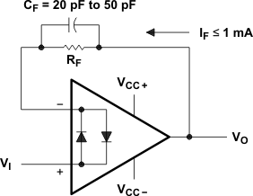
电压输出器应用

TLE202xM 电路包含输入保护二极管,用于限制输入晶体管两端的电压;然而,如果这些二极管处于正向导通状态,电路中并未设计限流措施。当器件在电压输出器配置下运行并由快速的大信号脉冲驱动时,有时会发生这种情况。使用反馈电阻器将电流限制为最大 1mA,以防止器件性能下降。该反馈电阻器与器件的输入电容形成一个极点。如果反馈电阻值大于 10kΩ,该极点会降低放大器的相位裕度。图 8-1 展示了为了缓解此问题,可添加一个与反馈电阻器并联的电容器(20pF 至 50pF)。

TLE2021AM TLE2021B TLE2021M-MIL  TLE2022AM-MIL TLE2022BM TLE2022M-MIL  TLE2024AM TLE2024BM-MIL TLE2024M 电压输出器图 8-1 电压输出器