ZHCSWH3E February   1997  – July 2025 TLE2021AM , TLE2021B , TLE2021M-MIL , TLE2022AM-MIL , TLE2022BM , TLE2022M-MIL , TLE2024AM , TLE2024BM-MIL , TLE2024M

PRODUCTION DATA  

  1.   1
  2. 特性
  3. 说明
  4. 器件比较表
  5. 引脚配置和功能
  6. 规格
    1. 5.1  绝对最大额定值
    2. 5.2  功耗额定值
    3. 5.3  建议运行条件
    4. 5.4  TLE2021xM 电气特性,VCC = 5V
    5. 5.5  TLE2021M 工作特性,VCC = 5V
    6. 5.6  电气特性 TLE2021xM,VCC = ±15V
    7. 5.7  工作特性 TLE2021M,VCC = ±15V
    8. 5.8  TLE2022xM 电气特性,VCC = 5V
    9. 5.9  TLE2022M 工作特性,VCC = 5V
    10. 5.10 电气特性 TLE2022xM,VCC = ±15V
    11. 5.11 工作特性 TLE2022M,VCC = ±15V
    12. 5.12 TLE2024xM 电气特性,VCC = 5V
    13. 5.13 TLE2024M 工作特性,VCC = 5V
    14. 5.14 电气特性 TLE2024xM,VCC = ±15V
    15. 5.15 工作特性 TLE2024M,VCC = ±15V
    16. 5.16 典型特性
  7. 参数测量信息
    1. 6.1 典型值
  8. 详细说明
    1. 7.1 功能方框图
  9. 应用和实施
    1. 8.1 应用信息
      1. 8.1.1 电压输出器应用
      2. 8.1.2 输入偏移电压归零
      3. 8.1.3 宏模型信息
  10. 器件和文档支持
    1. 9.1 接收文档更新通知
    2. 9.2 支持资源
    3. 9.3 商标
    4. 9.4 静电放电警告
    5. 9.5 术语表
  11. 10修订历史记录
  12. 11机械、封装和可订购信息

封装选项

机械数据 (封装 | 引脚)
散热焊盘机械数据 (封装 | 引脚)
订购信息

参数测量信息

TLE2021AM TLE2021B TLE2021M-MIL  TLE2022AM-MIL TLE2022BM TLE2022M-MIL  TLE2024AM TLE2024BM-MIL TLE2024M 压摆率测试电路
CL 包括夹具电容。
图 6-1 压摆率测试电路
TLE2021AM TLE2021B TLE2021M-MIL  TLE2022AM-MIL TLE2022BM TLE2022M-MIL  TLE2024AM TLE2024BM-MIL TLE2024M 噪声电压测试电路图 6-2 噪声电压测试电路
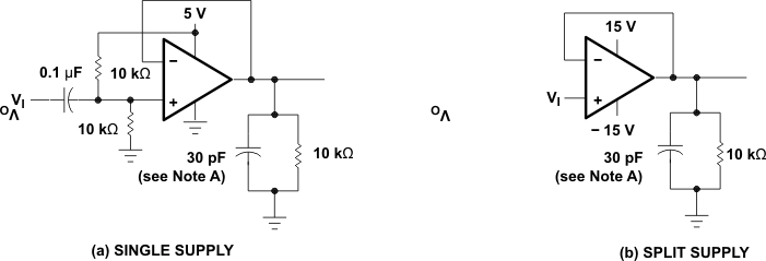
TLE2021AM TLE2021B TLE2021M-MIL  TLE2022AM-MIL TLE2022BM TLE2022M-MIL  TLE2024AM TLE2024BM-MIL TLE2024M 单位增益带宽和相位裕度测试电路
CL 包括夹具电容。
图 6-3 单位增益带宽和相位裕度测试电路
TLE2021AM TLE2021B TLE2021M-MIL  TLE2022AM-MIL TLE2022BM TLE2022M-MIL  TLE2024AM TLE2024BM-MIL TLE2024M 微小信号脉冲响应测试电路
CL 包括夹具电容。
图 6-4 微小信号脉冲响应测试电路