ZHCS230B August   2014  – February 2024 THS4541

PRODUCTION DATA  

  1.   1
  2. 特性
  3. 应用
  4. 说明
  5. 器件比较表
  6. 引脚配置和功能
  7. 规格
    1. 6.1 绝对最大额定值
    2. 6.2 ESD 等级
    3. 6.3 建议的操作条件
    4. 6.4 热性能信息
    5. 6.5 电气特性:(Vs+) – Vs– = 5V
    6. 6.6 电气特性:(Vs+) – Vs– = 3V
    7. 6.7 典型特性:5V 单电源
    8. 6.8 典型特性:3V 单电源
    9. 6.9 典型特性:3V 至 5V 电源电压范围
  8. 参数测量信息
    1. 7.1 示例特性表征电路
    2. 7.2 频率响应波形因素
    3. 7.3 I/O 余量注意事项
    4. 7.4 输出直流误差和漂移计算以及电阻器不平衡的影响
    5. 7.5 噪声分析
    6. 7.6 影响谐波失真的因素
    7. 7.7 驱动电容性负载
    8. 7.8 热分析
  9. 详细说明
    1. 8.1 概述
      1. 8.1.1 术语和应用假设
    2. 8.2 功能方框图
    3. 8.3 特性说明
      1. 8.3.1 差分 I/O
      2. 8.3.2 断电控制引脚 (PD)
        1. 8.3.2.1 运行电源关断功能
      3. 8.3.3 输入过驱运行
    4. 8.4 器件功能模式
      1. 8.4.1 从单端电源至差分输出的运行
        1. 8.4.1.1 单端输入至差分输出转换的交流耦合信号路径注意事项
        2. 8.4.1.2 单端至差分转换的直流耦合输入信号路径注意事项
        3. 8.4.1.3 FDA 单端转差分配置的电阻器设计公式
        4. 8.4.1.4 单端转差分 FDA 配置的输入阻抗
      2. 8.4.2 差分输入至差分输出运行
        1. 8.4.2.1 交流耦合、差分输入至差分输出设计问题
        2. 8.4.2.2 直流耦合、差分输入至差分输出设计问题
  10. 应用和实施
    1. 9.1 应用信息
    2. 9.2 典型应用
      1. 9.2.1 设计衰减器
        1. 9.2.1.1 设计要求
        2. 9.2.1.2 详细设计过程
        3. 9.2.1.3 应用曲线
      2. 9.2.2 连接到高性能 ADC
        1. 9.2.2.1 设计要求
        2. 9.2.2.2 详细设计过程
        3. 9.2.2.3 应用曲线
    3. 9.3 电源相关建议
    4. 9.4 布局
      1. 9.4.1 布局指南
      2. 9.4.2 布局示例
  11. 10器件和文档支持
    1. 10.1 器件支持
      1. 10.1.1 开发支持
        1. 10.1.1.1 TINA 仿真模型特性
    2. 10.2 文档支持
      1. 10.2.1 相关文档
    3. 10.3 接收文档更新通知
    4. 10.4 支持资源
    5. 10.5 商标
    6. 10.6 静电放电警告
    7. 10.7 术语表
  12. 11修订历史记录
  13. 12机械、封装和可订购信息

封装选项

机械数据 (封装 | 引脚)
散热焊盘机械数据 (封装 | 引脚)
订购信息

引脚配置和功能

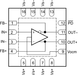
GUID-1372E244-C507-40DC-9CD7-5BC72F2A5799-low.gif图 5-1 RGT 封装
16 引脚 VQFN(带有外露散热焊盘)
(顶视图)
GUID-2A359E65-0C46-4D1F-B8D1-0533E2A20E6F-low.gif图 5-2 RUN 封装
10 引脚 WQFN
(顶视图)
表 5-1 引脚功能
引脚 类型 说明
名称 编号(1)
FB+ 4 输出 同相(正)输出反馈
FB– 1 输出 反相(负)输出反馈
IN+ 2 输入 同相(正)放大器输入
IN– 3 输入 反相(负)放大器输入
NC 无内部连接
OUT+ 10 输出 同相(正)放大器输出
OUT- 11 输出 反相(负)放大器输出
PD 12 输入 断电。PD = 逻辑低电平 = 断电模式;PD = 逻辑高电平 = 正常运行。
Vocm 9 输入 共模电压输入
Vs+ 5、6、7、8 输入 正电源输入
Vs– 13、14、15、16 输入 负电源输入
将外露散热焊盘焊接到散热电源或接地平面。该焊盘与裸片进行电气隔离,但必须连接到电源或接地平面,不能悬空。